概要
近年来,针对新一代车载系统,过去用液压控制的系统改用电气控制的x-by-wire 的技术受到了人们的关注。汽车内的数据量不断增加并趋于复杂化,要实现这些技术,这就对需要速度更快速及更高、可靠性高的网络提出了要求。在这些技术中,FlexRay 作为新一代车载网络受到了人们的重视。
富士通此次开发的FlexRay 微型控制器“MB91F465XA”配备了32 位RISC 的FR 内核心,并将最高工作频率提高到了100MHz。由于此产品采用了通用性和集成度较高的设计,从而可以比较方便地从过去的CAN系统平移到FlexRay系统。
此外,还能用作过去使用的CAN 和FlexRay 的网关。
图1显示为FlexRay 的目标应用。

特点
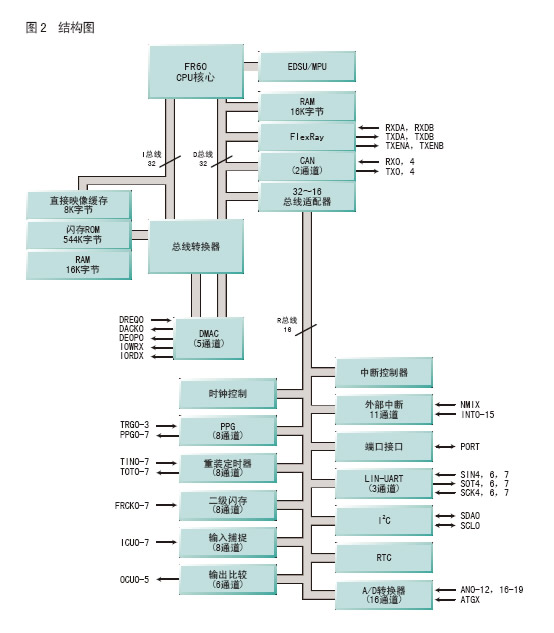
图2是结构方块图。

FR60 内核心
采用了与FR 系列指令兼容的FR60内核心。FR60 内核实现了高性能、低功耗,是富士通生产的32位RISC CPU的核心产品,最大工作频率可达100MHz。
内置闪存容量
? 主闪存: 544K 字节
? 支持闪存安全
内置RAM 容量
? 32K 字节
? 指令缓存: 8K 字节
FlexRay 通信控制器
使用获得德国博世公司授权提供的IP,符合FlexRay Ver2.1 标准。支持最高达10Mbps 的通信速度。
CAN 控制器
符合CAN 2.0A 及2.0B 标准。内置数据及ID 用的已排序的32 个信息缓冲器。支持最高达1Mbps 的通信速度。
各种定时器
? 16 位FRT 定时器
? 16 位输入捕捉
? 16 位输出比较
? 16 位PPG : 可选择One Short 输出/PWM输出( 可同步输出到4 通道)
? 16 位再加载定时器

图3 外观
各种接口? 支持LIN 的USART(带16 字节的FIFO)
? I2C 接口
高速A/D 转换器
实现10 位分辨率的依次转换型A/D转换器( 最短转换时间3μs,综合误差±3LBS:Vcc = Avcc = 3.0V ?5.5V)
低功耗模式
睡眠/ 停止功能
低功耗模式包括睡眠模式( 程序停止状态)、停止模式( 设备停止状态)。使用这些低功耗模式,可以减少待机时的消耗电流。
I/O 端口
? 输入许可设定: 可对每个端口进行设定
? 输入电平设定: 可从CMOS(0307)/CMOS(0208)/Automotive/TTL 中选择输入电平
? 上拉电阻设定:可对每个端口进行设定。( 标准: 50kΩ)
表1 每个输入电平的电压

其他相关功能
? 外部中断
? DMAC
? 看门狗定时器
? 实时时钟
? 时钟监视器
? 低压检测电路
? 电源电压: 3.0V ?5.5V
应用领域
汽车内使用电机的应用正在增多,其在多数情况下是与CAN 总线网络连接的。特别是在EPS( 动力转向装置) 中,为了控制电机,在进行高速运算的同时,还需要通过CAN通信或AD 转换器进行传感等动作。
预计未来EPS 系统将与FlexRay 网络连接。这时,就必须根据载波频率来控制电机,而由于FlexRay 必须在通信周期内进行处理,就很容易受到时间的限制。因此,我们将微控制器分割为电机控制和系统控制2部分,并将本产品使用于包括控制FlexRay控制的系统控制,就可以实现系统控制、减少时间限制,并可降低程序的开发难度。
图4所示的是使用本产品的EPS 系统框方块图。
图4

本产品与传统的FR 系列一样支持通过富士通综合开发环境SOFTUNE V6 支持。SOFTUNE V6 是为了满足程序开发人员的各种要求而开发的、使用更方便的软件。
此外,我们还提供能直接立刻进行FlexRay 评估的FlexRay 评估用板(MB2006-02)。
表2 开发工具的组成


图5 FlexRay评估板(MB2006-02)
(转载)



