摘要:本文介绍了电压源型高压变频器的高压输入和输出电缆接反的危害。
关键词:高压变频器 高压输入 高压输出
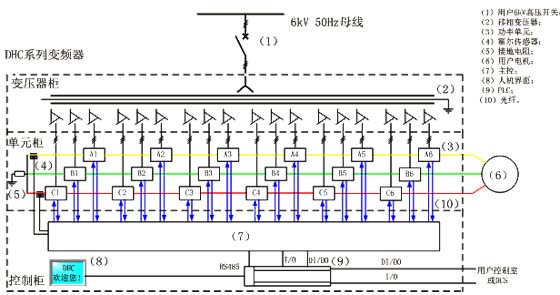
1.概述
目前国际上普遍采用的高压大功率变频器大多为功率单元串连多重化电压源型变频器,国外以罗宾康、东芝,国内以东方日立和利德华福为代表。这种类型的高压变频器是一个单向的能量传递装置,只允许能量从变频器的输入端输入(即从移相变压器端输入),经过移相变换后输入到进行能量转换的功率单元进行“交-直-交”变换,然后经过电平叠加后由输出端输出。如果能量从输出端反向输入(即高压输入和输出电缆接反)将出现灾难性后果。
2.单元串连多重化电压源型变频器的原理
2.1系统结构
单元串连多重化电压源型变频器是采用直接“高-高”的变换形式,由多个功率单元构成多重化串连的拓扑结构,每个单元输出固定的低压电平,再由多个单元按照正弦规律分时序串连叠加为所需的高压。以6kV每相六单元串联为例,电压叠加如图1所示,变频器电路原理示意图如图2所示。每相由六个相同的功率单元串联而成,相电压为3464V。每个功率单元输出有效值Ve=577V,峰值输出电压
。

图1 6kV变频器电压叠加示意图
多重化串连结构使用低压器件实现了高压输出,降低了对功率器件的耐压要求。它对电网谐波污染非常小,输入电流谐波畸变率小于4%,满足IEEE519-1992的谐波抑制标准;输入功率因数高,不必采用输入谐波滤波器和功率因数补偿装置;输出波形接近正弦波,不存在输出谐波引起的电机发热和转矩脉动、噪音、输出dv/dt、共模电压等问题,对普通异步电机不必加输出滤波器就可以直接使用。

图2 6级6kV变频器电路原理示意图
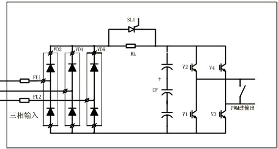
2.2功率单元
功率单元主要由输入熔断器、三相全桥式整流器、预充电回路、电容器组、IGBT逆变桥、直流母线和旁通回路构成,同时还包括电源、驱动、保护监测、通讯等组件组成的控制电路。单元结构如图3所示。各功率单元具有完全相同的结构,有互换性。
功率单元由移相变压器的一组副边供电,通过三相全桥整流器将交流输入整流为直流,并将能量储存在电容组中。电容组根据单元电压选择并联或串连,如母线电压为815V,则将三组电容串连起来以满足耐压要求,每组电容根据单元容量的大小选择并联个数。控制部分通过电源板从直流母线上取电,接收主控系统发送的PWM信号并通过控制IGBT的工作状态,输出PWM电压波形。
监控电路实时监控IGBT和直流母线的状态,将状态反馈回主控系统。在单元出现重故障时,主控将打开功率单元的旁通回路,使单元进入旁通状态,避免整个变频器停机。
每个单元输出PWM波,将每相N功率单元的输出电压叠加,产生多重化的相电压波形,使相电压产生出2N+1个电压台阶,六个功率单元输出的PWM波形及叠加之后的相电压波形如图4所示。

图3 变频器功率单元

图4 变频器的单元输出波形及相电压叠加波形
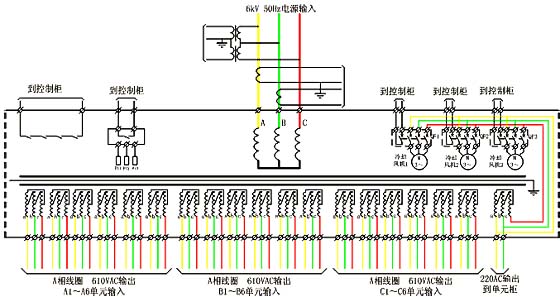
2.3移相变压器
移相变压器电气原理如图5所示: 变压器(以输入6kV变压器为例)原边绕组为6kV, 副边共十八个绕组分为三相。每个绕组为延边三角形接法,分别有±5o 、±15o 、±250等移相角度,每个绕组接一个功率单元。这种移相接法可以有效地消除35次以下的谐波。因此,采用移相变压器进行隔离降压,不会对电网造成超过国家标准的谐波干扰。

图5 移相变压器结构原理图
3.高压输入和输出电缆接反的危害
3.1正确的系统接线
按照目前国类普遍采用的变频器调速系统一次回路形式,变频器的正常运行分为工频旁路运行和变频运行两种情况,其接线主回路图如图6和图7所示。

图6 工频旁路运行一次系统图
图7变频运行一次系统图
3.1.1工频旁路运行
如果变频器调速系统按照图6所示的一次系统图运行,电动机将能够进行工频启动和工频运行,但是不能调速。电动机的保护主要通过用户的小车开关所配置的电机综合保护仪来实现。
3.1.2变频运行
如果变频器调速系统按照图7所示的一次系统图运行,电动机将能够变频启动和变频调速方式运行。在变频条件下,变频器的控制系统将会按照设定值进行运行,能够动态监视设备的运行情况并记录变频器的运行状态、故障状态等数据。对于变频器在运行中出现的故障,能够及时处理。如果在输出端出现的过流故障,变频器将自动根据过流的等级进行反时限过流保护或立即保护。最高等级就是立即保护,过流点设定为额定输出电流的3倍以内,动作时间是10μS;同时封锁所有单元的IGBT,切断输出,10uS之后变频器主回路内无任何电流流动。这项保护功能是变频器的标准配置,我公司生产的变频器在出厂前每台都要经过试验验证。同时我公司的变频器短路保护功能经由第三方认证单位天传所进行了检测,并有型式试验报告。
3.2错误的系统接线(即高压输入和输出电缆接反)
如果变频器的输入、输出电缆接反,如图8所示。此状态之下用户仍然可以进行变频器工频旁路运行。

图7 变频输入电缆反接电路

图8 工频10kV/50Hz直接进入变频器的输出端
在上述错接的情况下,如果改变成变频运行状态,即QS2的刀位被掷向变频器输出的位置,如图8所示,就会出现灾难性后果。
3.3 错误的系统接线的危害
当6kV高压输入线错误连接到变频器的隔离开关QS2上时,只要用户小车开关一合闸,来自高压母线的工频6kV/50Hz电源将直接从变频器的输出端串入功率单元。从变频器的输出端子向变频器内部看,由于各个单元内部的电容器上电荷为零,对瞬间的交流视为短路,此时的单元等效电路仅仅是一些正向连接的整流二极管(IGBT模块之中所并联的续流二极管)的串并联,如图9和图10所示:

图9 6kV输入电压接反的单元部分等效示意图

图10 6kV输入电源反向连接瞬间等效电路图
每一相总的最高允许压降<±18V/DC,因此没有任何抵御高压的能力。而在上述图8错接的情况下,每一相瞬间实际最大却要承担±8164V的峰值电压。这个电压远远大于单元内并联在二极管上的IGBT、可控硅元件以及电容器的允许值,于是在一瞬间每一相单元的串联体变成了一个等效纯导体,由于所有单元串联后连接到中性点所以构成电流通路,而且该通路没有任何限流的性能,唯一的电流的限制只能来自外部用户的继保系统。过大的电流将会引发IGBT模块中的续流二极管的爆炸,这样就使得单元中的IGBT与二极管一起爆炸,同时使并联其上的其它元器件的烧毁。在元器件爆炸烧毁的过程之中,巨大电流产生的热量会使上述回路中的电缆、各个接头发热变形、乃至烧断。同时巨大的短路电流也会使上端的用户小车开关同时跳闸,短路破坏到此时停止,但是此时所有的单元都已经损坏。

图10 损坏范围示意图
由于变频器是在高压输入、输出接反的情况下接入高压的,变频器的实际输入端的移相变压器连接在电动机上,无法从正常途径为单元供电,单元的控制系统因没有工作电源而未进入工作状态,无法向主控系统报警,所以主控系统的计算机将不会记录这种事故发生的时间和事故状态。
4.案例分析
目前国、内关于这种案例已经很多。
4.1发生在某企业的事故
该案例发生在我公司为某家企业转炉风机配置的高压变频调速装置上,由于需要更换电缆,维修人员在更换时将输入电缆错接在变频装置输出位置上,从而引发了严重的事故,在合高压的一瞬间变频调速装置的功率单元全部损坏,造成了严重的经济损失。
4.2 案例给我们的教训
一次错误的接线就会引起如此严重的事故,我们从而得出如下经验:
4.2.1 变频装置安装调试完成后,应该严格区分输入输出电缆,做好标识;
4.2.2 如果需要更换电缆,必须对两根电缆的进出线位置进行区分,作好标识,并做好测试;
4.2.3 更换电缆的工作和测试工作必须由两个以上的人员进行,并进行互检,必要时还应该由电气工程师进行验收;
4.2.4 所有高压操作必须具有工作票。
5. 结束语
我们将单元串连电压源型变频调速装置由于接反了高压输入输出电缆而出现的严重事故的状态和出现的原因编写出来,将此奉献给业界的同仁,是希望我国广大的使用者和潜在的使用者对此引起高度重视,以免由于低级的错误而引发重大的经济损失。采用变频装置后,需要建立严格的检查制度,防止发生输入输出电缆接反的错误,因为这种错误会给企业带来严重的经济损失,不仅会损坏设备,也会因为设备的损坏而影响生产的正常进行。
当然不仅仅是单元串连电压源型变频器存在这样的问题,目前所有型式的变频器都存在同样的问题。
(转载)



