设计原理
首先通过三点式LC正弦波振荡电路,产生一个正弦波信号,电路中的电感系数L随被测角度的改变而改变;然后把正弦波信号输入到电压比较器,得到一个方波信号;最后把方波信号输入到单片机进行处理,根据方波信号的频率由单片机输出分别与角度成线性关系的电压和频率两路信号。
1.三点式LC正弦波振荡电路
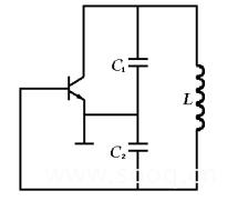
图1所示是基本的三点式LC正弦波振荡回路,一个三点式LC正弦波振荡回路要想正常工作,必须具备一个振荡回路(至少有两个储能原件)、振荡能量来源(电源+Vcc)和控制元件(三极管)。

图1(a):三点式LC正弦波振荡电路
图1(b):三点式LC正弦波振荡电路
2.混合信号PSoC
传统的单片机只包括数字逻辑系统,而本设计采用的CY8C29466不仅具有数字逻辑系统,还具有模拟模块和模数混合信号模块,例如增益可编程放大器、电压比较器、模数转换模块和模数转换模块。该芯片的高集成度特性使整个设计节省了元器件、产品的体积也更小。
硬件设计
传感器的硬件部分主要包括两大部分,其中CY8C29466和外围电路为第一部分。CY8C29466主要负责测量信号的频率,进行温度校正和相应的线性化处理,并输出电压信号和频率信号。
外围电路主要完成以下工作:
1. 电压转换,将供给温度传感器的10V电压转换为5V的电压,作为单片机和电位计的电源;
2. 环境温度测量;
3. 形成振荡回路;
4. 实现双回路保护,提高产品的可靠性。传感器第二部分电路的作用是实现通过改变角度来改变角度来改变线圈的电感系数。
硬件部分所使用的器件见表1。
表1:基于CY8C29466设计方案所用的元件
软件设计
设计过程中用到的模块主要有:ADCINC12、CMPPRG、DAC8、INSAMP、PGA、PWM16_1、PWM16_2、Timer16、Counter24。它们的位置和相互之间的连接方式如图2所示。其中,模数转换模块ADCINC12用来将温度传感器采集到的模拟信号转化数字信号,用于传感器输出量的修正;电压比较器模块CMPPRG、反向放大器模块INSAMP和增益可编程放大器模块PGA三个模块与外围的若干电子元件一起构成三点式正弦波振荡回路;数模转换模块DAC8用于产生传感器的电压输出信号;脉宽调制模块PWM16_1用于数模转换模块DAC8的时钟源,提高了数模转换的精度;脉宽调制模块PWM16_2用于产生传感器的频率输出;定时器模块Timer16和计数器模块Counter24用于计算输入信号的频率。
图2:用户模块图
程序的执行过程如图3所示。
图3:程序执行流程图
设计方案比较
采用PSoC与采用传统的单片机相比具有以下三个优点:
1. 使用的元器件的数目减少。由于PSoC中含有模拟模块,可以进行模拟信号的输出,所以在设计的过程中可以节省很多模拟器件。表2为采用某传统的单片机进行设计时,在缺少PWM信号输出功能的情况下,所用的器件。通过比较表1和表2,可以清楚的看到这一点。
2. 成本大大降低。使用的元器件数目减少,而PSoC芯片的市场价与其他传统的单片机相比,一般都偏低,所以成本降低。粗略估计成本可以降低20% ~30%。
3. 缩短设计周期。这一点主要表现在两个方面:在硬件设计方面,由于使用的元件数目减少,电路简单,减少设计所用时间;在软件设计方面,高效的开发工具为用户提供了高效的开发手段,与传统的单片机相比,PSoC只需很少的代码,而传统的单片机则要用户编写大量的代码。
产品的特点和应用前景
本产品与市场上现有的同类产品相比较具有如下几个特点:
1. 非接触式。
在工作过程中,相对运动的两个部件之间没有接触,排除了因磨损导致测量不准确的可能性,延长了产品的寿命。
2. 温度校正。
本产品具有温度校正能力,环境温度在一定范围内的改变不会影响测量的准确性。
3. 线性化。
本产品输出的两路信号:电压值,PWM波的频率均与角度成线性关系。
4. 两路输出信号。
本产品具有两路输出信号,使用者可以根据自己的需要选择其中的一路输出信号,或者同时使用两路信号。
5. 双回路保护。
本产品具有一个双回路保护系统,当其中的一个回路失效时,另一个回路会马上起作用,保证正常运行,提高了产品的可靠性。
6. 体积小,价格低。
以上特点决定了本产品将会具有很好的应用前景。它具有较高的可靠性,较长的寿命,与被测量成线性关系的准确地输出,较小的体积,低廉的价格都完全符合使用者的要求,是广大的汽车生产厂家的首选产品。除用于汽车油门踏板的角度测量外,该产品还可以用于其它场合的角度测量,如电动自行车的精确控制中。
表2:使用传统单片机设计方案所用元件
(转载)



