目前,在我国电源结构中,火电装机容量占74%,发电量占80%;因此火电机组及其辅机设备的节能改造工作是非常重要的。火电厂中的各类辅机设备中,风机水泵类设备占了绝大部分,而在国民经济高速发展的当代,火电机组调峰力度也随之加大,这些机组的负荷变化范围很大,必须实时调节风机水泵的流量,蕴藏着巨大的节能潜力。目前调节流量的方式多为节流阀调节,他并不能大范围调节电动机的输出功率,所以浪费了大量的能源。随着世界能源危机影响范围越来越广,人们对节约能源的意识也越来越强,我国在电力行业的改革为适应新形势逐步的深化。降低发电成本发提高单位能耗的发电量,已成为各火电厂努力追求的经济目标,要求也越来越迫切。而采用变速调节风机和泵类达到节能目的,已成为共识。
另外,交流高压电机的直接起动会产生巨大的电流冲击和转矩冲击,在很短的起动过程中,转子笼型绕组及阻尼绕组将承受很高的热应力和机械应力,致使笼条的端环断裂。而且能造成定子绕组绝缘的机械损伤和磨损,从而导致定子绕组绝缘击穿。直接起动时的大电流还会引起铁芯振动,使铁芯松驰,引起电机发热增加。由于变频器可以做到起动转矩高且平滑无冲击,对延长电动机的使用寿命,减少对电网的冲击,保证机组正常运行是很有必要的。还有现在电厂的自动化程度不断提高,运行工艺对辅机设备的控制性能的改善也是十分迫切的,例如在燃料控制系统中,采用精确度很高的变频调速可以大幅度地改善炉内的燃烧工况,从而节煤、节水,并可节省这些物料的运输,处理能量等。有更精准得设备是必然会出现更优良的工艺,从而生产效率,这已不再简单地局限在节能的范畴。
本文针对电厂泵类辅机的电动机的实际运行工况,介绍一个变频改造案例。
2、宣威电厂凝结水泵
在汽轮机内做完功的蒸汽在凝汽器冷却凝结之后,集中在热水井中,这时凝结水泵的作用是把凝结水及时地送往除氧器中。维持凝结水泵连续、稳定运行是保持电厂安全、经济生产地一个重要方面。
监视、调整凝汽器内的水位是凝结水泵运行中的一项主要工作。在正常运行状态下,凝汽器内的水位不能过高或过低。当机组负荷升高时,凝结水量增加,凝汽器内的水位相应上升。当机组负荷降低时,凝汽器内水位相应降低国电云南宣威电厂凝结泵电机为6KV/1250KW电机,设计时有较大裕量,每台机组配备二台凝结泵,一台变频运行,一台工频运行或备用,为安全起见要求变频器可以在两个高压开关柜间切换以实现双电源供电,还可经旁路刀闸直接起动电动机。进出线刀闸和旁路刀闸的作用是:一旦变频装置出现故障,即可马上断开进出线刀闸,将变频装置隔离,再闭合旁路刀闸,在工频电源下起动电机运行。

3、HIVERT-Y06/096型变频器原理
3.1 原理
HIVERT系列大功率高压变频器属直接高-高方式,采用先进的功率单元串联叠波技术、空间矢量控制的正弦波PWM调制方法、新颖的全中文操作界面和高性能IGBT功率器件,可用于各类高压电动机驱动的风机、水泵类负载的调速、节能、软启动和智能控制等。

HIVERT系列高压变频器采用交-直-交直接高压(高-高)方式,主电路开关元件为IGBT。每相由5个功率单元串联而成,叠波升压,充分利用常压变频器的成熟技术,因而具有很高的可靠性。
隔隔离变压器为三相干式整流变压器,变压器原边输入可为任意电压,Y接;副边绕组数量依变频器电压等级及结构而定,3kV系列为9个,6kV系列为15个,10kV系列为24个,延边三角形接法,为每个功率单元提供三相电源输入。
为了最大限度抑制输入侧谐波含量,同一相的副边绕组通过延边三角形接法移相,从而消除了大部分由单个功率单元所引起的谐波电流,所以HIVERT变频器输入电流的总谐波含量(THD)远小于国家标准5%的要求,并且能保持接近1的输入功率因数。

6kV系列单元输出及相电压波形示意图
每个功率单元输出的电压波形及其串联后输出的相电压波形示意图,可以得到5~0~-5共11个不同的电压等级。增加电压等级的同时,每个等级的电压值大为降低,从而减小了dv/dt对电机绝缘的破坏,并大大削弱了输出电压的谐波含量,电压等级数量的增加,大大改善了变频器的输出性能,输出波形几乎接近正弦波。
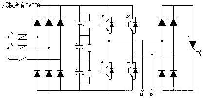
3.2功率单元
输入电源端R、S、T接变压器二次线圈的三相低压输出,三相二极管全波整流为直流环节电容充电,电容上的电压提供给由IGBT组成的单相H形桥式逆变电路。

快熔 二极管整流 直流环节 逆变输出 单元输出 单元旁路
功率单元原理图
功率单元通过光纤接收信号,采用空间矢量正弦波脉宽调制(PWM)方式,控制Q1~Q4 IGBT的导通和关断,输出单相脉宽调制波形。每个单元仅有三种可能的输出电压状态,当Q1和Q4导通时,L1和L2的输出电压状态为1;当Q2和Q3导通时,L1和L2的输出电压状态为-1;当Q1和Q2或者Q3和Q4导通时,L1和L2的输出电压状态为0。
4、运行分析
相关数据实测结果如下:
|
机组负荷
(MW) |
改造前频率
(Hz) |
改造后频率
(Hz) |
综合节约功率
(KW) |
|
1500 |
50 |
30 |
875 |
|
2100 |
50 |
36.8 |
562.5 |
|
2400 |
50 |
44.8 |
250 |
|
3000 |
50 |
49.5 |
187.5 |
表1 工频和变频调速凝结水泵的输入功率对比
机组负荷
(MW)改造前频率
(Hz)改造后频率
(Hz)综合节约功率
(KW)
15005030875
21005036.8562.5
24005044.8250
30005049.5187.5
由于凝结水泵在设计时留有很大余量,实测结果50%负荷时节能率为70%,满负荷时节能率也达15%。节能效果十分明显。同时,电机变频启动时,启动电流平稳上升,电机启动非常平稳
5、节能效益计算:
全年发电机组运行时间按7200小时计算,其中双泵运行时间和单泵运行时间各占一半,发电机组满负荷、80%负荷、70%负荷、50%负荷运行时间均为1800小时,电费成本为0.2/元度
机组满负荷时,在变频泵运行情况下,年至少节省电费:67320元
机组80%负荷时,在变频泵运行情况下,年至少节省电费:90000元
机组70%负荷时,在变频泵运行情况下,年至少节省电费:202500元
机组50%负荷时,在变频泵运行情况下,年至少节省电费:315000元
在满负荷全年运行至50%负荷全年运行情况下,投入一台北京合康亿盛公司生产的国产高压变频器后,全年可节约电费平均达674820元左右。
6、结束语
变频器至投入以来,运行稳定。而且HIVERT系列变频器功率因数可达0.95以上,大于电机功率因数0.82,减少大量无功。并且实现电机软启动,可避免因大电流启动冲击造成对电机绝缘的影响,提高了生产工艺自动化程度,减轻了工人的劳动强度,减少电机维护量,节约检修维护费用,同时电机寿命大幅度延长。
(转载)



