如今,一种新型测量技术的出现,使得汽车中电容传感器的应用数量大幅增长。 过去,由于被认为具有难以控制、不易读取、易于老化和温度要求严格等特点,电容传感器很少用于汽车电子之中。 但另一方面,它们也具有生产成本较低、外形适应简单、功耗低等特性,从而推动了它们的应用。
宏观上讲,电容传感器通常是通过将电容转换成电压、时间或者频率等另一种物理变量来进行分析。而在微观上,电容传感器已经长期用于汽车之中;微机械加速度传感器就是基于这个原理设计的。这些经常用来检测电荷转移。
一种用于探测电容的新方法采用改进后的Σ-Δ转换器的输入级来检测出未知的电容,并将其转换成数字信号。 这种方法使用了电容数字转换器(CDC),在本文中要与几个可以用于汽车的电容传感器原理一起阐述说明。文末也会概要说明另一种可选方法。
电容数字转换器
要形象描述CDC,我们必须对Σ-Δ 转换器原理作一番介绍。图1是Σ-Δ转换器的简图。
为了清楚地了解其工作过程,首先我们看积分器的输入,经过长时间间隔后,该值必须保持为零。短时间微小的阶跃信号会转变成斜坡信号。通过将基准支路的输出提高到与输入支路的值相同来达到零平均值,反过来这还受到比较器输出的影响。这将参考点转变成具有逻辑1的并联电容。
电容充电然后反过来提供给积分器,这样积分器得到一个负的参考电压。因此输入端的高压导致大量逻辑部分,它们反过来频繁地运用(负)参考电压。密度通过下面的数字滤波转换成一个数字化的数值。经典的Σ-Δ转换器将未知的电压与已知的电压相比较,即采用两个已知的电容(通常相等)来作此比较。
事实上是对电荷进行比较,因此电容可以用公式Q=C*V来比较,如果两个电压都已知(在此取相同的电压值)。同步电压信号也必须提供给输入支路,图2显示的是电容数字转换器。
这种方法带来了很多好处。由于与Σ-Δ转换器的关系密切,其众所周知的特性可以改进并采纳,这些特性包括高噪声抑制、低频时的高分辨率,以及能经济有效地实现高精确度。Σ-Δ转换器,几乎没有例外,具有一个相似的输入结构,因此不同的特别结构可以适用于特殊的测量任务,例如极低的电流输入、最大准确性或者更高的截止频率。
如果我们仔细地审视图2,可以清楚看到更多的优点。寄生电容在最初的近似值中不扮演任何角色。 一个在节点A趋向于零的寄生电容具有零电位。节点B不为零,但是它由一个确定的低阻抗电位充电,因此在该节点的寄生电容将充电到一个平均值而不影响测量结果。节点A到B的寄生电容总是与测量元件并联,并且通常会出现一个偏移量。
现有的电容数字转换器能提供非常好的性能。例如ADI的AD7745可达到24位分辨率和16位精度。

图1:Σ-Δ转换器的简图

图2:电容数字转换器
电容式传感器
以前的电容分析系统要求测量的电容比较大,以及接触时电容值的变化很大。对传感器制造商来说,需要足够大的变化经常会带来问题,而在较小的电容传感器却不会出现。例如,典型的150pF湿度传感器不仅相当昂贵(因为比较大),还容易出错,且长时间的稳定性也较差。
电容器的电容可以根据它的结构来计算:C =εoεrA/d
其中,εo是真空介电常数,εr是材料的介电常数,A是所用的导板面积,d则是两个电极之间的距离。除少数例外(如压力传感器),所有电容传感器都是利用导板表面或电介质的变化来测量电容的改变。大多数传感器可以被划分成两类:一类是导板面积(几何)变化的(如液位传感器或位移传感器);另一类是依赖εr变化的(如 接近传感器或湿度传感器)。
湿度传感器是电介质传感器的经典例子,使用湿度敏感聚合物层作为电介质。随着湿度的增加,堆积越来越多的水分子,因此εr增大。传感器检测液体(如油或燃料)的纯度,实质由两块固定的导板构成,液体自身形成电介质。必需的液体特性根据经验来确定(例如:油或燃料中增加的水份)。温度起到决定性的作用,也必须可靠地确定。测量电介质变化的简单的接近传感器,通常需要最复杂的测量电子学。

图3

图4

图5
在许多情况下,接近传感器在印制电路板包括两个导体。中间媒介电介质的值非常小(接近1)。如果一个物体,例如手,移动到电容器的电子区域,它就改变电容。人体的组成超过90%水,因而电介质的值非常大(约50)。
遥控开关非常容易制造,因而使得诸如无钥匙点火或对电动窗的箝位保护之类的应用成为可能。无钥匙汽车一个重要的必要条件是尽可能使输入电流最低——标准情况是低于100A。多年以来制造商已经将Σ-Δ转换器进行优化,因此已有一些适合的体系结构。
雨水传感器可以用一个类似的方法来实现。它们易于制造,性价比较高,而且尺寸也可以是一项优势。然而,基于水滴光学折射的传统雨水传感器在挡风玻璃只有一个非常小活动区域,这就降低了系统灵敏度,导致重复出现干擦和没有擦到的问题。
几何变化传感器
依靠几何变化的传感器的例子有压力传感器、液位传感器和位移传感器-这些传感器都是简单地移动固定导板之间的电介质。压力传感器使用具有固定尺寸的两块导板作为膜;由于导板有弹性,作用在传感器上的压力就会改变它们之间的距离。
由于热扩散,温度传感器需要考虑改变的几何形状。设想两个电极中的一个附着在芯片上,另一个附着在由金属或陶瓷构成的支架上,因此支架自己作为传感器。以陶瓷为例,能够承受非常高的压力和侵入的媒介。与经典的惠斯通电桥相比较,电容压力传感器的主要优点是对输入电流的要求更低,使得他们特别适合于诸如轮胎压力控制之类的应用。
在一个液位传感器中,一对固定的导板浸没在要测量的液体中。制造商能够以非常低的成本制造出印制导体。第二对导板附着在底部,可以检测出由于温度或其他影响导致的电介质变化,如下图所示。
在所有方法中,都证实了Σ-Δ技术是非常令人满意的。许多情况下,无论如何数字滤波器都是必要的,它们可以用来实现必需的动态特性。 例如,在液压传感器中需要非常长的时间常数,而接近传感器必须适应变化了的四周环境(如湿度传感器要适应雨或冰)。
采用DDS技术的可选方法
这种技术按照一个完全不同的、略微更复杂一些的方式来工作。另一方面,它可以用于测量复阻抗,包括电感、阻抗/电容或者阻抗/电感传感器等。在这种情况下,传感器由一个已知的非常精确的频率来激发。在此,直接数字式频率合成(DDS)技术非常适用。

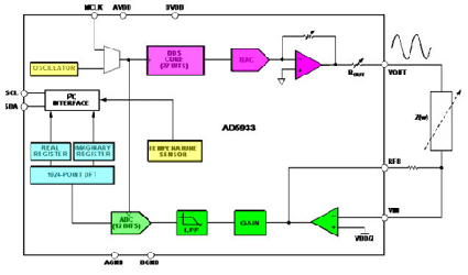
图6:用DDS方法计算阻抗的实部和虚部
这里,传感器的反应通过快速的模数转换器和快速的傅立叶分析记录下来。采用DDS方法,初始的相位在任何时候都可精确地获知。用同样的方法,对其他频率的反应也可以测量出来。阻抗的实部和虚部可以据此计算出,并且通过数字总线输出。完全扫描仅需要几百毫秒。此图对该方法进行了说明。
该网络分析仪电路可以用于电容和电感传感器,同样也可用于记录运动或测量液体黏度的传感器,例如引擎或润滑油。
小结:
电容传感器正在汽车中迎来新生。新的方法在压力、液位、湿度、雨和接近传感器中已经证明获得了初步成功。采用Σ-Δ技术能够对不同的动态和精度需求提供灵活的解决方案,并且使传感器系统具有及其低的电源要求。CDC设备已经用于几种汽车应用,在许多其他领域的应用正在增加。
(转载)



