集装箱装卸机是集装箱专用装卸设备之一,可用于20ˊ、40ˊ国际标准集装箱的装卸、转运及堆放等作业。其作业高度可以达到“堆六过七”。传统的集装箱装卸机为了提高起动转矩,采用绕线式异步电动机拖动,通过鼓形凸轮控制器的操作改变其转子所串电阻调速。随着电力技术发展和矢量控制的出现,现在人们普遍采用变频器作为调速电源,用多极变频异步取代原来的绕线式异步电动机,用PLC作为控制装置进行无触点控制。从而改善了调速性能,增加了系统的可靠性。本文以CHV100在赣州铁路局货运站的成功应用为例,阐述集装箱装卸机的变频调速过程。
2、系统简介
2.1集装箱装卸机的运行机构的构成。
主要由三部分组成:大车拖动系统、小车拖动系统、吊钩拖动系统。
(1)大车拖动系统拖动整台起重机顺着车间方向左右移动(以司机的坐向为参考)
(2)小车拖动系统拖动吊钩及重物顺着桥架作前后运动。
(3)吊钩拖动系统拖动重物作吊起或放下的上下运动,下面这种介绍吊钩拖动系统。
2.2负荷特点
集装箱装卸机运行机构均属于恒转矩性质负载,且其吊钩拖动系统为位能性负载,当吊钩吊起重物下降或者快速减速运行时,电动机处于再生发电制动状态。需要将电能通过反馈装置反送给电网或者消耗在制动电阻上,以防止母线电压过冲,变频器过压。
3、控制要求
3.1吊钩拖动系统要求起动转矩大,起动运行平稳。能够实现正反运行且要有超载、限位、限流等多种保护。
3.2吊钩拖动系统在启、停过程中容易出现“溜钩”问题。
由于制动器从抱紧到松开,以及从松开到抱紧的动作过程需要时间(约0.6s),从而电动机转矩的产生或消失,是在通电或断电瞬间就立刻反应的。因此,制动器和电动机在动作的配合上极易出现问题。如电动机已经通电,而制动器尚未松开,将导致电动机严重过载;反之,如电动机已经断电,而制动器尚未抱紧,则重物必将下滑,即出现所谓的“溜钩”现象。因此要有相应的防止措施。
3.3吊钩拖动系统中要有机械抱闸装置(机械制动器)。当重物吊在空中出现突然停电的情况,如果不加装机械抱闸装置,重物就会有下滑的危险。因此,吊钩电动机轴上必须加装制动器。常用的有电磁铁制动器和液压电磁制动器等。
4、系统构成与控制原理
4.1系统构成
4.1.1变频器的选择
集装箱装卸机的大、小车(平移机构)拖动系统对系统的性能要求不高,为了节省成本,选用V/F控制方式的通用变频器JBJ-CHF100即可满足要求。(本文从简);装卸机吊钩(提升机构)拖动系统要求有较高的起动转矩和调速性能,必须采用矢量控制型变频器。本文采用JBJ-CHV100系列矢量变频器。CHV100系列变频器具有以下技术特点:
a、 起动转矩:无PG矢量控制0.5Hz/150%(SVC);有PG矢量控制0Hz/180%(VC)(零速全转矩功能,又称零伺服功能,即零速是电动机仍然能输出180%的额定转矩,使重物停在空中)。
b、过载能力:150%额定电流60s;180%额定电流10s
c、调速比:无PG矢量控制: 1:100;有PG矢量控制: 1:1000
d、速度控制精度:无PG矢量控制:±0.5%最高速度;有PG矢量控制:±0.1%最高速度。
吊钩提升电机的功率为:75kw。为了保证足够的起动和运行力矩,故将变频器的容量放大一个规格。选用:JBJ-CHV100-090G-4型变频器+I/O扩展卡。为了节省成本,精简控制系统,本方案采用无PG矢量的控制方式
4.1.2 PLC、HMI的选择
日本三菱的FX2N-40MR;台湾“威纶”触摸屏 MT506LV
4.1.3制动单元的选择
变频器的制动单元应加大一个档次,以便允许有较大的制动电流,缩短制动过程;制动电阻的额定功率应加大一倍。故选用:DBU-055-4(2个并联)、制动电阻:13.6Ω/9600W(2个)。(也可以放大一个规格,直接选用能量回馈单元:RBU-110-4。)
4.2系统控制原理
4.2.1系统控制原理说明
主令开关、超载、限位开关及变频器的继电器输出信号1(故障输出),作为三菱FX2N plc的输入信号。
PLC的输出信号控制变频器的多功能输入端子(控制变频器的正反转、多段速、故障复位、紧急停止等。)和主电源电路的通断。
触摸屏和PLC通过RS422串行接口相连,PLC中的接口程序在PLC中为触摸屏设立数据读取区及相关状态标志,用于监视主钩的高度、载荷、运行状态、故障信息等。

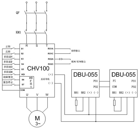
(1-1)系统控制原理图
5、变频器接线、调试要点及参数设置
5.1变频器接线说明
5.1.1变频器多功能输入端子S1-S7、HDI用于控制变频器的启动、停止、正转、反转、多段速、故障复位、紧急停止。
5.1.2继电器1输出作为“故障输出”;继电器2输出(FDT电平输出)作为“抱闸/松闸”信号输出。
5.1.3变频器直流母线上并联两个DBU-055-4制动单元和制动电阻,用以消耗吊钩下行过程中产生的能量,实现变频器的四象限运行。

(1-2)变频器接线图
5.2调试要点
5.2.1矢量参数的手动调节。由于现场不能脱离负载,无法进行参数自学习,故需要手动更改适量控制参数,优化控制性能。一般来说,可以遵循以下规律:低频转矩不够,可以适当加大定子电阻;转差率大可以适当增加转子电阻。输出电压偏低,可以提高空载电流、定转子电感和互感。此外,还可以适当调节“电流环”和“速度环”PI参数,他们将直接影响系统的动态响应和控制精度。
5.2.2抱闸与松闸的控制。无PG矢量控制方式在“0” Hz运行时无法达到额定输出转矩,故需要借助一个FDT电平(继电器2输出)功能,来提升控制功能。即:设置一个合适的FDT电平检测值,让变频器运行到一定频率后才打开机械抱闸装置。FDT电平检测值设置过高,容易跳“过载”或“过流”故障;FDT电平设置过低又不能提起重物,此处最终设定的FDT电平检测值为5Hz。若采用有PG矢量控制方式则可以在“0” Hz运行时输出一个控制信号去打开机械抱闸装置。
5.2.3溜钩问题处理。为了减少系统的“溜钩”时间,尽量把减速时间设置得短些,此处设为0.1s。此外,PLC和变频器时序逻辑的配合也相当重要。

5.3参数设置
P0.00 0 无PG矢量控制
P0.01 1 端子指令通道
P0.10 15 键盘设定频率
P0.11 1 加速时间0
P0.12 0.1 减速时间 0
P0.14 2 载波频率设定
P2.01 50 电机额定频率
P2.02 585 电机额定转速
P2.03 380 电机额定电压
P2.04 168 电机额定电流
P2.05 75 电机额定功率
P2.06 0.58 电机定子电阻
P2.07 0.58 电机转子电阻
P2.08 17.4 电机定、转子电感
P2.09 18.5 电机定、转子互感
P2.10 38.22 电机空载电流
P3.14 170 转矩上限设定
P5.00 2 HDI1为开关量输入
P5.02 1 正转运行
P5.03 2 反转运行
P5.04 16 多段速端子1
P5.05 17 多段速端子2
P5.06 18 多段速端子3
P5.07 19 多段速端子4
P5.09 7 故障复位
P5.10 6 紧急停止
P6.04 3 故障输出
P6.05 6 频率水平检测FDT输出
P8.16 3 故障自动复位次数
P8.18 0.1 故障自动复位间隔时间
P8.25 5 FDT电平检测值
P8.26 2 FDT滞后检测值
PA.06 40% 多段速2
PA.14 60% 多段速6
PA.16 80% 多段速7
PA.32 100% 多段速15
6、系统保护
该系统中,变频器本身具有短路、过载、过压、缺相、失速等多种保护和故障输出功能,对吊钩拖动机构来说,变频器驱动一台电动机,所以变频器的输出可以直接连接电动机而不必接热继电器作过载保护。线路主回路中接有总接触器和分接触器,它们除了通断线路的作用外,还兼有短路、过载、欠压等多种保护。司机可以通过联动台中的启停按钮控制总接触器进而控制总电源的通断,在无法用接触器通断电路的情况下,可以通过急停开关接通总断路器分励脱扣线圈来断开电源电路。另外在总电源控制回路中还串有门限位开关和钥匙开关作为安全保护措施。
7、结束语
有了功能完善、性能稳定可靠的变频器和PLC的有力支持,集装箱装卸机在可靠性、调速性能、节能和运行效率等方面与传统的集装箱装卸机相比有了很大的提高,变频器和PLC构成的集装箱装卸机系统成为目前集装箱装卸机的典型设计模式,应用越来越广泛。
8、参考文献
1.《CHV系列矢量变频器说明书》
2.《控制与可编程控制技术》化学工业出版社 2004
3.《 起重机设计规范》 国家标准GB/T3811 2007
(转载)



