关键词: 变频器;软启动;液位计;水泵;控制系统
Application of Altivar 38 Inverter in Water Treatment System
LU Bin,YANG Hua
(Xinyu Iron and Steel Co.Ltd.,Xinyu 338001 Jiangxi,China)LU Bin,YANG Hua
Abstract: In order to realize the water level’s stability of circulating cold pool for medium and heavy plate and avoid the overflowing,it is able to save energy and reduce pollution much better.The control systemers of double water pump are designed by center of water treatment in steel rolling area at Xingang,according to the plan that is composed of Altivar 38 inverter,PLC,soft stating and fluviograph .Through frequency regulation,frequent operation of water treatment is reduced and the constant pressure frequency water supply is achieved.The whole system operation is stable and the reliability is raised,
Key Words: inverter;soft staring;fluviograph;water pump;control system
O 引言
变频节能技术以其成熟性,性能稳定深受企业用户的青睐。其原理:一般电气拖动设备设计上考虑有短时过载运行的情况,在电动机的功率配置上往往要大于负载最大功率的l0%左右,甚至更大一些。电动机功率选小了,大负载运行时电动机发热导致绝缘过早老化,影响使用寿命;电动机功率选大了,励磁电流增大,无功损耗大,功率因数低以致不经济。另外,电气拖动设备不是长期工作在满负荷状态,而是长期工作在满负荷状态,而是长期工作在非经济负荷状态,即额定值85%左右,这样剩余功率和冗余功率就是一种浪费。变频技术正是解决这一问题的最好办法,它可以做到自动负荷匹配,在任何工况下电动机和负荷都可以实现最佳的匹配[1]。
1 问题的提出
轧钢区水处理中心是新余钢铁有限责任公司二期技改的一部分,主要负责处理并供给中厚板厂和线材,一所需的浊环水和净环水。中厚板厂浊环水系统是24 h不间断运行供水,运行以来,由于经常换辊以及生产工艺要求的不同,造成用水量不稳定,导致冷水池水位时高时低,运行不稳定、不安全且常溢流造成资源浪费、环境污染。为此,须通过频繁操作回流阀及开、停泵来调整水池水位。经统计,2006年6~8月,平均每天调整回流至少18次,启停泵至少3次。泵机频繁工频启动缩短了电动机的使用寿命,工频启动时的电流冲击,管网压力冲击,瞬停时的水锤效应造成设备故障率高,检修频繁,维修成本增高。电动机工频运行所消耗的电能很大一部分被用于系统打回流,做无用功,电耗增多。原系统为一开环系统,只起到机泵开车、停车作用,不能自动调节。操作人员监控难度大,需时时监控,稍不注意就会影响水位调整。另外,水位波动大,液位计选型不当,电脑显示不能如实地反映现场情况,操作人员必须经常到现场查看,既不能及时准确地提供调整数据,使得调整滞后,又增加了工作量。
2 系统改造方案的设计及确定
2.1 选型
现运行方式为除油泵房1号~4号泵供中厚板浊环冷水池用水,根据生产需要,决定增加1台变频装置实行变频改造,采用“一拖二”形式,即1套变频装置能够互换拖动2台水泵电动机,用于除油泵房3号和4号泵电动机,这样1台变频运行,另1台备用,机组检修不影响变频系统的工作。所选电动机型号均为Y2—3l5M一4(380 V 132 kW 240 A),变频装置选用施耐德Telemecanique公司的Altivar38节能型变频器,功率132 kW。它符合IEC、UL和CSA等标准,具有调速范围宽,加减速制动性能好自适应调整和节能以及电源过压、电动机缺相、电动机过热、变频器过热等保护功能。
变频调速器(简称VVVF)给定有多种方式,在这里采用变频器面板PI给定和液位计检测的电流反馈,通过对内部参数的设置形成PID调节的闭环自动控制系统。
2.2 控制回路
2台水泵电动机的原控制回路均保留作为新控制系统的工频旁路,由变频柜上的工频/变频选择转换开关确定。2台水泵电机工变频之间以及相互变频之间都有电气连锁,避免误操作。电气控制回路线路见图1。

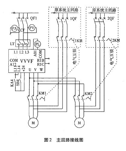
2.3 主回路
由于原工频主回路采用了长沙奥托型号为QB4200的交流电动机软启动器,为了保证改造后不影响工频的顺利启动,必须将变频器电动机主回路输出接线端接自软起动器的输出端,见图2。

2.4 操作方式
本系统的操作可实现变频面板/主控室/现场三地控制,三者都可控制水泵电机的启动与停止。变频面板控制还可实现速度调节、参数设定及系统运行情况的LED显示,主要方便调试。主控室控制即为PLC远程控制,正常情况下的操作方式,方便操作人员控制。现场控制是在电机旁设有一个操作箱,主要方便工作人员就地观察水泵及电机检修后的重启,以及在事故情况下的停机。
2.5 监控系统
原工频已采用PLC控制,选用Siemens的S7—300型PLC及梯形图可视化编程语言的STEP7专用软件,处理来自电控柜及现场操作箱的接触器、软启动器,选择开关等电气元器件的大量开关量信号,现场各仪表变送器采集的电机电流、水池水位高度等4~20 mA的电流信号。然后计算判断对执行器件进行控制,上位机通过Pe Adaptm’(MPI)与PI C连接互通信息,对现场各设备进行监控。WinCC(视窗控制中心)是Siemens公司推出的上位机控制系统软件,采用WinCC6.0组态软件编写上位机的监控画面,建立监控画面的PLC内存数据与实时数据库的连接,从而使系统的管理和维护非常方便。增加变频装置后,原PLC系统和监控画面基本不变,但在此基础上加以完善。增加了工频/变频转换选择的开关量输入,一则在对话框中显示工作方式状态,二则增加软接点在通过程序的稍加修改,以其输出来控制微型继电器,利用微型继电器的辅助电接点增加工变频的电气互锁,确保可靠性。
2.6 水位模拟量采集
原中厚板浊环冷水池水位4~20mA的模拟电流信号采集,是通过安装在水池顶部的超声波液位计检测经变送器转换而得。由于水池水位波动太大,浊环水温使得水池内水汽较大,浊环水水质存在一定的腐蚀性,原液位计使用效果不佳,在此次变频改造中解决这一问题迫在眉睫。经多方考虑,选用上海康创公司生产的型号为UQC一50,量程为5 m且防腐能力强的磁浮子液位计。其基本原理是磁耦合及阿基米德浮力定理,当水池内液位升降时,其主导管内磁性浮子也随之升降,通过磁耦合驱动指示器内磁珠翻转,同时磁浮子也带动LB捆绑式液位变送器和MCU一1/CK一1液位控制器工作。通过实践证明磁浮子液位计使用效果好,很适合中厚板浊环冷水池的工况环境,并且增加了水池现场显示。另外,为减少电磁干扰对该信号的影响,采用ZRK—VVRP 2X1.5阻燃屏蔽信号电缆,并在PLC模拟量输人板AI板前增加了1个一分二隔离器,一路给电脑显示用,一路提供给变频器反馈信号用。
3 变频改造效果
1)节约电费。变频改造后,电动机运行电流约为14OA,频率为40Hz左右,运行稳定,波动很小;改造前电动机运行电流为240 A,频率为50 Hz,两相比较,每年可节约电费38万元左右。
2)降低设备维修费。变频改造后,由原平均每天调整回流18次,降为现在每天开回流2次;原平均每天启停泵3次,降为现在每月1次。变频启停过程中对电动机、水泵、电网、电气元件的冲击降至最低,每年因设备故障率的大幅度下降而节省的维修费约1万余元。
3)社会效益。变频改造后使得中厚板浊环冷水池水位已稳定,确保了供水,既做到了少补水,提高浊环水循环率,又、避免了水资源的浪费,而且不外排,保护了环境。
4 结语
变频泵自2006年10月投用至今,运行良好,性能稳定,节能效果非常明显,不但经济效益显著,而且社会效益良好,变频改造达到了“节能减排”的预
[ 参考文献]
【1】韩安荣.通用变频器及其应用[M].北京:机械工业出版社,2OO4
(转载)



