噪声主动控制技术相对传统的被动控制,具有对中、低频段噪声控制效果明显、系统轻巧、实时性强等优点,具有潜在的工程应用价值。噪声主动控制基本思想是由德国物理学家Paul Lueg于1936年发明“电子消声器”时首次提出的。
噪声控制为实时控制,需要较大的计算量,普通的单片机难以实现。20世纪80年代,数字信号处理(DSP)芯片的问世为信号的实时控制开辟了广阔的发展空间。随着芯片技术的不断成熟和发展,DSP已成为现代智能控制器的核心部件。
本文采用DSP芯片TMS320F2812设计了既可以脱机独立自主运行又可以通过USB接口在线仿真的智能控制器,并以该控制器为核心设计了汽车内部噪声主动智能控制系统。
智能控制系统的电路设计
1 设计过程及系统框图
汽车内部噪声智能控制系统的设计过程如图1所示。

图1 DSP智能控制器硬件设计流程图
在器件选型时,要考虑器件之间的相互匹配性,以及器件的供货能力和技术支持等。本设计选用的DSP芯片TMS320F2812性能如下:采用高性能的静态CMOS低功耗设计技术,主频高达150MIPS(时钟周期6.67ns),支持JTAG边界扫描接口;高效32位高精度CPU;并有最多可达128K×16的FLASH存储器等。
电路板的设计需要传输线理论知识以及布线工艺和系统结构设计知识,以保证信号的完整性,另外着重考虑电磁干扰和电磁兼容性问题。
如图2所示,智能控制器主要由模拟电路部分(包括数字信号采集电路和输出信号处理电路)、DSP子系统(包括DSP芯片及外围电路)、电源、时钟及复位电路等构成。下面将介绍几个主要电路的设计。

图2 智能控制器结构框图

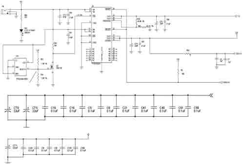
图3 电源和复位电路
2 电源与复位电路设计
DSP系统对电源的性能(如纹波、上电顺序等)要求较高,因此在本设计选用了线性调压电路芯片TPS767D301。 TPS767D301为双输出低漏电压调整器,其特点如下:每个电源输出都有单独的复位和输出使能控制;具有快速瞬态响应功能;电压输出3.3V/1.8V可调。
采用TPS767D301构成的电源电路从外部稳压电源引入+5V电压,+5V电压经TPS767D301后输出电压为1.8V和3.3V。为减小电源本身对DSP的干扰,在电路中增加了滤波网络,如图3所示。
3 A/D、D/A电路设计
TMS320F2812芯片上有一个12位、转换频率为25MHz的ADC,其前端为两个8选1的多路转换器和两路同时采样/保持器。在要求不很高时,完全可利用其构成同步顺序采样电路,或者增加外部采样保持器后构成同步采样。考虑到本系统对电量采集精度和速度的要求较高,采样模块中选用了外置的六通道16位ADC ADS8364。该器件内部包括6个高速采样-保持放大器、6个高速ADC、一个参考电压源及3个参考电压缓冲器,可以提供250KSPS的同步采样率,还可提供具有超低功耗(69mW/每通道)的所有6个输入通道的转换,这样使得所有通道的单位成本均较低。6个通道的数据输出接口电压介于2.7~5.5V,便于与DSP直接接口,省去了中间的电平转换。6个完全独立的ADC可大大提高硬件整体的并行处理速度,在50kHz输入信号下仍可保证大于80dB的卓越共模抑制能力,特别适合用于高干扰环境。图4为ADS8364与TMS320F2812的接口电路。
为了实现系统的控制功能,D/A转换电路中选用四路12位电压输出型DAC TLV5614,它具有灵活的四线串行接口,可以与TMS320 SPI、QSPI和Microwire串行口实现无缝连接。TLV5614的编程控制由16位串行字组成,即两位DAC地址、两个独立的DAC控制位和12位的DAC输入值。器件采用双电源供电:一组为串行接口使用的数字电源,即DVDD和DGND;另一组为输出缓冲器使用的模拟电源,即AVDD和AGND。两组电源相互独立且可为2.7~5.5V之间的任何值。双电源应用的好处是DAC使用5V电源工作,而DAC的数字部分使用2.7~5.5V电源,可以和多种接口连接。

图4 ADS8364与TMS320F2812的接口电路

图5 TLV5614接口电路
在设计中,D/A电路采用了2.5V的参考电压,为了控制方便,在控制D/A时,使用TMS320F2812的GPIOB作为转换芯片控制线,电路如图5所示。
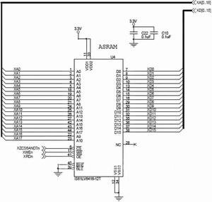
4 外部SRAM、FLASH扩展电路设计
由于该控制系统需要存储大量的数据以备分析和利用,根据DSP与外部存储器之间的“零等待”原则,采用IS61LV6416-12T扩展F2812的外部存储器,IS61LV6416-12T为64K×16高速CMOS SRAM,3.3V供电,其与TMS320F2812的接口电路如图6所示。

图6 外部存储器扩展电路
汽车内部噪声主动控制实验系统设计
本控制实验系统主要由4部分组成:汽车被控系统模型(含执行器)、外部声源、控制器和信号监视(含传感器),如图7所示。需要说明的一点是:在控制系统中,被控汽车模型包含多块铝板,在此为了表达方便,只画出其中一块。
在实验系统中,采用外部扬声器模拟舱体从外部受到的激励。扬声器发出的声波迫使汽车模型的一个由铝板构成的面发生受迫振动,从而使汽车内部出现较大的噪声;当放置在箱体内部指定位置的声压传感器检测到该处的声压变化,就把最新的声压值向DSP控制器传送,控制器根据此时系统的输入和输出情况,及时做出判断,对系统施加控制,此控制功能是通过粘贴在封闭舱体薄铝板壁上的PZT执行器完成的,因为PZT在控制信号的作用下能够产生振动能量,同样使铝板受迫振动,以此来降低汽车内部指定位置的噪声。
图7 实验系统组成示意图
1 汽车被控系统模型
由于本设计是针对汽车内部噪声展开的,为了研究方便,采用了粗略的轿车模型作为被控对象。该模型的四面由1mm的铝板组成,在车身上和车身内部安装有控制传感器,其中该控制系统的执行器是PZT,对称地安装在模型上。
由于压电陶瓷具有把电能转变为机械能的能力,因此当应用系统通电给压电陶瓷时,材料的自发偶极矩发生变化,从而使材料的尺寸发生改变,这种效应可在20ms内产生50μm的位移,响应速度之快是其他材料无法比拟的,而且频带很宽,对温度不敏感,随着加压次数的增加,性能趋于稳定,并且容易集成,是高精度、高速驱动器所必须的材料。本设计选用了压电材料PZT作为执行器。
2 外部声源
实验中的外部声源是由扬声器代替的,扬声器由信号发生器发出的信号经过功率放大器后驱动。
3 智能控制器
以TMS320F2812DSP芯片为核心的智能控制器既可以脱机独立自主运行又可以通过USB接口在线仿真。
4 信号监视器
为了能够监视箱内的控制误差信号和压电片驱动信号并进行信号处理,本控制系统的信号监视器采用了自行开发的多功能信号采集和处理系统。
本设计所选用的座位传感器的压电材料为压电薄膜PVDF,PVDF感知的信号作为系统的参考信号。PVDF很薄、柔软、密度低且灵敏度很高,其机械柔韧性比压电陶瓷高10倍。PVDF压电材料的压电性比石英高3~5倍,压电系数更高,可贴在物体表面。
结论
本文以TMS320F2812 DSP为基础设计了既可以脱机独立自主运行又可以通过USB接口在线仿真的智能控制器。并以该控制器为核心设计了汽车内部噪声主动智能控制实验系统。通过理论分析, 该控制系统具有较高的数据处理能力和处理速度,因此在实时控制中能够发挥重要的作用。
(转载)



