中电小杜 天津中电博源科技有限公司 022-83726288
摘要:转子变频调速系统是应用于高压大容量异步电动机节能调速领域的一种比较先进的调速系统。本文介绍了凝结水泵应用转子变频调速系统的技术经济分析。
关键词:转子变频调速 凝结水泵 节能 调速
前言:风机和水泵在国民经济各部门中应用的数量众多,分布面极广,耗电量巨大。据有关部门的统计,全国风机、水泵电动机装机总容量约35000MW,耗电量约占全国电力消耗总量的40%左右。目前,风机和水泵运行中还有很大的节能潜力,其潜力挖掘的焦点是提高风机和水泵的运行效率。据估计,提高风机和水泵系统运行效率的节能潜力可达(300~500)亿kW•h/年,相当于6~10个装机容量为1000MW级的大型火力发电厂的年发电总量。
乌斯太发电有限责任公司位于内蒙古乌海市,风机和水泵是我厂最主要的耗电设备,加上这些设备都是长期连续运行和常常处于低负荷及变负荷运行状态,其节能潜力巨大。发电厂辅机电动机的经济运行,直接关系到厂用电率的高低。随着电力行业改革的不断深化,厂网分家、竞价上网等政策的逐步实施,降低厂用电率,降低发电成本提高电价竞争力,已成为各发电厂努力追求的经济目标。
乌斯太发电有限责任公司应用了多台转子变频调速系统,经过长时间的实践运行,产品可靠性及性能得到检验,收到了显著的节能效果和经济效益。
一、 转子变频调速系统的原理及技术特点
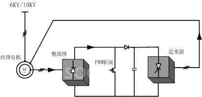
1)转子变频调速系统的原理
SAVER系列转子变频调速系统是河北泰达节能设备科技有限公司在传统串级调速理论基础上,和当代先进电力电子技术、交流调速技术、微机控制技术而发展起来的最新成果。其独有的以转子控制定子、以低压控制高压、以部分转差功率控制全部功率的技术,使其在众多风机和水泵用高压大中功率电动机的调速方案中独树一帜,具有其它调速方案不可替代的优越性。转子变频调速系统的结构框图如下所示。 
转子变频调速系统结构框图
SAVER系列转子变频调速系统是通过在转子回路串入等效电势,改变其大小来改变电机转速,并将转子转差功率回馈给电机电源的节能调速方法。内反馈绕组及固定逆变角的逆变器构成固定的电势源吸收转差功率,IGBT斩波器由PWM信号控制,形成可变的转子回路等效电势。
2)SAVER系列转子变频调速系统是由高压开关柜、内反馈调速电机、转子变频调速装置及远方控制系统组成。转子变频调速装置由起动柜和变频柜组成。
转子变频调速装置主要由以下几个部分组成:
起动柜内部说明
起动柜内部主要包括起动装置、整流器(ZP1-6)、控制、操作部分及显示。
起动装置主要包括频敏变阻器(PBR)、真空接触器(KM1-3)。大型电动机,特别是绕线式电动机,在电机起动时会对电网造成较大的冲击,产生一个较大的起动电流。为减少起动电流,使电机平稳起动,在调速装置中,加设了自动切换的起动装置。在电机起动时, KM1闭合, KM2打开,电机转子串入频敏变阻器PBR。频敏变阻器的电阻与流过的电流的频率成正比关系,当电机起动时,电机转速为零,转子电流频率最高,为工频频率,此时频敏变阻器阻值也较高,从而限制了起动电流。随着电机转速的增加,转子电流频率逐渐减少,频敏变阻器阻值也逐渐减小。当电机转速达到设定值时,装置自动将KM2闭合,切除频敏变阻器,电机进入全速工作状态或调速工作状态(根据触摸屏设定而定),完成起动过程。
整流器
整流单元为三相桥式整流,将转子电流转换为直流电流。
逆变器
逆变部分为三相全桥有源逆变器,装置工作于调速状态时,将经斩波控制后的转差功率逆变至内反馈绕组或逆变变压器。逆变触发角为最小的固定值,克服了移相触发对触发脉冲和换相要求严格、脉冲移动范围大、抗干扰能力差、易颠覆、功率因数低等缺点。
控制、操作部分及显示
主要包括触摸屏、普通按钮、显示仪表、可编程控制器、小型断路器、电源、钥匙开关及对外接线端子排。起动柜有两种操作、显示部分,别为触摸屏和普通按钮及显示表计部分。两种操作相互独立。触摸屏可进行逻辑切换、升降速、系统设置等操作(详见第五章)。内部普通按钮可进行逻辑切换。显示仪表可显示一次电流、转子电压(直流),转子电流(直流),转速,反馈电压,反馈电流。可编程控制器用来进行自动控制。小型断路器分三相交流和直流两部分,同时给电源供电。钥匙开关控制柜内所有控制电源,包括直流、交流电,在运行过程中严禁断开。
变频柜内部说明
变频柜内主要包括斩波器、驱动板、及控制板组成。
电路工作时,逆变器的逆变角恒处于最小βmin处不变,转子回路附加电势调节由斩波开关来完成。斩波开关以恒频调宽方式工作,即工作频率一定,而开关导通时间可调。这样,通过调节斩波开关导通时间与斩波周期的比率(即占空比或PWM调制脉宽),来改变串入转子回路的等效电势的大小,从而改变转子电流,来达到调节电机转速的目的。
3)SAVER系列转子变频调速系统的主要特点
平滑无级调速性能:在调速范围内实现平滑无级调速。
调速效率高:由于调速控制装置仅控制电机的部分容量,所以其损耗更小,调速效率更高,节电效果更好。
良好的起动性能:采用频敏变阻器起动方式,起动转矩大,起动电流小,起动迅速,整个起动过程自动切换。
灵活方便的调速控制方式:可实现调速运行与全速运行的转换,开环运行与闭环运行转换(或手动运行与自动运行的转换),就地控制与远方控制的转换。可方便实现与DCS 系统或其它计算机网络连接。
充分的过载能力:电机的最大转矩倍数不低于国家标准所规定的1.8倍。
理想的静态精度:转子变频调速系统的静态精度≥99.8%,完全满足风机、水泵类负载的要求。
理想的动态精度:采用转速与电流双闭环控制,既保证了转速的动态精度又能有效抑制过载电流。
完善的保护措施:除常规的过压、过流等保护措施外,当系统故障时,系统的故障检测装置能将电机转入用户可选择的全速运行或停车,同时提供文字或灯光报警。
主斩波回路采用可自关断的大型功率器件IGBT系统更为简单,可靠。
全部电力电子功率器件散热均采用热管散热与强制风冷相结合技术,散热效果更好,系统更可靠。
电子线路采用微机控制和锁相环脉冲控制,自动化程度高、抗干扰能力强。
多重隔离和抗干扰设计,装置具有很强的抗干扰能力。
交直流双电源供电的高可靠工作电源设计。
4)SAVER系列转子变频调速系统的主要性能指标
电机额定电压: 3KV、6KV、10KV
电机额定功率: 200~5600KW
调速范围: 一般(50~98)%ne +100%ne
电机极数: 4~24极
额定频率: 50HZ±2%
平均调速效率: η>98.9%
额定功率因数: >0.85
额定直流电流: 315~3000A
额定直流电压: 125~2500V
起动电流: 2.5~3倍的额定电流
谐波含量: ≤3%
过载能力: 1.8倍的额定负载
调速精度: ≥99.8%
二、应用情况
乌斯太发电有限责任公司2X300MW机组工程四台凝结水泵电机采用了转子变频调速系统,于2007年3月23日投入运行,至2005年4月30日期间,乌斯太发电有限责任公司对该系统进行跟踪监测,并对部分数据进行了重点测试。
以下为乌斯太发电有限责任公司2X300MW机组工程#1凝结水泵电机及#1凝结水泵的测试数据。
(一)1#凝结水泵电机
电机技术参数
电机型号:YRLKKNT560-4 电压:6.3KV 额定电流:135A
功率:1250KW 额定转速:900-1488转/分
(二)测试结果

(三)测试结果分析
1)全速状态:
全速时,通过检测:电机振动为16.3um,符合国家标准,;电机温度在44-56℃之间,在正常范围之内。
2)调速状态:
1、节电率
表4 节电率统计表

2、转速调整范围与精度
转速实测:调速状态下对984r/min至1450 r/min进行了实测, 由于系统负载为离心式水泵,当转速小于984 r/min时,水泵已不能正常工作,未能进行更低转速测试。
调速静态精度达1转(99%)。
3、调速状态电机转速和电机与水泵的振动关系
电机振动符合国家标准,并且可以看出电机振动,随转速下降而降低。
4、转速与占空比
可以看出,转速随占空比减小而减小,且基本呈线性变化。
5、电机温度与转速及占空比
可以看出,电机温度随转速减小而降低。
三、结论
1、 转子变频调速系统装置运行可靠,节能效果明显,已达到项目实施目的。
2、 节电率:节电率随转速下降而增长,转速越低节能效果越明显。
3、 调速的平稳性与连续性:
该电机采用频敏变阻器启动方式,启动电流小,电机启动的冲击小。电机由全速转调速状态时,电机转速由最高转速平滑降至设定转速,电机转速变化连续性、平稳性好。同时调速系统温升不高,运行稳定可靠。
4、 电机振动与温升
电机振动在16-12.3um之间,符合国家标准,并且可以看出电机振动,随转速下降而降低(见表2);电机温度在64-68℃之间,在正常范围之内。由此可见,电机运行稳定可靠。
四、结束语
转子变频调速系统在我厂顺利投入生产以来,运行一直较为稳定可靠,节能效果非常明显,实践证明,该系统调速效率高,设备结构简单,投资回收期短。确实不失为一种较好的调速方法,具有很强的实用性和经济性。
(转载)



