摘 要: 介绍自动研磨机的工作原理和控制方案。通过检测V系列矢量型变频器的电流大小来判断负载的变化情况,由此自动记忆研磨的凸点位置,并且控制伺服在以凸点为中心的一个小范围内不断研磨,到达研磨设定的次数后继续向前自动寻找下一个凸点。直到将整个工件的凸点全部研磨光滑为止,如果在整个研磨的过程中没有找到任何凸点,那么研磨的行程就是整个工件的长度。
关键字: 台达机电 研磨机 V系列变频器 台达伺服、台达人机
1 引言
研磨机是用于研磨工件平面或圆柱形内,外表面的磨床。磨床系指用磨具或磨料加工工件各种表面的机床,一般用于对零件淬硬表面做磨削加工。通常,磨具旋转为主运动,工件或磨具的移动为进给运动。
本文讨论的自动研磨机属于内表面精加工专用磨床,主要是用来加工各种管件的内壁,通过不断的研磨,使得工件内壁光滑均匀。研磨加工工艺过程如图1所示。

图1 研磨加工工艺过程
2 自动化系统设计
自动化系统设计基于台达系列机电自动化平台。研磨机的主要用途是用来加工管材的内壁,通过磨头在管壁内不停的旋转打磨,将不平滑的管壁打磨光滑。磨头的旋转是通过普通三相异步电机加VFD-055V43A控制、磨台的左右移动是靠一台3KW的伺服电机来拖动。之所以要选用V系列变频器,是因为控制工艺的要求。
2.1 凸点记忆研磨原理
为了提高研磨的效率,要求在整个的研磨的过程中,需要系统自动判断管材内壁凸点的位置,如果找到凸点,则立刻记忆凸点的位置并根据在人机上设定的研磨的幅度和研磨的次数,以当前记忆的凸点为中心、以研磨幅度为半径反复研磨,直到凸点被完全磨平为止。如何判断凸点的位置,则成了控制的关键所在。可以想象一旦在研磨的过程中遇到凸点,势必负载会加重,那么电机的运行电流会偏大,正是依靠判断电机运行电流的大小来判断凸点的位置。而V系列变频器控制的精度高、机内电流互感器的精度也比较高,因此能够分辨负载有较小的变化时电流的波动,因此选用V系列变频器,具体的实现如下:用DVP-32EH00M通过RS485通讯的方式实时读取VFD-055V43A的运行电流,一旦当前电流超过正常运行电流一定的幅值时,则说明此时已经找到凸点。
2.2 伺服控制原理
伺服用PT模式,由PLC发脉冲+方向控制伺服。同时将伺服的分频输出接进PLC,PLC进行高速计数,用来记忆伺服当前的位置,在研磨前,伺服首先完成回零的动作,回零完毕高速计数清零。回零的触发通过人机上的回零按钮操作。回零完毕后,系统会自动进入等待回到初始位置的状态,所谓的初始位置就是工件的入口位置,需要移动的行程就是从零点位置到工件的入口位置之间的长度。通过操作人机上的前进按钮控制伺服到达初始位置。到达初始位置后,高速计数值自动记忆下来当前的脉冲数,然后启动研磨。一旦发现运行电流超过正常运行的电流一定幅值后,立即将当前的高速计数值记忆下来,同时以当前的位置为中心,将幅值换算成相应的脉冲数,然后将凸点位置的脉冲加上幅值转换过的脉冲当量,再将凸点位置的脉冲减去幅值转换过的脉冲当量,所得的两个结果就是以凸点为中心前后运行的位置点。当经过反复的几次研磨后,读上来的电流恢复到正常的电流并且研磨的次数到达后,伺服将继续原来的方向寻找凸点。如果再次找到凸点则重复前面所述的动作,直到在整个工件的长度内找不到凸点为止,说明管件的研磨已经完成。伺服自动回到零点位置,停止工作。磨头上通过油压装置控制磨头的膨胀程度,该操作是因为管材不同,管壁内径尺寸也不同。通过光栅尺检测膨胀的程度,一旦到达设定的位置则断开油路,保证磨头紧贴管材内壁。
2.3 硬件系统设计
(1)硬件配置:

(2)控制框图:

(3)设备图片:

2.4 电气原理设计
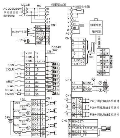
电气原理如图2所示。

图2 电气原理图
接线说明:
CN1端子排:Pin11、Pin17、Pin35短接;Pin45、Pin47、Pin49短接引出一根线。公共端接PLC的C0、C1;Pin36、Pin37、Pin41、Pin43分别引出一根线;Pin37接Y1+、Pin36接Y1-;Pin41接Y0+、Pin43接Y0-;Pin21、Pin22、Pin23、Pin25分别引出一根线,接PLC:X0+、X0-、X1+、X1-;SON:通过驱动内将2-10设成:1,伺服始终处于ON的状态。
CN2端子排:编码器
3 结束语
自动研磨机在国内仅有为数不多的生产厂家,因此该设备开发成功后,可以说在该设备上台达的机电产品占得了先机。也正因为成功的开发,使得该设备在自动化程度上大大缩小了与进口设备的差距,同时又有价格的优势,能够满足客户要求的效果。
中达电通主要为中国最具成长潜力的通信及自动化市场提供设备和服务。其主要产品和服务包括视讯设备、动力系统、宽带数据和机电自动化四个方面。中达电通的母公司为世界著名的电子制造跨国企业——台达电子集团,台达集团在江苏吴江建有规模庞大的生产基地,是全球第一大电源管理系统供货商和台达变频器、编码器、人机界面、PLC、伺服、温控器等机电产品的制造厂商。作为工控行业内的知名厂商,尤其是在国内唯一一家能将机电产品做的如此全面的制造厂家,我们通过应用自己的产品能够为各行各业的客户提供全面的解决方案。最佳的产品性价比、周到完善的全国乃至全球联保服务能够保证客户利益。中达电通的服务体系遍布全国。
(转载)



