关键词:高压变频装置;应用;层流冷却工艺
An Application of the Frequency Converter With High Voltage to the Laminar
Water Cooling System for the Hot Rolling Mill
YUE Lian——zhong
(Dept.of Spar Parts,Steel Plate Co.Ltd.Benxi Steel,Benxi,l_ixtoning,117000,China)
Abstract:The frequency converter with high voltage is a control technology which is grown up along with the electronic and computer technology based on the condition of direct control,water resistance,hydraulic coupler and silicon controlled systems.Th e paper introdueesand analyses the frequency converter with high voltage which is used in the laminar water cooling system — the follow—up technologyof the hot rolling mill.
Key words:Frequency converter with high voltage;Application;Laminar water cooling technology
层流冷却工艺是热连轧精轧后续的重要环节,对于900℃左右的热板进行冷却,以保证下道工序卷曲的顺利进行。此环节决定着板材的光滑度和表面质量、成品率、价格,应用高压变频装置是保证此环节质量的第一方案。
1 高压变频装置的工作原理
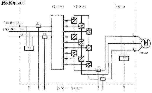
(1)原理框图

(2)装置原理
如上图,该装置是主要由变压器部分、变频器部分、控制器及输出部分等组成,直接由10KV系统供电,经装置工作后输出0—10kV电压,控制电机运行。
变压器:具有移相功能,副边绕组分为三组,采用延边三角形接法,构成48脉冲给每个功率单元供电,同时在输入侧配置检测电压和电流的器件以及温度检测器件。
变频器:是单元串联的多电平拓扑结构,使24个功率单元每8个串联构成一相,再并联组合成高压变频器。
功率单元具有旁路功能则是保证当某个功率模块发生故障时自动旁路运行,变频装置不停机,但需降额使用,即在每个功率单元输出端之间并联旁路电路,当功率单元故障时,封锁对应的功率单元IGBT的触发信号,然后让旁路的SCR导通,保证电机电流通过,仍形成回路。为保证输出的三相电压对称,在旁路故障功率单元的同时另外两相对应的两个功率单元也同时旁路。
通过每个单元输出端子的串联组成星型接法给电动机供电,并通过对每个单元的PW/Vl波形进行组合,得到dv/dt小的PWM波形。
控制器:由高速单片机和工控Pc机等元件组成,优化电机运行性能,采用无速度传感器的直接矢量控制,算法精确,逻辑合理。并且提供友好的中文WINDOWS监控和操作界面,可以实现远程监控和网络化控制。内置的PLC进行开关信号的逻辑处理,以及与现场各种操作信号和状态信号(包括DCS/RS485/Profibus/Modbus/以太网等)的协调,还可以根据现场的要求扩展开关量,保证系统的灵活性。
(3)变频器设置保护功能
变频器设置过电流、过电压、欠电压、缺相、短路、超频、失速、功率器件的过热、瞬时停电等保护。
2 应用的基本要求
层流冷却工艺对变频器设置要求有效控制水泵电机的各种运行工况,包括软起动、控制变速、定速带载运行、正常停机以及紧急停机等。
变频装置及其辅助设备,应有良好的可控性能、合理的运行操作方式及就地起停、调试和正常/事故情况下所必须的测量、控制、调节保护及报警等设施,以保证水泵的安全经济运行。
符合现场的情况包括:与水泵有关的厂用电系统接线(电源)、额定电压、额定电流、现场谐波情况等,保证变频装置能够长期安全稳定运行。
采用标准化的元件和模块化的设备设计,以适合设备使用时更换的需要。用于保护、控制、联锁与报警的部件(如PLC、中间继电器、开关、指示灯等),必须保证质量优良、准确可靠。
3 应用结果分析
结合变频装置的工作原理和应用的基本要求,通过实际运行,其运行结果如下:
(1)装置功能完善,运行稳定,安全可靠。不论是软起功能、变速控制、定速带载、正常停机、紧急停机,还是保护功能、自检功能,都由装置完成,即保证和完善了原有控制如液力偶合器控制等的功能,有较之继电保护功能更全,更灵敏。使运行更可靠更稳定。
(2)变频装置与现场实现信号无缝接口,满足生产需要。变频装置与现场接口表如下:

变频装置按照节点状态自动高速、低速按现场要求的设置运行。并且装置自带的转速测定,为现场直接提供电机的转速指示,使运行情况更直观。高精度,全范围的调速,以及完善的通讯接口,可以同控制系统进行极好的配合。
(3)装置调试简单,维护量小。由于采用矢量控制,PLC逻辑控制,变频调速装置在出厂前,已经按照工艺参数进行了编程设计和出厂调试,使得在现场只按照运行情况进行复调和复检即可,整体设备集成度高,使得维护量很小。
(4)电机实现了软起、软停、变频调速、运行全功能,变频装置提供的无谐波干扰的正弦波,减少了电机故障,延长了电机的使用寿命和维修周期。并且变频调速装置功率因数,高速时,接近于1,低速时大于95% ,而以往的液力偶合器高速时功率因数为0.84,而低速时效率和功率因数极低,功率因数有时只有0.6左右,而且调速范围达不到要求。变频软起动损耗很小,只有直接启动的1/10,每年的起动节能是非常可观的。而液力偶合器不能实现真正的软启动,虽然可以空载启动,但是在从动轴的启动过程中,能耗无法有效消除。
变频调速装置的停机率非常低,而液力偶合器在绝大多数情况下,必须停机,影响整个机组的安全运行,加大了起、停损耗,同时整体的停机损失大大增加。
(5)变频调速装置的输入输出谐波都满足国家标准,对电网和电机影响极小,起动、运行平稳、噪音小。属环保型,绿色产品。
(6)模块化设计,维护方便,具有非常强的自检功能,单元故障时,可不停机降额运行,整机故障可旁路至工频运行。完善的各种保护和自检功能,通过各种安全措施,避免了很多场合下不必要的停机所造成的损失。
(7)全中文的操作界面,操作简单,故障情况也可一目了然。
(8)高压变频调速装置节电率高达30% ~60%。以每年运行300天计,节电在1944000kwh~3888000kwh。本地区工业电价约为0.5元/kwh,则每年节电费约为97.2万元-194.4万元,相对于投资(每套系统投资约80万元)来说其效益是相当可观的。
4 结束语
高压变频调速装置在层流冷却工艺中的成功应用,以其显著的节能效果和良好的系统相应、控制品质,证明了高科技术的美好发展前景。但由于大功率晶闸管等电子器件的生产工艺在我国还不能满足要求,需原装进口,造成成本20% ~30%的增加,是我们应用者期待尽快解决的困扰。我们相信在不远的将来随着我国改革开放进程和技术革命的进步,高压变频调速系统技术将进一步完善、装置的成本也会大大降下来,以满足不同行业技术改造要求。
参考文献
[1]周志敏。周纪敏,纪爱华.变频调速系统设计与维护(M].北京:中国电力出版社,2007.
[2]徐甫荣.高压变频调速技术应用实践[M].北京:中国电力出版社,2007.
[3]张燕宾.变频调速应用实践[M].北京:机械工业出版社,2005.
[4]高压变频调速系统HARSVERT—A系列技术手册.北京:北京利德华福电气技术有限公司,2006
(转载)



