通过对直流系统一点接地引起跳闸的事故分析,提出了具体的解决方法和建议。
1、事故概况
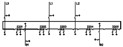
某220KV变电站采用角形接线,一次系统图如图1所示,L1、L2、L3为3条线路,B1、B2为两台变压器。事故发生时B1停运,2201、2202开关停运,220KV母线开环运行,2203、2204、2205开关运行。2003年6月16日该站2203开关三相跳闸。前盘控制屏打出L1线路保护收发信机动作、L1线路微机保护呼唤、220KV故障录波器动作信号;2203开关操作箱屏A相、B相、C相跳闸信号灯亮。L1、L2、L3线路微机保护、2204操作箱屏、2205操作箱屏无任何保护动作跳闸信息。

[图1:变电站一次接线示意图]
2、事故分析
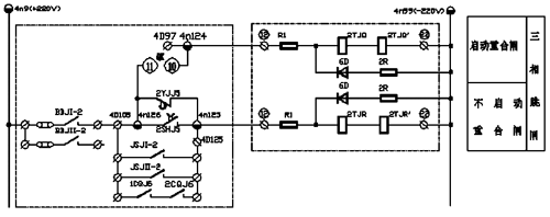
L1线路保护配置为:WXB-11A 、PSL-601A两套微机保护;操作箱屏为PXF-221型,配置有失灵保护JCSB-21D、短引线保护JCDY-21D以及FCX-22型分相操作箱,从微机保护及录波器报告中可以看出:
⑴、L1线路跳闸前电流、电压有效值分别为
IA=1.7A,IB=1.707A,IC=1.699A,3I0=0.132A
UA=60.29V,UB=61.33V,UC=60.7V,3U0=7.273V
⑵、L1线路跳闸后电流、电压有效值分别为
IA=0A,IB=0A,IC=0A,3I0=0A
UA=60.26V,UB=63.21V,UC=62.45V,3U0=7.518V
从L1线路的保护启动报告及录波器录波报告中可以看出,在系统未发生任何故障的情况下,2203开关三相跳闸。
3、事故原因
针对以上事故情况,对L1线路保护及2203操作箱屏进行了检查,主要有各装置外观检查; 2203操作箱屏与L1、L2线路保护、2202、2204操作箱屏之间跳闸电缆的绝缘检查; 2203操作箱三跳、永跳继电器的动作电压、线圈绝缘情况检查。
在检查2203开关FCX-22操作箱9#插件时发现永跳继电器2TJR继电器线圈正端对地的绝缘电阻存在绝缘不稳定情况,有瞬间接地现象,经检查,发现2TJR继电器线圈正端(靠近电阻R1侧)的引线与插件外壳有绝缘破损及轻微放电灼伤痕迹,同时现场测得2TJR、2TJR’的动作电压分别为43v和44v。

[图2:跳闸回路接线图]
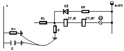
图2为正常跳闸回路图,图3为直流一点接地后的跳闸回路示意图,在图3中,R+为直流系统正极对地绝缘电阻,C为直流系统所接电缆正极对地电容以及各套静态继电保护装置的抗干扰对地电容之和,R为回路绝缘损坏处的接地电阻值,在发生直流接地时,2TJR、2TJR’线圈通过绝缘监察等回路重新分配电压,因两线圈上电压降大于其动作电压,因此2TJR、2TJR’动作开关三跳。

[图3:直流一点接地跳闸示意图]

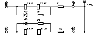
[图4:跳闸回路改进接线图]
4、防范措施
⑴图中的R1电阻是为提高2TJR、2TJR’继电器的工作电压而设定的,位置放置不妥,不能解决2TJR线圈绝缘降低而误动作的情况,依据《电力系统继电保护及安全自动装置反事故措施要点》第3.1条要求“如果用低额定电压规格的直流继电器串联电阻的方式时,串联电阻的一端应接于负电源”,改正后的的回路如图4,当然,在2TJR、2TJR’之间发生直流接地时,2TJR’仍会发生误动作,因此,对于这种采用双出口中间继电器串联的回路在设计时应重视两线圈之间发生直流接地的可能性。
⑵依据《反措》第4.1条直流绝缘监视装置必须用高内阻仪表实现,220v的高内阻不小于20kΩ,就是为了防止出口中间继电器在直流接地时发生误动作。
⑶近年来由于直流回路中电容的自放电引起出口中间继电器的误动在大型变电站显得更加突出,因此应适当提高出口中间继电器的动作电压以达到防止误动的目的。
参考文献
1 国家电力调度通信中心.电力系统继电保护规定汇编.北京:中国电力出版社,2000.
2 电力系统继电保护实用技术问答[M]北京.中国电力出版社,2000.
(转载)



