关键词:单相交流电机;失控;限位开关;时间继电器
0 引言
我单位使用的挡车器电路系统是单相交流电路,由于采用的是单相控制,单相交流电机在运行的时候存在冲顶和砸底的现象,为了杜绝此现象的发生、减少故障率,保证设备的正常运行,我们决定对控制回路进行改造。

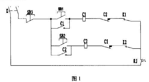
如图1所示,为原挡车器的控制原理图,其控制原理为:
在正常的情况下,按上行按钮(SB 1)或下行按钮(SB2),控制电机进行正、反方向的运行,当运行到所需要的位置时候,按停止按钮(SB3)电机停止运行,这时候挡杆就停在相应的位置。
在此控制回路存在以下缺陷,当挡车器的挡杆刚刚预停在某个位置的时候,如果瞬间按下相反方向的按钮的时候,相反方向的接触器吸合,但由于惯性和本公司采用的单相电机是电容起动电动机,旋转起来后没有固定旋转方向,由于电机没有完全停止转动,此时还会按照电机原来的方向进行运转,此时就相当于失控状态,等到达限位开关时,由于其相对的限位开关没有动作,接触器仍然吸合,电机无法停机,直到电机由于过电流停机为止,此时极易烧毁电机。
1 延时控制
为了防止此现象的发生,对原控制回路进行改动,在控制回路中加入时间控制器,更改后的控制电路如图2所示。

电路改造过程:经过分析与研讨,我们小组制定了如图2的电路改造方案,在电路中增加了时间继电器,通过时间的调整达到延时控制的目的,更改后的电路工作原理如下:
按下上行按钮(SB1)或下行按钮(SB2),控制电机进行正、反方向的运行,当运行到所需要的位置时候,按停止按钮(SB3)电机停止运行这时候挡杠就停在相应的位置。此时如果我们按下相反运行的按钮时,电机按照原来方向运转,当到达限位开关位置时,时间继电器瞬时得电,时间继电器的延时闭合常闭触头将主控制回路切断,使电机无法继续进行,当到达延时时间时候,此时电机也达到完全停止的状态,时间继电器的延时闭合常闭触点闭合,控制回路恢复正常。
2 运行回路校验与调整
通过运行试验,更改后的效果达到了预期的效果,我们又进行了时间继电器时间的调节,经过反复调整,时间继电器的时间我们调节为3秒,此时的时间对于电机停止与消除电惯性是最佳的时间。
3 结论
通过以上的电路回路的更改及对电路的调整与试验,使得控制回路更加的合理,消除了以往的电路隐患,达到了预期的效果。
参考文献:
[1]机械工程手册电机T程手册编辑委员会.电机工程手册(第二版)[M].北京:机械工业出版社,1996.
[2]电气简图用图形符号国家标准汇编[M].北京:中国标准出版社,2001
[3] 现代电工技术手册编委会,现代电工技术手册[M]。北京:中国水利出版社,2003
(转载)



