摘 要:利用LOGO!可编程继电器,对影响PTA装置生产的部分控制系统进行了改造和优化,如空压机润滑油压开关三选二控制,氮气压缩机报警指示盘的功能恢复,袋式过滤器反吹系统定时吹扫功能的实现,并详细介绍了具体实施方法及经验。LOGO!方便、简单,在氧化装置得到了充分利用,为PTA平稳生产提供了保证。
关键词:PTA;LOGO!逻辑继电器;应用
Application of LOGO!programmable logical controller to PTA plant
WANG Yong~un ,LIN Jun
(1.Postgraduate Student Department of Xihn Petroleum University,Xi,衄710065,China;
2.Chemical Fiber Plant of Ummqi Petrochemical Co.,Ummqi 830019,China)
Abstract:Some problems that have efect on the PTA plant production were modified and optimized by using the LOGO!programmable logical controller,such as the 3 select 2 control of the air compressor lubricant pressureswitch,the function recovery of the nitrogen compressor alarming indication disc,the realization of the timing blowing function of bag filter reversed blowing system.The detail measures and experiences were introduced.LOGO!programmable logical controller was convenient and simple.It was fully utilized on the PTA oxidation plan t.Smoothan dsteady running of PTA plant was guaranteed.
Key words:PTA;LOGO!logical controller;application
0 前言
我厂PTA装置1995年7月开工,随着时间的流逝,部分设备逐渐出现老化、故障率升高、备件定货来源中断等问题,给装置正常生产带来了较大困难。为解决这些问题,选用SIEMENS公司的LO—GO!可编程逻辑继电器,对PTA生产中的空压机、氮压机、袋式过滤器反吹控制系统的控制作了改造和优化。LOGO!是SIEMENS公司推出的通用逻辑模块,集成有:控制功能、操作和显示单元、电源、用于扩展模块的接口、预制的基本功能(通断延时继电器、电流脉冲继电器、软开关)、时间开关、二进制指示器、输入和输出。
1 空压机润滑油压开关三选二控制
1.1 存在的问题
空压机是化纤厂PTA装置的核心设备,其运行工作的正常与否直接影响全氧化装置的生产。若润滑油压开关误动作,则会联锁空压机停机,从而导致氧化装置停车。我厂出现过2次PSLL6684油压开关误动作联锁空压机停机,从而导致氧化装置停车,给氧化生产带来较大的损失。
1.2 解决问题的思路及方法
为避免PSLL6684油压开关误动作联锁空压机停机,又要确保实际润滑油压低时必须停机,对空压机的PSLL6684润滑油油压开关低联锁回路作了三选二改造。增加2个油压开关,在不改变联锁通道的前提下,利用LOGO!可编程继电器,编作三选二程序,从而实现PSLL6684润滑油油压开关低联锁回路三选二功能。即用3个油压开关检测润滑油油压,只有当2个以上开关动作时才输出,联锁回路启动,使空压机停止运转,确保设备不损坏。选用的是LOGO 112/24RC0可编程继电器,12/24 V供电,8个数字量输入,如下述:
Q1=I1×12+12×13+I1×13.
式中:I1为PSLL6684;12 为PSLL6684A;13为PSLL6684B。

1.3 具体实施步骤
在原PSLL6684处并接3个油压开关(PSLL6684,PSLL6684A,PSLL6684B)检测润滑油油压,将其常开接点引入盘内LOGO!可编程继电器I1,I2,I3输入端子,把输出端子Q1与原联锁回路连接,只有当2个以上开关接点动作时Q1才输出,联锁回路启动,使空压机停,确保设备不损坏。
2 氮气压缩机报警指示盘的功能
2.1 存在的问题
PTA装置氮气压缩机C一830A/B是提供氮气的,在氧化反应器D1.301紧急停车时,为氧化反应器D1—301和第一TA结晶器D1-401提供2 h的惰性气体;在开车和反应器处于“保持”状态时,装置也需要间歇使用高压惰性气体,以保证反应器的安全。2005年l1月12日开工时,报警指示盘TOSHIBA的PLC(型号:PROSEC EX M40/20)出现电源故障,修复电源后又发现其CPU不能运行,造成该PLC彻底报废,由于没有备件,报警指示盘彻底瘫痪,使操作人员不能对压缩机运行的正常与否进行监控,给工作人员带来极大不便,出现故障更是无从判断。
2.2 解决问题的思路及方法
为了确保氧化装置氮气压缩机C一830A/B的正常运转,不影响氧化装置的生产,组织力量对氮气压缩机C-830A/B的报警指示盘做了改造,利用5个sI—EMENS的可编程继电器LOGO!,按照工艺生产要求自行编程、安装、调试。经过实验和工艺人员确认,完全符合原设计要求,为氧化装置生产的安全、平稳、高效奠定了基础。整个系统共包括输入点24个,输出点21个,部分示例如:
SUMPER HEATER油槽加热器、COMP.RUN—NING压缩机运行、MOTOR HIGH TEMP马达温度高、LOW OIL PRESSURE油压低、HIGH OIL TEMP油温高、HIGH TEMP SUCTION DAMPER空吸阻尼器温度高、HIGH TEMP DISCHARGE DAMPER排出阻尼器温度高、HIGH GAS TEMP气体温度高、LOW GASPRESSuRE气体压力低、Low OIL PREPRESSuRE预油压低、HIGH GAS SYS,REM PRESSURE气体系统压力高、LAMP TEST灯试、ACKNOWLEDGE确认。

2.3 具体实施步骤
利用5个SIEMENS的可编程继电器编程,实现氮气压缩机C一830A/B现场加热器、电机的运行状态、温度和压力的报警指示灯闪烁,确认后指示灯长亮,复位后指示灯灭以及灯试等功能,安装方便又快捷,效果良好。
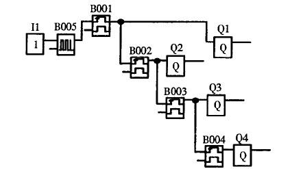
3 袋式过滤器反吹系统定时吹扫功能
3.1 存在的问题
袋式过滤器是回收PTA粉尘的,PTA被惰性气体送人储罐后,气体和粉尘分离,气体排放人大气,粉尘落人储罐。但是由于惯性扩张,接触阻留,静电等综合作用,粉尘堆积在顶部,会造成尾气排放不畅,致使罐内压力过大;另外,气体还会带出PTA粉尘进人大气,造成环境污染,所以,顶部过滤器的反吹系统是极其重要的。原设计利用单板机控制,对过滤器滤袋通过8个反吹管线进行自动定时吹扫。吹扫后的PTA粉尘重新回到储罐,气送尾气也能顺利排出,之后出料,打包,保护周围的大气环境。但是,在2006年3月,由于其反吹系统KC板处理器烧坏,且厂家已经停止生产该产品,使得该系统瘫痪。要尽快解决问题,还要节省资金,为此,利用现有的LOGO!可编程继电器对它进行技术改造,保证装置的平稳运行。
3.2 解决问题的思路及方法
为了让PI一1903A袋式过滤器反吹系统稳定运行,利用LOGO!可编程继电器编程来代替以前的KC板,系统保持原有的功能。
1个输入,4个输出;I1:电源及启动输入;Q1,Q2,Q3,Q4:控制反吹系统电磁阀。

3.3 具体实施步骤
利用电源供电作为系统启动条件,驱动一个异步脉冲发生器,依次驱动4个上升沿延时继电器,使4个电磁阀通过中间继电器驱动循环动作吹扫袋式过滤器。
4 结论
所有技术改造后,设备运行正常,为氧化生产安、稳、长、满、优,减少装置非计划停工提供了保障。为装置安全操作创造了良好的条件。可编程逻辑继电器LOGO!在装置实际中的应用,有以下优点:
(1)没有操作单元,价格低廉;(2)较通常的硬件要求更小的机柜空间;(3)较独立的硬件设备更为灵活和经济;(4)可替代2—3个常规的开关装置;(5)可通过LOGO!软件读取数据和编程。
(转载)



