摘要: 使用西门子MM430系列变频器控制一台变量泵两台工频泵实现恒压供水控制。两台工频泵的运行/停止由变频器输出端子实现控制。
关键词:变量泵 工频泵 无扰动切换 循环运行。
一:控制对象:
三台45KW清水泵电机。
二:设备参数:
变量泵使用变频器MM430-45KW 控制运行,另两台工频泵采用西门子3RW30软启动器 控制启/停。
三:控制原理:
西门子变频器控制1#变量泵与管道压力变送器构成闭环控制系统,当变频器运行到全速而反馈压力仍达不到设定值时,变频器首先降速到频率设定值,同时内部1#继电器动作触发2#泵软启动器开始运行工频泵,投入2#工频泵运行。这时变频提速,寻找恒压点完成第一级无扰动切换。又当变频器运行到全速时反馈压力仍达不到设定值时,先降速后内部2#继电器动作触发3#软启动投入3#工频泵。当变频器运行到低速而监测达到压力设定时,在切除工频泵之前,变频首先提速后,再将先投入的工频泵切除。工频泵的投切分级循环方式可定义。
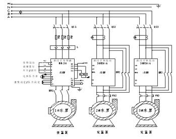
四:系统构成:
变频控制系统原理
变频器接口图:

五、变频控制柜技术参数及性能特点:
1.主要技术参数:
(1)主回路电源:三相五线制。380V+10%。
(2)控制回路电压:220V
2.系统性能特点:
(1)具备2#/3#泵运行方式选择开关:实现由变频器联动控制,或单独用手动方式软启运行。
(2)1#变量泵始终变频器控制,运行于自动恒压供水方式下。2#/3#两台定量泵工作循环方式通过变频器相应的参数进行定义。无扰动切换方式使工频泵投/切过程中对系统水压冲击最小。
七:变频器的主要调试参数:

七.现场应用照片:

八.应用体会:
使用西门子MM430变频器组成一控三台运行方式,其变频器内部供水软件应用灵活运行可靠。
参考文献:
1、西门子变频器MM440使用大全。
(转载)



