一、抽油机方案
抽油机是利用交流异步电动机通过皮带轮驱动抽油机架上减速传动装置,牵动柱塞泵中活塞往复运动,将渗透到柱塞中的原油提取出来。其出油产量取决于柱塞泵的冲次数、渗透情况、漏失时间以及井下环境等因数。以往电机恒速运行,上下冲程时间基本相当。对于一些渗透情况较差的油井,如上下冲程时间相等,则其柱塞中液体的饱和度较小,上升时间过长,漏失时间大,严重影响产量,增加电耗;另一方面,由于抽油机的配重不平衡,往复过程中势能将以再生反电势的形式冲击电网,构成内耗,污染电网,不利于电网的使用。因此原先采用变换电机主动轮的直径来调节冲程的方法使用面非常窄,基于以上原因,我们采用变频调速技术,依据油井的实际需求改变变频器的输出频率,调节抽油机的冲程次数,改变上下冲程时间,使设备运行于较佳的参数设置下,并以此达到增产节能的效果。
具体方法:将主动轮直径选到可调节的最大值,此时冲程次数已超过正常生产所允许的范围,通过降低变频器的输出频率,使磕头机运行于正常生产的冲程次数,运行频率将小于50HZ,并因此获得节能效果;在每一个冲程中,在柱塞下降的过程中,可减缓下降速度,以便提高渗透时间,使柱塞管道中渗满液体,在柱塞上升过程中,提高上升速度,减小漏失时间,增加出油量,提高效率。
我们通过设定变频器的运行频率可获得相应的抽油机冲次数和上升、下降时间。变频器运行频率的变化速度可调节变频器加减速时间,因一个冲程时间较短,可将加速时间设为2秒,减速时间设为2秒。
另外由于配重块的不平衡,在往复运动中,电机产生反向电势,反电势经逆变单元反加至滤波电容两端,变频器直流侧电压将上升,为避免变频器过电压保护,因此要求依据变频器功率型号在直流侧加装配套的回馈单元,制动单元与制动电阻,安装回馈单元和制动单元后,变频器直流母线电压上升到回馈单元设定值时(回馈单元设定值<制动单元设定值),先通过回馈单元将电能返回电网,如果变频器直流母线电压上升到制动单元设定值时,再通过制动单元和制动电阻释放,由制动电阻将多余能量吸收,但如回馈单元设定值和制动单元设定值设置不当,制动单元与制动电阻吸收过多的能量对于节能运行是不利的。
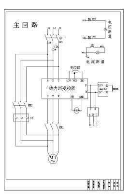
由于抽油机较多处于野外,因此为了保证设备可靠性,要求变频器在检修或损坏时抽油机可切换到工频运行,所以加设工频、变频切换装置及故障显示。
(具体电路和柜体图见下图):

图一、抽油机主回路

图二、抽油机控制回路

图三、抽油机控制柜
(转载)



