如果不平衡有功电流相当于AB相之间跨接一电阻,且电流为I,那么校正这个不平衡电流的方法是在BC相之间接入一电容,选择电容量使其电流为0.58I,在AC相之间接入一电感,选择电感量使其电流为0.58I,于是不平衡电流消失。如果不平衡电流相当于A相与中线之间跨接一电阻且电流为I,那么校正这个不平衡电流的方法是在AB相之间接入一电容,选择电容量使其电流为0.67I,在AC相之间接入一电感,选择电感量使其电流为0.67I,在B相与中线之间接入一电感,选择电感量使其电流为0.58I,在C相与中线之间接入一电容,选择电容量使其电流为0.58I,于是不平衡电流消失。如果不平衡电流相当于不只一个电阻,那么可以分别按各个电阻为准计算出所需的补偿量,然后利用迭加原理进行计算即可。
下面举例说明一下。
设有一用电系统如图1所示:

这是一个电阻性负荷跨接于两相之间的例子,对于这样的负荷状态,使有功负荷平均分配于三相之间的方法示于图2。

在A相与C相之间跨接一个电感,选择电感量为22Kvar,在B相与C相之间跨接一个电容,选择电容量为22Kvar。于是三相的功率因数均变成1,并且有功功率被平均分配到了三相之间。
设另一用电系统如图3所示:

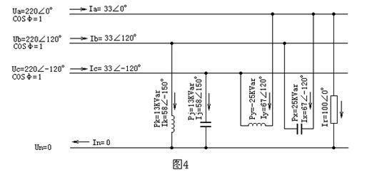
这是一个典型的单相电阻性负荷的例子,对于这样的负荷状态,要使有功负荷平均分配于三相之间的方法见图4。

在A相与B相之间跨接一个电容,选择电容量为25Kvar,在A相与C相之间跨接一个电感,选择电感量为25Kvar,在C相与零线之间跨接一个电容,选择电容量为13Kvar,在B相与零线之间跨接一个电感,选择电感量为13Kvar,于是三相的功率因数均变成1,并且有功功率被平均分配到了三相之间。
但是上述的调整不平衡电流的方法也带来一个问题,就是需要使用电感。在调整不平衡电流的装置里安装大量的电感是一件很麻烦的事情,电感又大又重,成本很高,损耗较大。
所幸的是,在实际的系统中,往往拥有大量的感性负荷,正是因为这些感性负荷的存在,才需要进行功率因数补偿。而负荷中的电感正好可以为我们所利用。理论分析与现场实验均表明:只要恰当地选择电容器的接法,就可以达到即补偿功率因数又调整不平衡电流的目的。
下面举一例说明如何连接电容器来达到即补偿功率因数又调整不平衡电流的目的。
设有一用电系统如图5所示:

这是一个功率因数很低且三相严重不平衡的例子,三相的功率因数均为0.71。C相电流比A相电流大一倍。在这个例子里,由于负荷含有足够多的电感,因此只要恰当地投入电容器,就可以使三相的功率因数均为1,并且三相电流平衡。电容器的接法如图6所示。

由图6中的数据可知,补偿电容器的总容量恰好等于负荷中的电感总容量,只是由于恰当地选择了电容器的接法,从而使三相的电流平衡,并且三相的功率因数均等于1,零线没有电流。
当供电系统中的感性负荷较少,而三相电流不平衡又比较严重时,如果不附加电感,有可能校正之后三相电流不会完全平衡,但只要需要补偿,就总有办法使不平衡程度有所减轻,对供电系统仍然是有利的。
(转载)



