一、 引言
门窗试验机应用于工厂、建筑工程质量检验站、建筑公司、产品质量检验所、科研院所等的生产检验、开发研究等,目前的门窗试验机普遍存在着效率低、能耗大、噪音大、生产工艺复杂等缺点。2002年4月国家质量监督局发布了新标准,GB/T 7106---2002 《建筑外窗抗风压性能分级及检测方法》、GB/T 7107---2002 《建筑外窗气密性能分级及检测方法》、GB/T 7108---2002 《建筑外窗水密性能分级及检测方法》并于2002年12月1日开始实施。
针对门窗试验机要求, 次此我们采用高性能通用性SV300变频器。
二、 门窗试验机的风压控制技术要求及工作原理
微机控制门窗试验机由微机、具有可编程功能的SV300变频器,交流电动机,鼓风机,静压箱,传感器等组成,配有风机压力控制专用软件。上位微机主要完成数据处理、图形处理、数据管理、控制试验过程。风压控制由SV300变频器直接控制风机转速达到控制风压。
国家标准要求:
预备加正负压检测 .要求每段保持±500Pa压力时间为3秒。上升斜率为100Pa/S。下降时间不小于1秒。
气密性检测正负压检测,压力分别为±10Pa、±50Pa、±100Pa、±150Pa、±100Pa、±50Pa、±10Pa,每个台阶保持时间为10秒。
水密性稳定检测 压力分别为100Pa、150Pa、200Pa、250Pa、300Pa、350Pa、400Pa、500Pa、600Pa、700Pa、800Pa、900Pa每个台阶保持时间为5分钟。
水密性波动检测 压力分别为50Pa--150Pa、70Pa--230Pa、100Pa--300Pa、120Pa--380Pa、150Pa--450Pa、170Pa--530Pa、200Pa--600Pa、250Pa--750Pa、300Pa--900Pa、350Pa--1050Pa、400Pa--1200Pa、450Pa--1350Pa每个可变台阶保持时间为5分钟。在每个可变台阶保持时间5分钟内,压力在本台阶的上下限间波动周期为3~5s/每次。
抗风压正负压检测 压力分别为±250Pa、±500Pa、±750Pa、±1000Pa、±1250Pa、±1500Pa、±1750Pa、±2000Pa每个台阶保持时间为10秒。
三、 SV300变频器应用在门窗试验机的风压控制系统上
由于控制系统要求多段风压控制,控制时必须采用闭环控制,普通变频器只有八段速控制,达不到要求,只能采用传统的风阀控制方法,缺点是噪音大、耗能。而SV300变频器具有可编程功能,可用梯形图编程工具SV300-Driverlink, SV300-Driverlink是一个符合IEC1131-3标准的编程工具,它可以用来设计SV300的控制逻辑和参数。SV300-Driverlink可以创建参数,故障信息和其他与应用相关的特性。编写其专用程序,用变频器直接控制风机,达到控制风压要求。系统控制模式通过编程实现,变频器具有一个标准模拟电流输入端,六个开关量输入端,一个模拟量输出端,两个继电器输出端。
风压检测采用输出为4mA~20mA电流信号的压力传感器,为提高精度,选用±6000Pa, 0~1500Pa, ±600Pa三块压力传感器。预备加压正负压检测, 气密性检测正负压检测采用±600Pa 压力传感器。水密性稳定检测和水密性波动检测采用0~1500Pa压力传感器。抗风压正负压检测采用±6000Pa 压力传感器。风压设定通过变频器的S2,S4,S5,S6开关量输入端设定,四个开关量可确定16个工作模式,每种工作模式对应一种压力检测。每种压力检测的压力设定和工作时间由变频器编程实现。
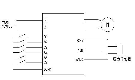
变频器输入信号设置

如图1,变频器输入端子接线图,由变频器+24V电源给压力传感器供电,传感器输出电流4mA-20mA送给变频器的AIN+端子,AGND端子接+24V的地,传感器输入电流构成回路。S1端子接变频器启动/停止开关Start,控制变频器启动停止。S2、S6 、S5、 S4 端子分别接控制模式开关K8 K4 K2 K1。S3端子接开关K,用于在检测中跨过当前检测段。L1 L2 L3 为交流三相380V电源输入端。P ,PR 连接制动电阻。U V W 连接三相交流电动机。把风压控制设置成12个控制模式,对应于风压控制要求。为检测变频器是否正常工作,设置控制模式12,开环固定频率输出。为对压力表校正设置控制模式15。各模式功能和采用压力表如下:
控制模式0:预备加正压检测 . 采用±600Pa表(4~20mA)压力信号。
控制模式1:预备加负压检测 采用±600Pa表(4~20mA)压力信号。
控制模式2:气密性检测正压检测 采用±600Pa表(4~20mA)压力信号。
控制模式3:气密性检测负压检测 采用±600Pa表(4~20mA)压力信号。
控制模式4:水密性稳定检测 采用1500Pa表(4~20mA)压力信号。
控制模式5:水密性波动检测 采用1500Pa表(4~20mA)压力信号。
控制模式6:抗风压正压检测 采用±6kPa表(4~20mA)压力信号。
控制模式7:抗风压负压检测 采用±6kPa表(4~20mA)压力信号。
控制模式8:重复检测正压检测 采用±6kPa表(4~20mA)压力信号。
控制模式9:重复检测负压检测 采用±6kPa表(4~20mA)压力信号。
控制模式10:定级检测正压检测 采用±6kPa表(4~20mA)压力信号。
控制模式11:定级检测负压检测 采用±6kPa表(4~20mA)压力信号。
控制模式12:固定频率输出。
控制模式15:压力表校正。
实验调试结果分析
水密性稳定检测实际压力曲线 , 压力稳定误差小于5%,
四、 结论
本系统充分利用了SV300变频器具有可编程功能。实现了其它普通变频器无法实现的功能。本系统如下优点:
1 人机界面友好,生产安装方便,操作简单
试验机系统由微机控制,在控制界面上有各种控制运行按钮和显示指示灯,操作简单。风压控制采用变频器,大量减少了过去试验机上使用的继电器、接触器,简化了生产过程,提高了生产效率,系统成本低具有优良的性价比。同时具有良好的人机界面。
2 运行安全,性能可靠
试验机系统具有自动和手动两种控制方式,控制系统具有自检功能和传感器校正功能。增加了系统可靠性,控制精度高。
3 高效节能,减小噪音
采用变频器控制风压,缩短了工作周期,同时在需要小风压时,变频器输出频率低,控制系统节电效果明显,大大降低了风机的噪音。改善了工作环境。
(转载)



