摘要:
分离机械的驱动电机一般分为单电机驱动和多电机驱动两种,本文将主要介绍ACS550变频器在作为单电机驱动的典型案例三足式离心机的应用和作为多电机取得驱动的典型案例卧螺离心机的应用。
关键字:变频器;分离机械
1、前言
分离机械是将液体与固体颗粒混合物进行分离的设备,主要分为离心机、分离机、压滤机、滤油器、过滤器等设备。分离机械一般是工艺流程中的后处理设备,所以直接关系到最终产品的质量。从整体上看,我国分离机械技术水平与国外先进水平相比存在较大差距。主要表现在:分离机械品种、规格少,不能完全满足国内生产需要,特别是分离物料粘度大、精度细的机械,效率高、生产能力大、自动化程度高的分离机械绝大多数依赖进口;分离机理和应用技术研究落后,新产品开发速度慢;制造工艺落后,生产效率低,产品可靠性、稳定性较差,技术水平和自动化水平较低;配套设备和材料不能满足分离机械产品生产的需要,尤其是产品的质量、可靠性很不稳定。
从分离机械的发展来看,数字交流变频器将替代原来的电磁调速、直流调速、液力偶合调速、多速电机,而逐步成为分离机械的主要驱动装置。本文将介绍的是ABB公司的新品ACS550变频器在分离机械的设计和应用。
ACS550是ABB公司最新推出的智能性变频器,该系列变频器用于0.75KW~355KW低压交流传动。它能精确地控制速度和转矩,能匹配现有的标准鼠笼异步电动机。ACS550具有三种控制方式,即标量V/F控制、无传感器矢量控制、转矩控制,所以该款变频器不仅能够适合于最简单的电机运转,同时也可以应用在复杂的工作场合。其可靠的过载能力设计,也可以同时满足普通负载和重载工作。
分离机械的驱动电机一般分为单电机驱动和多电机驱动两种,本文将主要介绍ACS550变频器在作为单电机驱动的典型案例三足式离心机的应用和作为多电机取得驱动的典型案例卧螺离心机的应用。
2、变频器在三足式离心机中的应用
三足式离心机是一种结构简单、对物料的适应性很强、应用面最广的立式离心机。分沉降型和过滤型两大类。应用最多的是过滤型三足式离心机。它即能适于分离粒径仅为数微米的细颗粒,也能用于成件物品的脱液。通过调整各操作工序的延续时间,可用于分离过滤难易程度不同的各种悬浮液,通过调节滤饼的洗涤时间,可以满足不同的洗涤要求。这种机型主要适用于中小型的生产规模,但由于有上述很多长处,所以广泛应用于制药、化工、轻工、纺织、食品、机械制造等工业部门。
在本应用中,变频器驱动的是离心机的转鼓,启动平稳,分离因数可调;彻底克服了传统直流碳刷式离心机噪音大、故障率高、使用寿命短、转速不稳定等缺点,是重力沉降分离设备更新换代产品。交流变频离心机在减震系统和变频电机等几项重要指标上具有鲜明的特色和独创性。常见的三足式离心机的单机驱动功率在3KW与55KW之间,ACS550完全可以胜任。
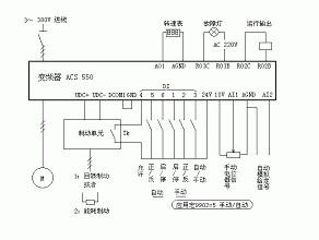
一 ACS550在三足式离心机中的应用原理
图一为ACS550变频器的原理,在其外围线路中,主要分三个部分:
(1)直流母线UDC+、UDC-端接制动单+、—端,然后根据不同的选择(如回馈制动接电网三相、能耗制动则接制动电阻),Tk为制动单元的内部继电器,当本单元出现故障时,Tk动作,通过变频器的端子DI4定义,瞬间封锁U/V/W输出。
(2)控制回路输入、输出端子中,采用宏9902=5的定义
DI1:手动/自动起动/ 停车 ( 手动): 得电起动
DI2:正转/ 反转( 手动): 得电转向为反转
DI3:EXT1/EXT2 选择: 得电选择自动控制
DI4:运行允许: 一旦断开变频器将停车
DI5:正转/ 反转( 自动): 得电转向为反转
DI6:起动/ 停车 ( 自动): 得电起动
AI1:外部速度给定 1: 0…10 V ( 手动控制,电位器、参考电压 10 VDC )
AI2:外部速度给定 2: 0…20 mA ( 自动控制,参考信号: 0…20 mA )
AI1:外部速度给定 1: 0…10 V ( 手动控制,参考电压 10 VDC )
AI2:外部速度给定 2: 0…20 mA ( 自动控制,参考信号: 0…20 mA )
RO2C/2B:继电输出2, 可编程(默认动作:运行)
RO3C/3B:继电输出3, 可编程(默认动作:故障)
AO1:直流数显仪(频率或转速指示)
离心机使用变频器时,制动方式应优先考虑向电网回馈能量的再生制动,电能回馈制动是将制动的能量反馈回电网再利用,从节能的角度来看,是一种最好的方式,而且没有热量产生,非常适合安装在易燃场合(因为能耗制动会有大量热量产生)。在不宜采用这种再生制动装置的地方,如有电网谐波要求(因为一般的能量回馈制动单元谐波系数不尽理想),应安装足够容量的制动电阻器,并采取散热措施;当然在非易燃场合,从节省一次性安装成本考虑,也大都采用能耗制动。
一般的能耗制动单元都具有如下的基本功能:
(1)参数设定
动作电压设定:通过拨码开关可以设定动作电压设定值660V或710V(进线为380V级)。
制动使用率:通过拨码开关可以设定制动单元的工作使用率,一般的能耗制动单元默认值为10%,但由于系统对制动要求的不同,可以设置不同的制动率,最大到100%。
(2)状态结点
模块异常:当直流回路发生短路、过载或IGBT模块损坏时制动单元报警,故障继电器Tk动作。
散热器过热:制动单元散热器过热报警,故障继电器Tk动作。
制动单元运行正常时,Tk闭合,变频器处于使能状态可以正常工作;遇故障动作时,Tk打开,通过对变频器输入端子DI4的定义,,即可瞬间封锁U/V/W输出,起到保护作用。
对于直接回馈制动,目前已经有了成熟的产品,但造价普遍高出能耗制动的几倍。在实现变频器的直流回路与进线电网电源间的双向能量传递,一种最有效的办法就是采用有源逆变技术:即将再生电能逆变为与电网同频率同相位的交流电回送电网,从而实现制动,它采用了电流追踪型PWM整流器,这样就容易实现功率的双向流动,且具有很快的动态响应速度。同时,这样的拓扑结构使得我们能够完全控制交流侧和直流侧之间的无功和有功的交换。当然不同的产品有不同的控制方式,我们必须同时注意到功率因数、谐波分量、输出相位等。
3、ABB变频器在卧螺离心机上的应用
卧式螺旋卸料沉降离心机(简称卧螺离心机)广泛应用于石油、化工、冶金、医药、食品、轻工等部门。即可用于固体脱水和分级,也可用于液体的澄清,在离心机领域占有重要地位。由于这种离心机具有单机处理能力大、操作方便、能连续自动操作、劳动强度低、占地面积少以及维护费用低等优点,所以自五十年代以来,螺旋离心机在污泥脱水中得到广泛应用,逐渐取代其他脱水机械成为大型城市污水处理厂污泥脱水的首选设备。悬浮液通过在螺旋输送器中心的进料管进入高速旋转转鼓内,由于离心力的作用,较重或较大的颗粒被抛向旋转的转鼓内壁,通过螺旋小端的喷射孔喷出转鼓,而较轻的固体颗粒及液相通过转鼓大头的溢流孔溢出转鼓。悬浮液由一台可实现无级调速的螺杆泵进料。
从发展趋势看,卧螺的传动已经从能耗严重的涡流制动发展到目前最主流的双电机双变频驱动。如图二所示,典型的卧螺离心机中有两个传动轴:一个轴带动筒体转动、另一轴带动筒轴转动,两者的转速需要精确的配合。变频矢量控制针对不同液体浓度自动适应负载变化,高效可靠的完成离心分离过程。具体的分离控制功能则被集成在PLC离心机控制软件中。从接线方式看,交流电网接到主变频器的进线端,两变频器的直流母线直接并联辅机传动变频器并不直接接驳进线380V,这样就可以方便而可靠地实现能量共享。在正常运行情况下,辅机都是处在发电状态,主电机则是在电动状态,辅机发电导致母线电压泵升,然后通过母线互联,将泵升电压消耗在主机上,从而减少了从电网吸纳的电能,起到了节能的作用。
在本方案中,由于辅机传动电机需要的无功励磁电流和副电机偶尔作为电动机运行(例如启动阶段和加减速过渡过程)时的有功电流都要由主变频器提供,因此,选取主变频器的功率时应予以考虑进线整流桥的容量,必须保证通过电流为两电机电动电流之和。本设计方案的特点是电路简单,不需要调试,动作可靠性极高。本离心机控制的特点:(1)离心机速度的矢量控制方式保证了速度控制的正确性;(2)可以使用公共直流母线;(3)速度差控制,取消了编码器,而采用开环的无传感器矢量控制可以解决昂贵的带编码器的反馈控制方案;(4)筒轴传动的负载补偿。
综合看来,卧螺离心机的变频应用具有以下特点:
(1)节能:共母线双电机双变频器驱动在卧螺离心机上广泛应用,即主、副电机各用一台普通变频器驱动,其直流母线用适当的方式并接,较好的解决了这个问题,在能源日益紧缺的今天,有特别重要的意义。现代离心机螺旋与转鼓之间的速差可以根据进料的变化自动调节,变频调速相对于涡流制动和液力耦合制动来说对电能的利用率高,在耗能方面比较节省。
(2)动态响应快:差转速调节过程从PID调节器的数分钟减小为变频无传感器矢量控制的数秒钟,速差调节精确(甚至可以达到±0.05转/分),从而大大提高了卸料物中干物质含量(以处理污泥而言在2%左右)。
(3)转矩控制功能:利用ACS550的转矩控制可以非常容易实现速度与转矩切换,并处理突发事件造成的转鼓内物料的堆积,从而提高工作效率。采用ACS550的离心机其有效扭矩更大,最小持续扭矩为5,000Nm,瞬间负载扭矩可达27,000Nm。
图二 ACS550在卧螺离心机中的应用
4、结束语
本文从常用的两种分离机械设备的变频使用情况出发,阐述了ACS550变频器的具体应用原理。根据我国分离机械的发展趋势看,变频调速的离心机将会有更广阔的市场。
参考文献
1、潘芝渭 《电涡流制动器在卧螺离心机差转速定值控制中的应用》.化工机械.1998(6)
2、郑芳顺 《分离机械行业调整改造与发展导向性研究意见》.通用机械.2003(9)
3、李方园 《浅谈负载发电和变频制动的方式》电工技术杂志2003(7)
(转载)



