摘 要:通过讨论台达PLC的键盘输入功能和人机界面在组合开关中的应用,介绍基于台达机电技术的防爆控制系统解决方案。
关键字:防爆 PLC 4行4列键盘 人机界面
1 引言
矿用隔爆兼本质安全型六回路电磁起动器简称矿用组合开关。矿用组合开关在含有爆炸性危险气体(甲烷)和煤尘的矿井环境,用于额定电压为1140V或660V供电线路的单台或多台(不超过六台)三相鼠笼式异步电动机起动停止进行控制和保护。矿用组合开关是性能可靠、抗干扰能力强、操作方便、人机界面良好的智能化矿用电机专用监控系统,矿用组合开关具有至少一组处于电源与负荷之间的主隔离开关组及一组辅助隔离开关组,每组主隔离开关组包括主隔离开关、真空接触器、漏电闭锁检测、电压互感器及电流互感器,辅助隔离开关组包括辅助隔离开关、电源变压器、滤波器、隔离变压器及电源模块,还具有数据处理模块、显示模块、控制模块及先导模块。智能矿用组合开关产品如图1所示。

图1 智能矿用组合开关
2 系统解决方案
2.1 硬件配置
基于PLC系统的矿用组合开关控制系统硬件组成如表1所示。
|
名称 |
厂家 |
型号 |
数量 |
|
PLC |
西门子 |
S7-200 |
1 |
|
PLC |
台达 |
DVP12SA11T |
1 |
|
人机 |
台达 |
DOPA10THTD1 |
1 |
2.2 系统原理
(1)系统架构。系统由主辅两套PLC和台达触摸屏构成人机操作界面。台达10.4' 高亮度 TFT LCD触摸屏DOPA10THTD1的3组串行通讯端口,具有同时连接不同的通讯格式控制器能力,本案同时接入两台不同品牌的PLC,构成异构集成自动化系统,如图2所示。

图2 系统架构
(2)主控制器。组合开关保护与主控制系统采用德国西门子S7-200 系列PLC, 实现系统监测监控,并完成漏电闭锁、过载、短路、断相、欠压和过压等保护功能,具有智能化程度高、性能稳定、动作可靠等优点。
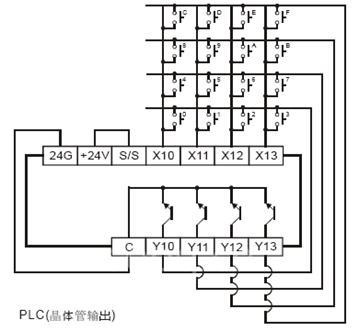
(3)辅控制器。组合开关的防爆现场数据输入是本案采用双PLC架构的原因。由于防爆现场不允许安装非防爆电器,因此必须设计防爆人机单元。考虑智能组合开关的数据输入要求,选用4*4防爆矩阵键盘,如图3所示。

图3 4*4矩阵防爆键盘
键盘的数据读入选用台达DVP12SA11T小型PLC,利用矩阵驱动原理的PLC键盘数据读入电路原理如图4所示。

图 4 PLC键盘数据输入原理
数据显示画面案例如图5所示。
图5 数据显示画面
2.3监控功能设计
(1)采用台达全中文液晶显示屏,配合台达小型PLC,实现对组合开关的工作状态、参数和故障类型显示和记忆,并可对具体参数进行修改调整,友好的用户界面,具有良好的人机对话功能,可大大提高判断故障和排除故障的效率。
(2)所有模拟信号全部处理为数字信号,具有抗干扰能力强、接线简捷、信息量大、控制可靠准确等特点。
(3)具有完备的自检、自诊断和故障模拟试验功能,可方便地检查保护和控制系统正常与否。
2.4 技术指标设计
该组合开关,充分考虑煤矿井下的工作环境,集机械制造、自动化、测控技术与仪器仪表、计算机应用科学技术等学科于一身,其主要技术指标如下:
(1)电压等级:1140/660V;频率为:50Hz
(2)总额定电流:800A、1200A,单台工作电流可达到400A
(3)电流整定范围:30-399A
(4)漏电闭锁保护:附加直流检测,1140V-40kΩ、660V-22kΩ。
(5)先导控制(本质安全控制):Igmax<10mA,Idmax<15mA。
(6)过载保护:反时限。
(7)短路保护:鉴幅式(7-10倍),机敏(3-5倍)。
(8)断相保护:负序检测,定时限;
(9)控制方式:单机单速、单机双速、双机双速、程序控制等多种控制方式。
3 结束语
此组合开关应用案例,体现了台达触摸屏强大的通讯、人机交互功能,以及PLC独特的键盘输入应用特点,大大提高了触摸屏在井下防爆中的应用,替代了以往常规触摸屏只能显示记忆的缺点,在提高劳动生产率,保障井下安全生产的同时,也展示了台达产品的特色。
(转载)



