摘要:备用电源自投装置主要用于110 kV以下的中低压配电系统中,该文简要阐述了备用电源自投的一般接线方案和运行方式,并讨论了备用电源自投装置应遵守的原则,从而保证电网可靠稳定运行。
中图分类号:TM762.1 文献标志码:B 文章编号:1003-0867(2006)06-0027-02
随着用户对供电可靠性要求的提高,备用电源自投得到了广泛应用,电力部门对备用电源自投装置寄以很高的期望值。现对备用电源自投的接线方案和原则进行讨论。
1 备用电源自投的一次接线方案
备用电源自投装置主要用于110 kV以下的中低压配电系统中,因此其主接线方案是根据我国电站、厂用电及中低压变电所主要一次接线方案设计的,其一次接线方案主要有如下3种,每种接线方案中又有几种运行方式。
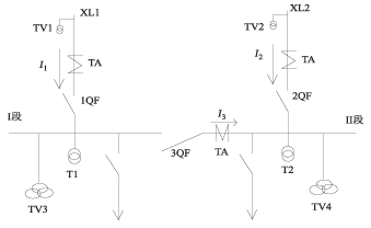
1.1 低压母线分段断路器自投方案
低压母线分段断路器自投方案的主接线如图1所示:

图1 低压母分段断路器自投方案
由图1中可以看出,当1#主变、2#主变同时运行,而3QF断开时,一次系统中1#和2#主变互为备用电源,此方案有两种运行方式。
自投方式1。当1#主变故障,保护跳开1QF,或者1#主变高压侧失压,均引起Ⅰ段母线失压,I1无电流,Ⅱ段母线有电压,即跳开1QF,合上3QF。自投条件是Ⅰ段母线失压、I1无电流、Ⅱ段母线有电压、1QF确实已跳开。检查I1无电流是为了防止Ⅰ段母线电压互感器二次电压三相断线引起的误投。
自投方式2。当发生与上述自投方式1相类似的原因,Ⅱ段母线失压、I2无电流并Ⅰ段母线有电压时,即跳开2QF,合上3QF。自投条件是Ⅱ段母线失压、I2无电流、Ⅰ段母线有电压、2QF确实已跳开。
1.2 内桥断路器的自投方案
内桥断路器的自投方案的主接线如图2所示。

图2 内桥断路器自投方案主接线图
由图2中可以看出,当XL1进线带Ⅰ、Ⅱ段运行,即1QF、3QF在合位,2QF在分位时,XL2是备用电源(方式1)或XL2进线带Ⅰ、Ⅱ段运行,即2QF、3QF在合位,1QF在分位时,XL1是备用电源(方式2)。显然这两种接线方案是热备用接线方案。热备用方案方式1(方式2)自投条件是:Ⅰ(Ⅱ)段母线失压、I1(I2)无电流、XL2(XL1)线路有电压、1QF(2QF)确实已跳开时合2QF(1QF)。
如果两段母线分列运行,即内桥3QF在分位,而1QF、2QF在合位,称为方式3和方式4,这时XL1和XL2成为互为备用电源,此种备用方案与低压母线分段断路器自投方案及其运行方式(方式1和方式2)完全相同。
1.3 线路备用自投方案
线路备用自投方案接线如图3所示。

图3 线路备用自投方案接线图
该接线为单母线分段,一般在农网配电系统、小型化变电所或在厂用电系统中使用,图3所示的备用自投方案接线是热备用接线。XL1和XL2中只有一个断路器在分位,另一个在合位,因此当母线失压,备用线路有压,并I1(I2)无电流时,即可跳开1QF(2QF),合上2QF(1QF)。该热备用方案的自投条件类似于内桥断路器的自投方案中热备用方式1和方式2的自投方式条件。即母线无电压,线路XL2有电压,I1无电流,1QF确实已跳开,合上2QF。或者母线无电压,I2无电流,线路XL1有电压,2QF确实已跳开,合上1QF。
2 备用电源自投的原则
以上所述多种方案、多种运行方式在作备用电源自投时均应遵守相同的原则,其原则如下。
工作电源确实断开后,备用电源才允许投入。工作电源失压后,无论其进线断路器是否跳开,即使已测定其进线电流为零,但还是要先跳开该断路器,并确认是已跳开后,才能投入备用电源。这是因为防止备用电源投入到故障元件上。例如:工作电源故障保护拒动,但在其他地方被后备保护切除,备用自投装置动作后合于故障的工作电源。
备用电源自投切除断路器必须经过延时。经延时切除工作电源进线,是为了躲过工作母线引出线故障造成的母线电压下降。因此延时时限应大于最长的外部故障切除时间。但是在有的情况下,可以不经延时直接跳开进线断路器,以加速合上备用电源。例如,工作母线进线侧的断路器跳开且进线侧无重合闸功能时,当手动合上备用电源时,也要求不经延时直接跳开工作电源进线断路器。
手动跳开工作电源时,备用自投装置不应该动作。工作电源进线合闸后,触点(一般指微机保护的操作回路输出的KKJ触点)作为备用自投装置的输入开关量,在就地或遥控跳开断路器时,其触点KKJ断开,备用自投装置自动退出。
应具有闭锁备用自投装置的功能。每套备用电源自投装置均应设置有闭锁备用电源自投的逻辑回路,以防止备用电源投到故障的元件上,造成事故扩大的严重后果。如图2变压器T1故障时由保护跳开1QF,Ⅰ段母线失压,这时备用电源XL2不应该经3QF合闸投入故障变压器T1,应当由变压器保护动作后输出的开关量去闭锁备用自投装置动作。
备用电源自投装置只允许动作一次。微机型备用电源自投装置可以通过逻辑判断来实现只动作一次的要求,备用电源自投只有在充电完成后,才可能动作。其充电条件均满足持续备用自投充电时间后,备用自投完成充电,任一放电条件满足,备用自投即放电,备用自投未启动时,只有再次充电后才可能再启动,已启动后,备用自投动作过程立即终止。
备用电源不满足有压条件时,备用自投装置不应动作。
工作母线失压时还必须检查工作电源无电流,才能启动备用自投,以防止二次三相断线造成误投。
综上所述,只有遵守备用电源自投的原则,才能保证备用自投装置的正常工作,才能保证电力系统可靠稳定运行。
(转载)



