王志凯 王乐 徐征 刘婷婷
中国电力科学研究院 北京
摘要
生物质是重要的可再生能源,目前主要可开发利用的资源为农作物所产生的废弃物——秸秆。相比燃煤发电,秸秆发电的污染排放很小,又可循环利用,是一种清洁的可再生能源。生物质能发电综合自动化控制的主要难点是燃料热值的不稳定性造成的锅炉燃烧难以经济、稳定控制,以及由秸秆收、运、贮等环节存在的问题导致输料系统难以安全、连续运行。本文以单县生物质发电厂为例,介绍了生物质发电厂综合自动化的系统结构、控制策略,并对调试和运行中所暴露的问题及其改进方案进行了初步探讨。
关键词:生物质 综合自动控制 控制策略
1、引言
改变能源结构,维护能源安全,发展可再生能源是当今世界各国的重要举措。从上世纪70年代石油危机以来,生物质能开发利用开始受到各国关注[1]。中国拥有丰富的生物质能资源,据测算,中国理论生物质能资源约50亿吨左右。目前主要开发利用的资源为水稻、玉米和小麦所产生的废弃物--秸秆。国家发改委已经将生物质直燃发电列为可再生能源产业发展的重要方面[2]。随着国家《可再生能源法》的颁布实施,生物质能发电必将迎来一个发展高峰。
区别于传统火电厂综合自动化控制系统,生物质能发电厂综合自动化系统的工艺及设备具有其特殊性,包括碱金属腐蚀、灰渣结焦、结渣、焦油等问题[3];同时生物质燃料的热值随着湿度等特性的变化很不稳定,因此不能通过常规控制方法按负荷计算出应该投入的燃料量,而应该通过对风量的计算调节给料量,从而在本质上改变了常规燃煤电厂的控制方式;另外,生物质燃料的成分和煤粉存在极大差异,因而产生结焦、腐蚀的工艺参数及环境也与普通燃煤炉不同,对锅炉及其辅助设备的工艺设计及自动化控制提出了不同要求;生物质能电厂上料系统由于燃料的运输、储运、切割等工艺存在很多问题,因而导致了上料系统粉尘含量高,存在极大的安全隐患;并且现有上料系统经常出现结团堵塞,不能保证锅炉连续稳定运行。生物质能发电设备及综合自动化控制的国产化及以上存在的问题都是今后生物质能发电事业所面临的亟待解决的问题。
2、生物质发电综合自动化控制系统结构
当前生物质发电使用的关键一次设备基本上都实现了国产化,以单县项目为例,上料系统已经实现了全部的国产化,电站锅炉以丹麦BWE锅炉技术为基础,采用的是130t/h、振动炉排、四回程(M型烟气回路)、自然循环的国产汽包锅炉。汽轮机和发电机等设备与常规小型电厂基本类似,其控制方式也基本类似。
根据秸杆发电项目的特点并结合我国自动化控制的发展趋势,自动化控制系统可以采用分级递接控制。整个系统可以分为三个控制层次,即站控层、中间层和间隔层。
2.1 站控层
站控层接收中间层传输的各类信息,并将运行人员的指令下发到相应的中间层控制器,是整个系统的人机接口。操作人员通过显示画面,可以实时直观的掌握整个系统的运行情况。从安全性角度考虑,站控层可以采用双机双网结构,通讯采用100M高速以太网,两台服务器互为热备用,提高整个系统的实时性、可靠性。
2.2 中间层
中间层是整个自动化控制系统的桥梁,负责收集间隔层传输的各类信息,运行相应的控制逻辑,同时将各类信息传输到站控层,并且负责接收站控层的各项指令,触发相应的逻辑流程。中间层也可以采用双机双网结构,通讯采用10M/100M自适应以太网,两台前置控制器互为热备用,能够保证系统可利用率不低于99.9%。
2.3 间隔层
间隔层主要负责实时采集现场设备的信息,并将采集到的信息传送到中间层,是整个自动化控制系统的基础。间隔层可以根据现场一次设备的安装配置情况,采用不同的网络配置,较常见的有以太网、CAN总线、远程I/O等配置方式。该层可以采用安全性较高的PLC或PCC进行配置,使整个系统具有较高的可靠性。
自动化控制系统结构示意图如图1所示。

图1 生物质能发电综合自动控制系统结构示意图
3.生物质能发电综合自动化控制策略研究
生物质能电厂对中国来说是一个全新的事物。生物质能电厂与常规火力发电厂最大的不同是燃料的不同,尤其是生物质燃料的水分含量较高且不稳定,其热值不固定,进而导致了燃料处理、输运、锅炉燃烧方式的不同。而汽轮机、发电机、电气和辅助车间等系统的控制方式与相同规模的常规电厂并没有太大的不同。根据对国内外生物电厂自动化控制系统的考察和研究,对生物质能电厂锅炉的主要控制做简要的分析讨论。
3.1负荷控制
生物质能电厂负荷控制思路与常规电厂有本质的区别。机组控制采用机跟炉的调节方式,锅炉调负荷,汽机随锅炉负荷的变化而保持进汽的压力基本保持不变。由于生物质燃料的热值不固定,根据锅炉负荷不能直接确定给料量,但是可以确定给风量,再根据锅炉的实际蒸发量、尾部烟道氧量通过负荷控制器的运算来调整给风量和给料量,最终实现锅炉侧对负荷的调节。
依据这种控制方式,可以解决以生物质这类热值不固定的燃料为原料的锅炉负荷精确、自动控制问题。
3.2锅炉风量控制
锅炉的风量由负荷直接确定,进而决定了送风机挡板的开度和送风机的转速,通过对总风量的监测来实现锅炉风量的闭环控制。风经过合理的分配,形成了炉排风、前后墙下二次风、前后墙上二次风和播料风,每路风都由各自的流量或压力来进行自动控制。
3.3锅炉给料控制
锅炉的给料系统分为两条给料线,每条线由炉前料仓、取料机、输料机、配料机、三个缓冲料仓和三台螺旋给料机组成,生物质燃料最终由转速可调的螺旋给料机送入炉膛。
给料系统进行了裕量设计,每台给料机的负荷达到80%左右,就能满足锅炉满负荷运行。锅炉的负荷平均分配到每台给料机上,运行人员可以在一定程度上调整每台给料机的出力。当负荷发生变化,控制系统会自动的将每台给料机的负荷进行调整,将负荷的变化量平均分配到每台运行的给料机上。如果有个别给料机出了故障,控制系统能够快速、自动的将故障给料机的负荷平均分配到其它运行的给料机上去,继续保持锅炉负荷的基本稳定,保证电厂的安全稳定运行。
取料机、输料机和配料机的转速与给料机的转速成比例关系,保证每台给料机的缓冲料仓都存有充足的燃料,缓冲料仓的料位对转速有修正作用。给料系统控制原理如图2所示。

图2给料系统控制
3.4炉膛压力控制
炉膛压力控制为简单单回路闭环控制。运行调试人员设定炉膛压力,根据压力的设定点与炉膛压力反馈调节引风机入口挡板开度和引风机转速。炉膛压力控制原理如图3所示。

图3炉膛压力控制
3.5主蒸汽温度控制
锅炉主蒸汽温度控制系统由四级过热器和三级喷水减温器组成。过热器和喷水减温的目的是将主蒸汽的温度稳定在设定温度。每个过热器的温度控制器都设计为典型的双回路控制器。过热器进口温度的响应记录作为过热器出口偏差记录的反作用。反作用延时后停止,与过热器实际过程响应相类似。这可以通过回路的积分器和Pt1过滤器来实现。主蒸汽温度控制原理如图4所示。与常规电厂每级过热器出口人为设置温度设定点不同,此系统只设置第四级过热器出口的温度设定点,前两级过热器出口的温度设定点取后一级减温器入口的温度。这样整个系统整合为一个整体,为控制主蒸汽温度服务,缩短了控制时间,增强了温度的稳定性,提高了控制的效率,提高了主蒸汽的品质。

图4 主蒸汽温度控制
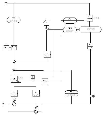
3.6给水控制
锅炉给水系统主要由汽包、给水调节阀和两个给水泵组成。两给水泵为转速可调泵,一用一备。汽包液位决定了给水泵的转速,而主蒸汽流量和给水流量也是影响给水泵转速重要因素。通过给水调节阀的节流实现对给水压力的短时间小幅调节。一般情况下,给水阀是全开的,只有当锅炉启动时或者减温水压力不足时,才会令给水阀节流以提高给水压力。锅炉的给水控制原理如图5所示。

图5锅炉给水控制
3.7空气预热器控制
与常规电厂不同,系统布置了一组高压空预器、高压烟气冷却器和一组低压空预器、低压烟气冷却器。系统以水为介质,将烟气的热量传递给将要进入炉膛的空气。系统如此布置既保证了对空气的良好加热,又防止了排烟温度过低,出现低温结露,腐蚀空预器管材。
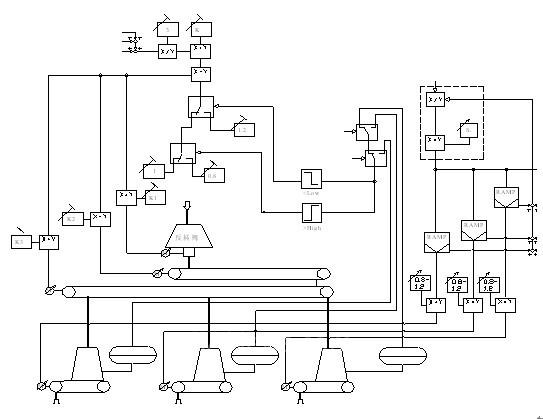
3.8燃料储存和输送系统控制
生物质发电厂的燃料主要采用各类秸秆或者速生林木。燃料的粉碎等预处理由燃料的收集和储藏的单位完成。电厂燃料的储藏和运输系统主要由以下部分构成:料仓,事故料斗,斗式提升机,螺旋取料机,移动配仓带,电子汽车衡,双列刮板机,皮带机,带式除铁器,炉前筒仓(锅炉给料系统)。燃料储存和输送系统如图6所示。系统在正常运行时,顺料流启动,逆料流停止;在故障条件下,逆料流保护跳闸。斗提和直线螺旋输料机的转速由锅炉给料机的转速确定,同时把炉前料仓高度作为辅助调整参数,使燃料在满足锅炉负荷的前提下均匀的传输。

图6 燃料的储藏和输送
4、 控制难点与改进方案的探讨
实践证明,以上控制策略能够实现生物质能电厂的自动化控制,保证电厂的安全稳定运行。但是在调试和运行中,还是暴露了控制系统存在的若干问题。
4.1粉尘控制与防火防爆
目前生物质电厂的燃料储运是在常压下进行的,由于生物质燃料自身的特点,在其粉碎过程中或者在运输过程中出现落差的情况下,会产生大量的粉尘,导致了上料系统合锅炉给料系统的粉尘含量高,粉尘浓度甚至进入爆炸极限范围,存在极大的安全隐患。
针对这种情况,需要我们根据国内燃料供应情况,在燃料粉碎、运输及上料环节上对生产工艺做相应修改,如采用封闭式负压储运;在落差较大的位置设置除尘装置;增设粉尘浓度传感器对粉尘进行实时监测;保持料仓的通风性良好,监测并控制料仓的温度、湿度。
4.2燃料输送系统的简化
目前燃料输送系统和锅炉给料系统环节较多,工艺复杂,螺旋和斗式提升机经常堵塞的现象。燃料输送系统故障会导致炉前料仓断料,不能满足锅炉负荷下的燃料供应。
为了避免这种现象发生,可以考虑改进现有的给料工艺,减少给料环节,不采用斗式提升机,改用栈桥、皮带,直接将料仓的料输送到炉前料仓。同时严格控制燃料湿度和粒度,防止燃料结团、缠绕,并改进自动化控制手段,保证输料系统连续稳定运行。
4.3结焦和腐蚀
生物质燃料的成分和煤粉存在极大差异,尤其灰分中含有大量碱金属盐,这些成分导致其灰熔点较煤粉的灰熔点低,容易产生沾污结焦和腐蚀。因而生物质锅炉产生结焦、腐蚀的工况参数与普通燃煤炉不同,应该根据燃料性质及燃烧特性的不同,对锅炉及其辅助设备的工艺设计提出不同要求,并改进相关自动化控制使工艺运行环境符合现有设备要求。
5、结语
生物质发电,作为清洁的可再生能源,对改善我国能源结构,减少我国对化石燃料的依赖,进而减少我国CO2和SO2等污染物的排放,最终缓解能源消耗给环境造成的压力有重要的意义[4]。实现生物质能发电设备及其综合自动化控制的国产化,开展核心设备的研发,开发完整的生物质发电成套技术和装备,最终形成具有我国自主知识产权的生物质能发电技术,具有广泛的发展前景!
参考文献:
[1] 瑞典、丹麦、德国和意大利生物质能开发和利用考察报告
[2] 国家发展改革委员会 可再生能源产业发展指导目录 2005,11
[3] 段菁春 肖军 生物质与煤共燃研究 电站系统工程 2004.1
[4] 阴秀丽 吴创之 生物质气化对减少CO2排放的作用[J].太阳能学报, 2000,1
(转载)



