系统简介
变频器作为空调系统的功率控制单元,参数设定的合理性直接影响倒系统节能效果和稳定性。因为从变频空调系统节能的原理上来看,空调压缩机是恒转矩负载,节能的途径是通过变频器对压缩机功率的控制而实现压缩机输出功率和环境所需要的制冷量达到最佳的配合;同时如果调节参数设置恰当,可使实际温度对设定温度的偏差更小,实现准恒温控制。
变频器的参数调节按照如下的方式进行:

附1:下限频率的设定推荐最低为25Hz,下限频率的设定不能一味的考虑调节能力,更多的是要考虑压缩机的负载特点。从现场的调试情况来看,变频器输出频率太低,容易出现压缩机组的机械共振问题;同时,压缩机厂家也不容许压缩机在较低频率下运行(具体的数据要咨询压缩机厂家)。该推荐值仅仅是一个推荐值,具体的参数要求在现场调整,但是不能低于25Hz。
附2:PI调节对象最大值要求根据现场的实际情况来调节,我们在这里举一个实际的例子来供现场人员来参考。
例1:温度传感器的参数如下:
测量温度范围0~50℃,传感器输出为4~20毫安。该电流信号在变频器控制电路中变换为1~5V信号,反馈电路的最大值为5V,而实际温度不超过30℃(超过30℃就报警),所以可以将PI调节对象的最大值设定为5.00。
附3:PI调节器的偏差设定是根据现场对控制对象控制精度的要求,精度要求越高,偏差设定越小,精度要求越低,偏差设定越大;同时,设定要与外围的传感器的参数紧密的配合。偏差量是按照百分数来计算的。我们也举一个例子来供现场人员来参考。
例2:接例1的参数,当现场要求温度偏差为0.5℃时,传感器输出电流的变化为0.4毫安,控制电路电压变化为0.1V。所以偏差设定百分比为2%,PI调节器偏差设定为2。如果温差要求在1℃之内时,偏差设定百分比为4%,PI调节器偏差设定为4。
安装规范
电信空调变频节能改造的项目由于变频器运营环境的特殊性,现场安装时要求严格的考虑与运营环境兼容,包括运行环境和电磁环境。
与运行环境兼容的安装要求:
变频器节能系统可用膨胀螺丝直接安装在地面上,底座安装尺寸见下图。膨胀螺丝采用M10的螺丝。

图(一)安装距离1
1.2、为了保证变频器良好的通风,变频器背面距离墙面大于100mm,侧面大于50mm。如下图(二)所示:

图(二)安装距离2
- 与电磁环境兼容安装接线要求:
2.1、变频器输入线安装要求:
输入线的接线如下图(三)所示。输入线采用四芯屏蔽电缆,不同变频器的线径按照下表选择:


图(三)变频器输入接线图
说明:a、变频器设计有专用的接地板,按照图中所示,将电缆皮剥掉,然后将屏蔽层用专用线卡压在接地板上。
b、将4芯电缆线的黄、绿、红分别接在配电柜的R、S、T上;黄绿线接在配电柜的PE线上。屏蔽层在配电柜的位置不接在PE线上。
2.2、变频器输出线安装要求:
输出线的接线如下图(四)所示。输入线采用四芯屏蔽电缆,线径按照下表选择:


图(四)变频器输出接线图
说明:a、变频器设计有专用的接地板,按照图(四)中所示,将电缆皮剥掉,然后将屏蔽层用专用线卡压在接地板上。
b、将4芯电缆线的黄、绿、红分别接在变频器的U、V、W上;黄绿线接在变频器的PE线接线板上。
- 控制线接线要求:
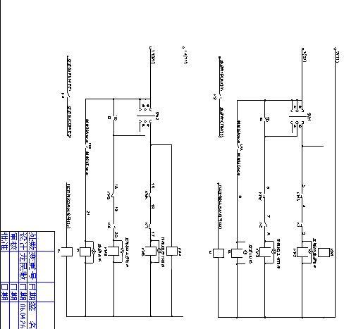
电气控制原理图见图(五):


两台压缩机的控制是完全独立的,任何一台变频器的启动、停止、故障和运行都不影响另一台变频器的运行。当任何一台变频器故障时,相关的控制电路延时3分钟后,自动将压缩机投入到工频状态。
变频器PI控制器的设定和调节如下:PI控制的反馈量为机房空调回风口的温度传感器输出的电流信号。PI调节器反馈选择(功能代码91)选择为3。PI调节器的给定选择(功能代码90)为0~10V,选择为2。接线图如下图(六):

|
图(六) PI反馈和设定接线图 |
| 接线规范 |
为了保证变频器输出的共模干扰电流有较好的回流路径,要求严格按照如下图(一)要求接线:
图(一)压缩机接线图
|
(转载)





