用现代高新技术改造原有的油田采油设备是大势所趋。用现代自控技术和变频调速技术来为油田潜油电泵(以下简称潜泵)提供理想电源是这种技术改造过程中的一个重要组成部分。潜泵按放在地平面以下1000~3000米处,工作环境非常恶劣(高温、强腐蚀等),而传统的供电方式——全压、工频更使它故障频繁,运行成本大增。潜泵损坏提到地面上来维修,光工程费就有5万元,价值10万元的电缆平均提上放下5次就得更换,潜泵平均10个月就得维修一次,维修费用约8万元,造成采油厂生产成本偏高。传统供电方式对潜泵的正常运行存在以下危害和不足:
* 潜泵全速运转,当井下液量不富余时,容易抽空,甚至造成死井,一旦死井,则损失惨重。
* 全压、工频工作启动电流大,冲击扭矩大,对电机寿命有很大影响。
* 油田供电电压常有波动,使电机欠激励或过激励,电机被烧时有发生。
* 几千米的井下电缆带来了150V左右的线路损耗,由于这部分损耗无法补偿,从而影响了电机的正常工作。
由上可看出,潜泵的传统供电方式必须改造,理想的供电设备应具备哪些特性呢?
1、软启动。
2、调速方便,即变频运行。启动时间和运行速度能根据工况任意设置。
3、不受供电电压波动的影响,并能补偿电缆的线路损耗。
4.电缆上传输的必须是正弦波,否则经电缆反射,电压脉冲叠加,容易烧毁电机。
5、各种保护功能齐全。
6、控制方便、操作简单、显示清楚。
显而易见,满足这些要求非变频器莫属,但市场上容易买到的为风机、水泵服务的那些变频器不适合,因为电压等级不符、输出波形不是正弦、电缆的损耗电压无法补偿。我公司受油田委托成功地研制出了1140v、30kw~100kw潜泵专用变频器系列产品。现以55kw的产品为例说明其特点。
二、潜油电泵专用变频器的研制成功及其特点
潜泵虽有不同的电压等级,但在线运行的多为1140V、见过用380V级变频器配合特制升压变压器的报导,本文认为这种高——-低——-高方案有先天不足,让升压变压器工作在低频下是很困难的,现在的IGBT器件的耐压应付1140V绰绰有余,本文采用1140V变频器直接给潜泵电缆供电的方案。
该变频器的技术指标为:
三相输入:1140V、50Hz
三相输出:额定电压为1140V
频率范围:2HZ~50HZ连续可调 能提供合适的电缆补偿电压
输出波形:正弦
控制功能、保护功能同于普通变频器
本文仅对该变频系统的技术特点简述如下,与380V级通用变频器相同部分不再赘述。
1、主电路与功率器件的选择
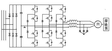
在PWM电压型380V级变频器中,一般采用两电平电路。若用两电平电路实现1140V的输出势必要用昂贵的高压管或采用低压管串联结构,由于器件串联动态均压问题不易解决,应尽量避免。本设计的整机方块图见图一。
其中主电路部分采用三电平电路或称中点箝位(NeturalPointClamped—Npc)方式,它不但能输出较高电压,而且能降低输出谐波和电压变化率(dv/dt),良好的波形正是本设计的目的之一。图中的功率开关器件选用西门子的双单元IGBT模块(1700V、200A),整流后由两组大电容器相串联组成滤波器,两组电容器的连接点即本电路的中心点(三电平的中间电平)。

图一. 整机主回路
2、载波频率的选择
提高载波频率对改善波形、降低噪声大有好处,可是载波频率提高,会使开关损耗增加,所以选择时必须权衡利弊,本设备中载波频率选为9.5KHZ,选择这个值时考虑到了输出端LC低通滤波器电感铁芯的重量因素。
3、对输入电压的稳定
输入电压经整流、滤波后得直流母线电压,以Uo表示,在此装有一个电压传感器,其输出电压Ut正比于母线电压Uo ,将Ut值送单片机处理,令Uo的额定值对应的Ut值为1,电网电压向上波动时,Ut>1,电网电压向下波动时Ut<1,CPU在计算PWM波的脉宽时要乘上因子1/Ut。这样就达到了稳定输入电压的目的。设备在油田的实际运行中,当电网侧电压波动+10%时,电机侧测不到电压的波动,说明Ut 补偿效果明显。
4、输出端为正弦波
电压型变频器输出的是三相SPWM波,即宽度按正弦规律分布的矩形脉冲波。这种波直接送给电动机,由于电机是感性负载,所以能获得近似的正弦驱动电流。在本设备中存在有几千米的电缆线,若把PWM波直接加在电缆输入端,由于长线效应电机侧会受到数倍于额定值的尖峰电压的冲击,电机很可能被烧坏。因此三相低通LC滤波器是必要的,滤波器电路如图二.所示,在本设计中其截止频率约为载波频率的1/3。

图二.输出低通滤波器
5、电缆损耗的补偿
潜泵对V/F曲线并无特殊要求,频率降到30HZ以下已经不出油了,为了实现软启动,本设备把启动频率设在2HZ,50HZ对应1140V的额定输出,电缆补偿电压Vb设为100V,在实际应用中,Vb的大小还可调整。V/F曲线见图三。

图三.V/F 曲线
三、运行情况
本公司这类1140V潜泵专用变频器已经有十多台在油田运行近一年,运行良好,客户满意。用示波器在电缆的输入侧看,在潜泵的整个转速范围内任意调速,其波形均为漂亮的正弦波,电机就是在低速时也能运行平稳、均匀,无任何脉动现象,电机在整个频率范围内调速灵活方便,杜绝了死井现象,节电效果在10——-20%左右。深受用户好评!
(转载)



