一、现场状况:
2008年2月,山东红旗煤矿提升机改造通过调研与论证,结合该矿井提升机的现场实际状况,决定对提升机实施变频调速改造。该煤矿斜井提升机是单卷筒提升机,卷筒直径 1500mm,减速器减速比24︰1,最高运行速度2.5m/s,钢丝绳长度为450m。采用串电阻分五段速降压起动和调速,频繁正、反向运转,电能浪费极大。原系统电机是220KW的6极绕线式电机,在平时工作电流在320-420A,为保证安全,提升机上行或下行起动时,是要加制动的,起动完成后一瞬间再松开制动。在这种情况下运行电流有时候会超过电机额定电流,达到将近800A。变频调速后,提升机上行或下行起动时,仍是要加制动的,变频器输出频率到2Hz有足够大的力矩时再松开制动。尽管2Hz以下电机处于堵转状态,但由于输出频率低,输出电压也低,电机不会过流。
二、电气系统改造方案:
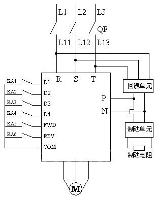
在生产中,装载的物料有时可能会超载,而且刚好在斜坡上启动也是很正常的事情,再考虑加速时间短,选型时变频器容量都考虑加大,我们选用的变频器为德力西CDI9000-G280kW,这样有利于电机在过载时变频器有足够的过载能力,能量回馈单元选择德力西CDI-FD系列,制动单元为德力西CDI-BR系列。二者总瞬时制动功率超过450KW。
改造提升机用变频器是在原提升机电控系统的基础上,用变频调速系统替代原工频调速系统,同时保留工频调速系统,使两套系统互为备用,增加系统运行的可靠性。改造时需要增加工、变频转换功能。系统运行前,将主回路和控制回路各转换开关切换至相应的变频或工频位置。依据提升机控制系统的不同,采用适当的接线方式,就可以实现灵活的操作方式。对于旧系统改造用变频器,为了不改变原来的操作习惯,可以用原来的操纵系统操作变频器。操作者通过主令控制器操纵杆控制电机正转五挡速度和反转五段速度,以实现电机的爬行、加速、减速、恒速运行。
提升绞车在下降过程中绝大部分时间都处于发电状态,因此必须要有装置来处理再生能力。一般有两种处理方法,一是采用能量回馈的方式,将能量全部回馈到电网当中,这样节能效果最好,也是最理想状态。但是考虑到绞车在重载下放时的功率,能量回馈的配置要比较大,可能会超过变频器的额定功率,因此价格可能会比较高。二是直接采用能量制动单元,直接将再生能量消耗掉,这样实现起来最简单,价格低廉,但是能量消耗会多一些。我公司变频器采用的是同时接入能量回馈单元和制动单元的办法,能量回馈单元处理正常情况下的能量,当是重载下放时,再生的能量很大,这样可以让能量回馈单元和能耗制动单元一起工作,这种方法是上述两种方法的折中,能量消耗不大,毕竟重载下放所占比例不大。价格上也不会因为全部是能量回馈单元而价格很高。
变频器采用多段速度设置,FWD、REV设为正反转,D1、D2、D3设为五段运行频率6Hz、18Hz、25Hz、35Hz、50Hz,以适应控制系统对提升机不同运转速度的要求。五挡速度加速和减速段的速度均在变频器上设置。变频调速原理图如下图所示:

红旗煤矿经过一年多的运行,证明改造的效果比较理想,主要表现在:
1、变频器的频率连续调节,分段预置,实现了启动及换档时的软启动、软停车,使调速更加方便、可靠,运行更平稳。减轻了对电网的冲击,避免了大电流对电机的冲击,同时也保护了其他的机械设备
2、使用变频器后省去原先的接触器及调速电阻,既节省了维修费用,又减少了停产维修时间,从而提高了产量。同时改善了恶劣操作环境,使工人避免在夏季因调速电阻发热造成的高温条件下工作。
3、在低速段节能效果十分明显。红旗矿井深400多米,通过用电度表的现场测量,在相同耗电量的情况下,用工频可拉19勾,而使用变频可拉25勾,即变频比工频多拉6勾。经估算节电率约为30%。
对于提升绞车的变频改造,有以下几点说明:
1、斜井与竖井的区别为,竖井绞车对变频器、能量回馈单元、制动单元和制动电阻的要求要比斜井更高一些。
2、对再生能量的处理,有三种方法;一种是直接采用能量回馈单元全部回馈电网,这种方法最为理想,但是价格相对较高。第二种是直接采用制动单元加制动电阻,直接将能量消耗掉,该方法价格相对低廉,方法简单,但是能量浪费较大。最后一种方法是将二者结合,让能量回馈单元处理一般情况下的能量,当有重载下放这种产生巨大再生能量时,由能量回馈单元和制动单元同时工作,该方法是上述两种方法的折中。
(转载)



