UNIDRIVE ES是艾默生CT 专为电梯行业设计的一种理想的电梯专用驱动器,它使用于有齿轮曳引机及无齿轮曳引机的电梯系统。它可以在闭环矢量或无传感矢量模式下驱动异步电机,也可以在伺服模式下驱动高效的永磁同步电机,UNIDRIVE ES的内置功能非常容易与电梯控制相匹配,从而给乘客提供了最佳舒适感和最高安全性。
UNIDRIVE ES特点:
1.1.全面的自整定方式:静态/动态自整定模式,电流环自整定。
1.2.更新周期250ms;响应频率带宽达到 150Hz–2x。
rpm /0.001rpm 高精度给定,精密定位。
1.4.转矩前馈-保证加速时的最小速度跟随误差。
1.5.设定值可达小数点后两位-精密转矩应用:力学测量设备。
1.6.速度环增益可选,应用于多速段控制或多电机分时控制。
1.7.载波频率可调,最高载波频率 12kHz,静音控制。
1.8.改善输出波形,降低马达发热。
2.应用配置:
驱动器内置PG接口,可接收多种类型的编码器。
2.2.全系列5.5kw-45kw内置制动单
元。
2.3.可以支持48-72V供电应用于电梯紧急救援。
2.4.可选用智能卡SMARTCARD进行参数拷贝和上传。
2.5.可使用软件CTSoft在线更改和查看参数,使用CTScope在线监测电梯运行曲线。
3.应用设计:
3.1电控系统
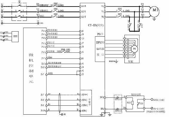
电梯运行原理:首先由控制器根据实际需要给出正/反转运行信号,对应电梯的上行/下行,再给出抱闸信号,使曳引机松闸, ES驱动器在零速给出力矩,使轿厢与对重相对平衡,接下去控制器根据到达的层楼相应给出速度选择信号,ES给定出运行频率,运行过程中给出减速信号,平层信号,最后ES根据给定的速度选择信号,相应的调节输出频率直到停止。ES输入信号为:上,下行方向指令,爬行,低速,高速,检修速度等各种速度编码指令,复位和使能信号。ES输出信号为:驱动器准备就绪信号和运行中信号。下面是根据图1设定的ES端子接口参数表:
I/O接口参数表


图端子接线
3.2 电机自学习
确定电机空载,设定电机级数Pr0.42,电机电流Pr0.46,电机转速1.06,定义电机参数后,接着设定 Pr 0.40 =2(动态自学习),然后闭合使能端子(T31) 与 (T22)和闭合运行端子(T27) 与+24v (T22), 驱动器上排显示 ‘run’.下排在 ‘tune’与‘auto’之间闪烁,电机运行进行自学习,学习完后驱动器显示‘inh’,检查学习出的电机磁极初始角Pr0.43,如果学习两次的值都相差不到1度,证明学习参数正确。若不同,重新检查编码器硬件或参数设置,重新学习。
3.3参数设置
3.3.1.速度给定
显示速度给定选择Pr18.10,
低速Pr18.11,
检修Pr18.12,
楼层自学习Pr18.14,
爬行Pr18.16,
高速Pr18.17 。
可参考如下表进行速度设置(可定义26,27,29号端子进行多段速的选择):
多段速配置表

3.3.2斜坡给定
启动加加速19.14= 500±200 mm/s3调整,
加速度 0.03=0.5cm/s2,
运行加速度19.15=1000±200 mm/s3调整,
减速度0.04=0.8cm/s2,
停车加加速19.16=800 ±200mm/s3调整,
停车减速率19.13=1000±200 mm/s3调整,

图2 运行曲线
3.3.3速度环PI
运行段速度环比例增益Pr18.25 (高速P值),
运行段速度环积分增益Pr18.26 (低速I值),
启动段速度环比例增益Pr18.27(低速P值) ,
启动段速度环积分增益Pr18.28 (低速I值),
增益打开使能Pr18.48=ON。
3.4试车运行:
为防试车时冲顶或蹲底,手动将轿厢升到中间位置,然后从慢车开始调试,如果此时电流和速度运行平稳,可进行快车调试,根据调试情况调整PI参数、S参数、加减速时间、多段运行频率,力求达到舒适感好、平层精度高。
3.4.1.启动舒适感不好,一般表现为两种 :一种是提拉的感觉,即冲击 ;一种是顿的感觉,即倒溜。对于两种情况,大部分原因是由于驱动器的PI 值调整不当造成的。现场调试可根据实际情况调整ES的启动比例增益 (Pr18.26)和积分增益 (Pr18.27) 尽可能大,一般为 2...3 倍运行增益。如果增大启动增益还是无法解决启动倒溜问题,可设定位置环比例增益参数 (Pr19.20)> 5...30和微分增益参数(Pr19.12)>10...30防止回溜。
3.4.2.如果停车时马达抖动:降低停车加加速(Pr19.16)<800 mm/s3
3.4.3.如果驱动器禁止时马达抖动:检查输出接触器延时(Pr 20.20)>50 ms,或者降低制动器闭合时间(Pr18.24)。
3.4.4.如果制动器闭合时抖动(制动器闭合的太早),降低零速限(无齿轮)Pr3.05 = 1...4 rpm。
现场可参考下面的经验值进行调试:
速度环PI设定经验值

4.结束语:
由于ES驱动器性能稳定,对电梯控制效果好,电梯舒适感好、平层精度高。加上易于调试,现已经在电梯行业得到广泛应用。
(转载)



