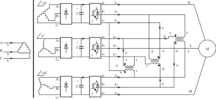
5多电平高压变频器 随着现代拓扑技术的发展,多电平高压变频调速技术得到了实际的应用。这种高压变频器的代表是法国阿尔斯通(ALSTOM)公司生产的ALSPAVDM6000系列高压变频器,其逆变器结构如图8所示。
由图8可见,功率器件不是简单地串联,而是结构上的串联,通过电容钳位,保证了电压的安全分配。其主要特点是:
1)通过整体单元装置的串并联拓扑结构以满足不同的电压等级(如3.3kV、4.16kV、6.6kV、10kV)的需要。
2)这种结构可使系统普遍采用直流母线方案,以实现在多台高压变频器之间能量互相交换。
3)这种结构没有传统结构中的各级功率器件上的众多分压分流装置,消除了系统的可靠性低的因素,从而使系统结构非常简单,可靠,易于维护。
4)输出波形非常接近正弦波,可适用于普通感应电机和同步电机调速,而无需降低容量,没有dv/dt对电机绝缘等的影响,电机没有额外的温升,是一种技术先进的高压变频器。输出电压和电机电流波形如图9所示。
5)ALSPAVDM6000系列高压变频器可根据电网对谐波的不同要求采用12脉波,18脉波的二极管整流或晶闸管整流;若要将电能反馈回电网,可用晶闸管整流桥;若要求控制电网的谐波、功率因数,及实现四象限运行,可选择有源前端。 6多电平+多重化变频器
日本富士公司采用高压IGBT开发的中压变频器FRENIC4600FM4系列,它汇集了多电平和多重化变
中高压变频器主电路拓扑结构的分析比较
(b)电机电流
(a)输出电压

图9ALSPAVDM6000输出电压电流波形
变频器的许多优点,它以多个中压三电平PWM逆变器功率单元多重化串联的方式实现直接高压输出,因此构成了一个双完美无谐波系统:对电网为多重叠加整流,谐波符合IEEE5191992的要求;对电动机为完美无谐波正弦波输出,可以直接驱动任何品牌的交流鼠笼型电动机。
该型变频器由于采用了高压整流二极管和高压IGBT,因此系统主电路使用的器件大为减少,可靠性提高,损耗降低,体积缩小。变频器的综合效率可达98%,功率因数高达0.95,不需要加设进相电容器或交直流电抗器,也不需要输出滤波器,使系统结构大为简化。图10所示为FRENIC4600FM4的主电路及功率单元结构图。
但是仔细分析,该型变频器的性能价格优势并不大,与其同时采用多电平和多重化两种技术,还不如采用前面提到的高压IGBT的多重化变频器,反而显得有些不伦不类。因为,用三电平技术构成单相逆变功率单元,在器件数量上并不占优势,要比同样电压和功率等级的三电平三相逆变器足足多用一倍的器件,同样比普通单相逆变功率单元也正好多出一倍的器件。例如:用3300V耐压的IGBT器件,采用单元串联多重化电路6kV系统每相需三个单元串联,总共9个单元,共需54只整流二极管,36只IGBT;而采用三电平功率单元,每相需两个单元串联,总共6个单元,共需72只整流二极管,48只IGBT,足足多用了1/3的器件并且使功率单元的冗余成本增加了一倍,降低了多重化变频器冗余性能好的优点,同时增加了装置的成本。所以该型变频器实际上并不可取。
7变压器耦合输出高压变频器
中高压变频器的主电路拓扑结构,除了前面提到的二电平、多电平和单元串联多重化方案外,1999年,有人提出了一种新型的变压器耦合式单元串联高压变频器主电路拓扑结构。其主要思想是用变压器将三个由高压IGBT或IGCT构成的常规二电平三相逆变器单元的输出叠加起来,实现更高电压输出,并且这三个常规逆变器可采用普通低压变频器的控制方法,使得变频器的电路结构及控制方法都大大简化。
图11是这种新型高压变频器的拓扑结构图,该

图11变压器耦合输出变频器主电路拓扑结构图
(a)3相AC6600V主电路
(b)富士完美无谐波功率单元
图10富士FRENIC4600FM4变频器电路结构图
方案由下列部分组成:
——一个18脉波的输入变压器,可基本实现输入电流无谐波;
——三个常规两电平的三相DC/AC逆变器;
——三个变化为1:1的输出变压器;
——高压电机。
下面从几个方面分析其工作原理。
1)电压关系
考虑电机的线电压,可得:
UKL=Ua1b1+Ub1a2+Ua2b2
ULM=Ub2c2+Uc2b3+Ub3c3(1)
UMK=Uc3a3+Ua3c1+Uc1a1
由于输出变压器的变比为1:1,也就是
Ub1a2=Ua3b3,Uc2b3=Uc1b1,
Uc1a3=Ua2b2,于是可得到,
UKL=Ua1b1+Ua2b2+Ua3b3
ULM=Ub1c1+Ub2c2+Ub3c3(2)
UMK=Uc1a1+Uc2a2+Uc3a3电压间的这种关系体现在图12中。每个逆变器都采用SPWM或空间电压矢量PWM(SVPWM)控制方法,每个逆变器输出线电压的有效值为〔〕aE,其中E为逆变器输入直流电压,a为调制深度,在谐波注入SPWM和SVPWM中a最大可为1.15。由式(2)可得电机线电压的有效值为〔〕aE。
对线电压为2300V的高压电机,E=1090V,采用额定电压为1700V的IGBT就可构成本系统;对线电压为4160V的高压电机,E=1970V,可采用额定电压为3300V的IGBT;而当高压电机的线电压为6600V时,E=3130V,则应采用额定电压为4500V的IGCT;因此本方案具有很强的适应性。
2)电流关系
设电机三相电流平衡,电流的有效值为I,在不考虑电流谐波的情况下ia1=Isin(ωt)ib2=Isin(ωt-120°)(3)ic3=Isin(ωt+120°)
在图12中,ia1=i4-i6,ib2=i6-i2,i2+i4+i6=0,从而有ia1=Isin(ωt+90°)ib2=Isin(ωt-30°)(4)ic3=Isin(ωt-150°)
考虑到输出变压器原边和副边电流相等,可计算得到第一个逆变器的三个输出电流为,ia1=Isin(ωt)ib1=Isin(ωt-120°)(5)ic1=Isin(ωt+120°)
另外两个逆变器的三个输出电流也满足以上关系,即:ia1=ia2=ia3=Isin(ωt)ib1=ib2=ib3=Isin(ωt-120°)(6)ic1=ic2=ic3=Isin(ωt+120°)
也就是说三个逆变器输出电流完全平衡。
3)功率关系在得出电压电流关系式后,我们很容易得到该高压变频器各部分间的功率关系。很显然三个逆变器的视在功率VA1,VA2,VA3为VA1=VA2=VA3=〔〕aEI,而整个高压变频器的视在功率VA为VA=〔〕aEI,也就是说三个逆变器均分了整个变频器的输出。
4)PWM策略
由于三个逆变器电压、电流和功率完全对称,因此三个逆变器可采用完全相同的控制规律,这时加在电机的线电压等于一个逆变器输出线电压的三倍,相当于一个两电平的PWM高压变频器,这种方法虽然简单,但由于dv/dt太大,不宜采用。
一种比较好的方法是将三个逆变器的PWM信号相互错开1/3个开关周期,对SPWM来说就是三个逆变器各自采用一个三角波,且这三个三角波之间相位互差120°。图13是采用这种方法后得到的电机线电压波形,其中电压频率为40Hz,注入了15%的三
图12电压电流关系图
中高压变频器主电路拓扑结构的分析比较
图13电机线电压PWM波形
图14输出变压器绕组图
次谐波。可以看出这就是一个线电压为7电平的高压变频器,相当于四电平变频器的线电压波形。
5)输出变压器输出变压器在本方案中起着十分重要的作用,也可能是本方案的薄弱环节,因为太大容量的变压器会限制它的应用。一般情况下该变压器可采用图14所示结构。从前面分析知道,输出变压器各绕组间的电压有效值都为〔〕aE,且流过各绕组的电流相等,有效值都为,于是可得到该变压器的容量为〔〕aE,也就是说输出变压器的容量为变频器总容量的1/3,比高-低-高方案中的输出变压器的容量要小的多。
这种高压变频器方案具有如下突出的优点:
1)以三个常规的变频器为核心可构成高压变频器;
2)三个常规变频器平衡对称运行,各自分担总输出功率的1/3;
3)整个变频器的输出可等效为7电平PWM输出波形优于普通三电平变频器,与四电平变频器相同。总谐波畸变THD<0.3%,dv/dt也较低;
4)输出变压器的容量只需总容量的1/3,可以内置,也可以外装;
5)18脉波输入二极管整流器,网侧谐波小,功率因数高。 8结语
功率器件串联二电平电流型变频器由于其本身的缺点,使用越来越受到限制。
单元串联多重化变频器是由于当时功率器件耐压太低的产物,系统复杂,器件数量多,体积庞大,故障率高;但却歪打正着,赢得了无可比美的输入输出波形,堪称“完美无谐波”;改进的方法是用高压IGBT或IGCT组成功率单元,以减少单元数,缩小体积,但却是以牺牲波形为代价的,要加输出滤波器,使谐波达标。
采用高压IGBT、IGCT的三电平变频器具有结构简单,可靠性高,器件数量少,效率高的优点,在高压供电面前,能用多电平,谁还会去用多重化呢?但波形稍差,需加LC输出滤波器,即使如此其成本也比多重化变频器低。目前由于器件耐压的限制,输出电压只能达到4.16kV,若要输出6kV,可采用电机Y/△改接的办法,看来这是6kV电机节能改造最经济合理的方案。
变压器耦合输出高压变频器,有望用目前耐压水平的器件实现6kV、10kV高压输出,是一种很有前途的新型高压变频方案。
随着功率器件的不断发展,在中等功率高压变频器中,GTO即将退出舞台,而高压IGBT、IGCT是很有发展前途的器件,是解决中高压变频的希望;IGCT由于其导通压降低、损耗小而占有一定的优势,将成为高压变频器的主要功率器件。
参考文献
[1]徐甫荣,崔力.发电厂辅机电动机变频调速节能方案探讨
[J].变频器世界,2001,(7).
[2]冷增祥.IGBT高压变频调速电源[J].电源技术应用,
2000,(7).
[3]刘虹,孙伟远.中压变频器及应用综述[C].中国电工学
会电力电子学会第七届会国学术会议论文集,2000.
[4]竺伟.二种常见电压源型高压变频器的比较[J].电气
传动增刊,2000,(8).
[5]张永惠.高压变频调速器技术的比较[J].变频器世界,
2001,(8).
[6]沈安文.一种新型高压变频器拓扑结构研究[J].电气
传动增刊,2000,(8).
[7]徐甫荣.一种新型的高性能中压电机变频器—ABBACS
1000系列[J].变频器世界,2002,(2).
(转载)



