所谓多重化技术就是每相由几个低压PWM功率单元串联组成,各功率单元由一个多绕组的隔离变压器供电,用高速微处理器实现控制和以光导纤维隔离驱动。多重化技术从根本上解决了一般6脉冲和12脉冲变频器所产生的谐波问题,可实现完美无谐波变频。图2为6kV变频器的主电路拓扑图,每组由5个额定电压为690V的功率单元串联,因此相电压为690V×5=3450V,所对应的线电压为6000V。每个功率单元由输入隔离变压器的15个二次绕组分别供电,15个二次绕组分成5组,每组之间存在一个12°的相位差。图3中以中间△接法为参考(0°),上下方各有两套分别超前(+12°、+24°)和滞后(-12°、-24°)的4组绕组。所需相差角度可通过变压器的不同联接组别来实现。
图3中的每个功率单元都是由低压绝缘栅双极型晶体管(IGBT)构成的三相输入,单相输出的低压PWM电压型逆变器。功率单元电路见图4。每个功率单元输出电压为1、0、-1三种状态电平,每相5个单元叠加,就可产生11种不同的电平等级,分别为±5、±4、±3、±2、±1和0。图5为一相合成的正波输出电压波形。用这种多重化技术构成的高压变频器,也称为单元串联多电平PWM电压型变频器,采用功率单元串联,而不是用传统的器件串联来实现高压输出,所以不存在器件均压的问题。每个功率单元承受全部的输出电流,但仅承受1/5的输出相电压和1/15的输出功率。变频器由于采用多重化PWM技术,由5对依次相移12°的三角载波对基波电压进行调制。对A相基波调制所得的5个信号,分别控制A1~A5五个功率单元,经叠加可得图5所示的具有11级阶梯电平的相电压波形,线电压波型具有21阶梯电平,它相当于30脉波变频,理论上19次以下的谐波都可以抵消,总的电压和电流失真率可分别低于1.2%和0.8%,堪称完美无谐波变频器。它的输入功

图4功率单元电路

图5五功率单元串联输出电压波形
中高压变频器主电路拓扑结构的分析比较

图6ACS1000变频器主电路拓扑结构图
率因数可达0.95以上,不必设置输入滤波器和功率因数补偿装置。变频器同一相的功率单元输出相同的基波电压,串联各单元之间的载波错开一定的相位,每个功率单元的IGBT开关频率若为600Hz,则当5个功率单元串联时,等效的输出相电压开关频率为6kHz。功率单元采用低的开关频率可以降低开关损耗,而高的等效输出开关频率和多电平可以大大改善输出波形。波形的改善除减小输出谐波外,还可以降低噪声、dv/dt值和电机的转矩脉动。所以这种变频器对电机无特殊要求,可用于普遍笼型电机,且不必降额使用,对输出电缆长度也无特殊限制。由于功率单元有足够的滤波电容,变频器可承受-30%电源电压下降和5个周期的电源丧失。这种主电路拓扑结构虽然使器件数量增加,但由于IGBT驱动功率很低,且不必采用均压电路、吸收电路和输出滤波器,可使变频器的效率高达96%以上。
单元串联多重化变频器的优点是:
1)由于采用功率单元串联,可采用技术成熟,价格低廉的低压IGBT组成逆变单元,通过串联单元的个数适应不同的输出电压要求;
2)完美的输入输出波形,使其能适应任何场合及电机使用;
3)由于多功率单元具有相同的结构及参数,便于将功率单元做成模块化,实现冗余设计,即使在个别单元故障时也可通过单元旁路功能将该单元短路,系统仍能正常或降额运行。
其缺点是:
1)使用的功率单元及功率器件数量太多,6kV系统要使用150只功率器件(90只二极管,60只IGBT),装置的体积太大,重量大,安装位置成问题;
2)无法实现能量回馈及四象限运行,且无法实现制动;
3)当电网电压和电机电压不同时无法实现旁路切换控制。
用功率单元串联构成高压变频器的另一种改进方案是采用高压IGBT器件,以减少串联的功率单元数。例如,用3300V耐压的IGBT器件,用两个功率单元串联的变频器可输出4.16kV中压;若要6kV输出,只要三个单元串联。功率单元和器件数量的减少,使损耗和故障也减少了,有利于提高装置的效率和可靠性,缩小装置体积。但由于电平级数的减少,输出谐波增加,为获得优良的输出波形,必须加输出滤波器。另外由于高压IGBT比普通低压IGBT要贵得多,所以虽然功率器件减少了,但成本不一定下降。
4中性点钳位三电平PWM变频器
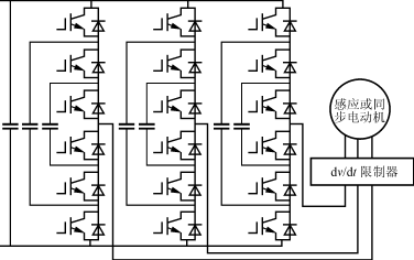
在PWM电压源型变频器中,当输出电压较高时,为了避免器件串联引起的静态和动态均压问题,同时降低输出谐波及dv/dt的影响,逆变器部分可以采用中性点钳位的三电平方式(Neutralpointclamped:NPC)。逆变器的功率器件可采用高压IGBT或IGCT。ABB公司生产的ACS1000系列变频器为采用新型功率器件——集成门极换流晶闸管(IGCT)的三电平变频器,输出电压等级有2.2kV、3.3kV和4.16kV。图6所示为ACS100012脉冲整流三电平电压源变频器的主电路拓扑结构图。西门子公司采用高压IGBT器件,生产了与此类似的变频器SIMOVERTMV系列。
整流部分采用12脉波二极管整流器,逆变部分采用三电平PWM逆变器。由图6可以看出,该系列变频器采用传统的电压型变频器结构,通过采用高耐压的IGCT功率器件,使得器件总数减少为12个。随着器件数量的减少,成本降低,电路结构简洁,从而使体积缩小,可靠性更高。
由于变频器的整流部分是非线性的,产生的高次谐波将对电网造成污染。为此,图6所示的ACS1000系列变频器的12脉波整流接线图中,将两组三相桥式整流电路用整流变压器联系起来,其初级绕组接成三角形,其次级绕组则一组接成三角形,另一组接成星形,整流变压器两个次级绕组的线电压相同,但相位则相差30°角,这样5次、7次谐波在变压器的初级将会有180°的相移,因而能够互相抵消,同样的17、19次谐波也会互相抵消。这样经过2个整流桥的串联叠加后,即可得到12脉波的整流输出波形,比6脉波更平滑,并且每个整流桥的二级管耐压可降低一半。采用12相整流电路减少了特征谐波含量,由于

图7三电平PWM变频器输出线电压波形图

图8四电平逆变器结构图
特征谐波次数N=KP±1(P为整流相数、K为自然数)。所以网侧特征谐波只有11、13、23、25次等。如果采用24脉波整流电路,网侧谐波将更进一步被抑制。两种方案均可使输入功率因数在全功率范围内保证在0.95以上,不需要功率因数补偿电容器。
变频器的逆变部分采用传统的三电平方式,所以输出波形中会不可避免地产生比较大的谐波分量(THD达12.8%),这是三电平逆变方式所固有的,其线电压波形见图7。因此在变频器的输出侧必须配置输出LC滤波器才能用于普通的鼠笼型电机。经过LC滤波器后,可使其THD<1%。同样由于谐波的原因,电动机的功率因数和效率都会受到一定的影响,只有在额定工况点才能达到最佳的工作状态,随着转速的下降,功率因数和效率都会相应降低。
三电平逆变器的结构简单,体积小,成本低,使用功率器件数量最少(12只),避免了器件的串联,提高了装置的可靠性指标。根据目前IGCT及高压IGBT的耐压水平,三电平逆变器的最高输出电压等级为4.16kV,当输出电压要求6kV时,采用12个功率器件已不能满足要求,必须采用器件串联,除了增加成本外,必然会带来均压问题,失去了三电平结构的优势,并且会大大影响系统的可靠性。若将来采用9kV耐压的IGCT,则三电平变频器可直接输出6kV,但是谐波及dv/dt也相应增加,必须加强滤波功能以满足THD指标。或者采用下面要讲到的四电平逆变器。 在9kV耐压的器件出现之前,对于6kV高压电机,可采用Y/△改接的办法,将Y型接法的6kV电机改为△接法,线电压为3.47kV,采用3.3kV或4.16kV输出的变频器即能满足要求,同时也满足了IGCT电压型变频器对电机的绝缘等级提高一级的要求,因此这个方案可能是最经济合理的。但在进行Y/△改接后,电机电压与电网电压不一致,无法实现旁路功能,当变频器出现故障时,又要保证生产的正常进行,必须首先将电机改回Y型接法,再投入6kV电网。为此,电机的Y/△改接应通过Y/△切换柜实现,以便实现旁路功能。而ACS1000系列本身的旁路切换是在电机电压与电网电压一致时完成的。 若采用有源输入前端,则可实现能量回馈及四象限运行,但三电平结构不易实现冗余设计。
(转载)



