摘要
储油库一般具有占地面积较大,控制点分散的特点,同时要求防火,防爆,安全等级要求很高,北京鼎实创新科技有限公司PROFIBUS远程IO、PB-OLM02光纤通讯模块,实现PROFIBUS的电气接口到光纤接口的转换,用于PROFIBUS 光纤通信组网,可以组成总线型或星型结构。产品由于采用了光纤传输,所以具有抗电磁干扰的能力,而且还增加了高速传输时的传输距离。而光纤通讯通常用于高带宽以及长距离的应用,因为其具有低损耗、高容量,以及不需要太多中继器等优点。
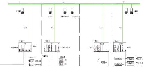
一、系统综述
湖北省某油库目前有36已建覆土罐,新建12个覆土罐,6个露天罐,现场采用的是PROFIBUS系统,整个系统由上位机、Profibus-DP主站、Profibus-DP从站及其现场设备组成。Profibus-DP总线将所有设备连接起来。其中,Profibus-DP主站、Profibus-DP从站均采用SIMATICS7-300的模块系列,主站为CPU315-2DP系列模块,3个S7300作为分站,分别监控储油区、汽车定量装车、火车监控。采用北京鼎实创新科技有限公司7台300B和5台PB-B-485、 PB-OLM02光纤通讯模块,产品进行对覆土罐浓度,液位进行检测,液位开关 控制报警和火车站栈桥溢油开关等检测。
二、系统组成


1.储油区监控分站
1) 12个新建覆土罐7号室外柜300B采集10、11、12燃气浓度和液位开关
2) 6号室外柜300B采集7、8、9燃气浓度和液位开关
3) 3号室外柜采集300B对6号燃气浓度和液位开关
4) 2号室外柜采集300B 对3、4、5燃气浓度和液位开关
5) 1号室外柜采集300B对1、2燃气浓度和液位开关
6) 倒罐泵房采集300B对1、2浓度和风机接点输入开关及风机接点反馈。
7) 12个新建覆土罐采用2台PB-B-485分别采集液位、水位、5点温度、
平均温度
8) 36已建覆土罐采用2台PB-B-485分别检察液位计、单点温度
9) 采集风机状态、声光报警解除按钮、光报警解除按钮信号
10) 对12个新建覆土罐液位和浓度超限报警
11) 36个已建覆土罐液位和浓度超限报警
2.汽车定量装车监控分站
1) 采集装卸区/汽车定量装车液位开关
2) 采集6个露天油罐的液位、水位、5点温度、平均温度
3) 采集控制台声光报警按钮信号
4) 根据6个漏天罐液位开关进行报警并进行声音和灯光报警
3.火车站监控分站
1) 对装卸泵房3、4、5、6浓度和风机接点输入开关和风即控制点反馈采集
2) 对1-32火车溢油开关超限进行声音和灯光报警
3) 在装卸区/火车防溢油区对声音灯光报警解除信号和火车栈桥1-32溢油
开关采集
4.监控总站
1) 对声音、光报警解除按扭信号采集
2) 根据32个火车溢油开关和浓度进行1-12罐溢油报警和浓度报警同时进行
声光报警
3) 对倒罐泵房1#和2#浓度超限报警
系统软件
1)计算机操作系统采用Microsoft Windows 2000 Professional中文版操作系统。上位机WINCC监控软件采用组态软件来实现。
2)组态软件实现了对整个系统的油罐浓度、液位开关、风机节点及12个新建覆土罐和6个露天油罐等模拟量和开关量的采集和处理,并显示在工作站的HMI上;便于调度员及时掌握系统的运行情况。
3)硬件的组态软件使用 Step7 V5.4 SP2完成。
三、结论
其中应用北京鼎实公司DS300B系列分布式IO方案、PB-B-485光纤系列模块,使得工程成本大大降低,而且通过该系列IO特有的通信控制器 CC-PB-1.1 与扩展 IO模块,实现了数据的高速通讯,而且其自身带有的诊断功能,使 PLC 主站实时监测每个I/O 模块的工作状态及故障状态,保证了整个系统安全可靠的运行。在保证工程质量的前提下大大降低了硬件成本。由于软硬件均采用模块化结构,方便了工程技术人员的安装、调试和维修。
自本通讯系统运行以来,PLC与鼎实远程IO间的通讯一直正常,从未出现过任何软、硬件故障以及其它干扰现象,有效地保证了自动控制系统的正常运行。
(转载)



