智能首页
深度观察
精彩视界
机器人
工业互联网
智能零碳
更多
大数据
3D打印
能效管理
资产管理
流程优化
工业安全
智能物流
智能传感
智能交通
智能家居
智能电网
智能汽车
智能穿戴
工业4.0
智能医疗
智能水务
技术前沿
现场应用
在线会议
展会
云计算
物联网
经理人
创客营
热点资讯
专题报道
市场研究
人工智能
智能微网
扫描二维码,关注微信
网站导航
技术
新闻
产品
企业
视频
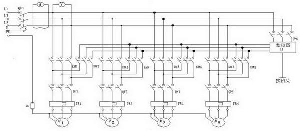
变频一拖四主电路图
ainet.cn 2009年11月26日
(转载)
标签:变频
我要反馈
信息反馈
关于“
变频一拖四主电路图
”,填写反馈
反馈:
验证码:
看不清
相关链接
省长栗战书莅临九洲调研“新能源产业发展”项目
11月10日下午,黑龙江省省长栗战书莅临九洲电气开展关于“新能源产业发展”的调研活动。李寅董事长陪同栗战书省长参观企业研发中心哈尔滨市常务副市长姜明、省长助理、省政府秘书长郭...
[详情]
2009年11月26日 九洲
分享
2009年第三届中国.上海专利周开幕
人民网上海频道11月21日电(记者王有佳)为期3天的2009第三届中国.上海专利周20日在上海科学会堂启动。今年专利周活动的主题是“世博让生活更美好,科技让世博更精彩”。开幕式上,上海...
[详情]
2009年11月26日 专利周
分享
变频器实际操作中抑制干扰的处理方法
变频器的核心它主要是通过高速电力电子开关来产生一定宽度和极性的PWM或SPWM控制信号。这种具有很陡边沿的脉冲信号会产生很强的电磁辐射,尤其是输出电路,它们将以各种方式把自已的能...
[详情]
2009年11月26日 变频器
分享
资讯热点
五十平米巧变安心“三室一厅”:施耐德电气携手林琮然交出《梦想改造家》极限改造答卷
DEKRA德凯携手NIDA为西安交通大学颁发校园网络评估证书,助力智慧校园建设
硬核技术、大咖演讲、趣味科普……中车时代电气带你沉浸式体验2025轨博会!
以网络技术塑造可持续发展路径
GE医疗与阿里达摩院签约,共同探索推动“一扫多查”医疗AI
认准唯一!扫码添加库卡官方销售,原厂直达→
英威腾网能获批组建广东省工程技术研究中心
进博展台上的全球好物,藏着同一个智慧伙伴
李强出席第八届中国国际进口博览会开幕式并发表主旨演讲
专题报道
视频
一座智能的钢铁热轧成品库是如何炼成的?
【WAIC】神经网络之父辛顿演讲及炉边对话
极智嘉全球首发无人拣选工作站,打造“全流程无人仓”新高地
从产线到人才全面“智变”,助力液气密行业高质量发展
PTC ASIA 2025秀“硬核”实力,零部件产业迈向“绿智”新高地
从物流大国到物流强国,需要破解哪些挑战?
物流技术迈向规模化应用,海柔创新“闪攀”有助降低部署门槛