在美国联邦节能法的推动下,LED 技术将给商业和家用照明领域带来全新的变革。LED 的功率仅为灯泡的几分之一,比荧光灯的效率(流明/瓦)更高,使用寿命长,而且没有汞排放等带来的环境污染问题。
如果要将低效的爱迪生白炽灯泡转换为 LED照明系统,改装方案必须能够适应现在的建筑条件要求。
替换MR16 12V卤素灯
常见的MR16 20W-35 W的卤素灯很容易被同等外形尺寸的 LED 灯所替换。在图 1 的设计示例中,驱动高亮度LED的600mA恒流来自常规电子变压器的 12V 交流电源。由于 LM3405A 驱动器的工作电压范围较宽,一个非常小的输入电容器即可维持连续运行。高开关频率内部设置为 1.6MHz,允许使用极小的表面贴装电感器和贴片电容器。所有这些因素都有助于压缩 PCB 的整体尺寸,以满足MR16外形规格对空间的严格限制。

图1 使用LM3405控制器的MR16 LED灯设计
使用电子变压器分出 12V 交流电压是MR16 卤素灯的常见做法,该电压整流为直流电压后最多可以为三个串联的LED提供电源,通过线性稳压器或更高效的开关解决方案控制电流。
不幸的是,一些低成本的电子变压器只在使用纯电阻负载(如卤素灯)时才能正常工作,使用较低的LED 负载时可能出现不兼容,而且不能进行调光。
220V 交流电灯泡的替换工作更为复杂。因为其输入电压很高,还需要遵守危险物品安全条例。
替换220V交流三端双向可控硅灯
采用LED 灯需要解决的一个难题:所需的恒流电源能够兼容交流调光器的调光控制电路。
调光器是一个能够控制负载交流电压的电子设备。壁装式调光器通常用于室内照明。与“开/关”开关相比,壁装式调光器可以提供更柔和的光线和更可控的照明。据家居控制联盟 (HCA) 统计,在家用照明领域调光技术能够平均节省 10% 的能耗。
对灯进行调光是通过降低灯的功率实现的。早期的调光器使用串联电阻,但这会产生大量的热,并导致能源浪费。现在的电子调光器使用相位调制控制方案,使用半导体三端双向可控硅来切割电源,以便只将交流电源每个半周期的一部分应用到负载上。对于其余部分,开关是断开的。给负载提供的功率数额因此与交流电源的相位角成正比。这个简单的低成本技术可以为各类白炽灯进行调光。
LED 灯的调光方式则有所不同,通常有如下两种方式:通过直接改变 LED 电流(模拟亮度控制),或通过以人眼无法察觉的更快速度开启和关闭 LED 来间接控制(PWM调光)。PWM 调光的优点主要在于可以在较宽范围内调节 LED 亮度,而不影响光线的主波长,因此可以很好地控制颜色和亮度。通过给恒流 LED 电源的专用引脚施加方波信号,可以实现 PWM 调光。
不过,壁装式交流调光器上使用的相位调制控制方案与大多数 LED 灯的调光方法不兼容。典型的 LED 灯通过三端双向可控硅供电,会发出可以听见的噪音,产生低频闪烁光线,而且调光能力有限。
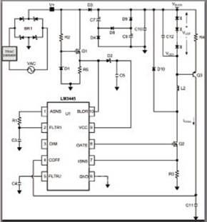
传统的三端双向可控硅调光器通常被设计成连接电阻负载(卤素灯或白炽灯泡)的接口。而现在的 LED 驱动器解决方案与标准的壁装式调光器相连,要么产生 120 Hz 的 LED 闪烁信号,要么无法实现100:1 的调光。图 2 显示了使用美国国家半导体 LM3445 LED 驱动器的 220V 交流设计电路。

图2 使用LM3445的离线LED驱动器
LM3445 LED 驱动器可直接替换目前连接到三端双向可控硅调光器的白炽灯或卤素灯系统,无需再对其它设备做任何改变或者牺牲性能。该驱动器能够解码三端双向可控硅切割的波形,然后将其转换为可以对 LED 调光的信号,从而可以实现较宽的全范围调光,而且不会出现闪烁。
此外,使用这款新型三端双向可控硅可调光 LED 驱动器时,工程师可以借助WEBENCH LED 设计工具轻松快速地完成设计。
WEBENCH LED 设计工具
作为Simple Switcher稳压器的电源设计工具,WEBENCH在线模拟工具于 2001 年问世。近期 WEBENCH具增强了交流离线 LED 设计功能,可以支持相关的白炽灯替换设计。
WEBENCH LED在线设计遵循的流程与其它WEBENCH设计流程相同,只需简单的四个主要步骤即可获得精心优化的设计:
- 选择合适的 LED 以及达到理想光照条件所需的 LED 数量
目前市场上有来自多家厂商的各式 LED。LED 的选择标准包括颜色、LED电流、光通量、角度和封装。
图3 虚拟旋钮可以满足设计取舍
- 选择系统要求:输入电压、LED 数量、最大输出电流、并联和串联
交流电源输入电压110V~220Vrms,交流电源频率 50Hz ~60Hz,环境温度。
- 综合平衡各项要求,优化物料清单
虚拟旋钮可以优化开关频率,从而为更高效的设计与 PCB 封装选择物料清单。
- 工作值、系统性能和电路原理图
该软件会生成完整的设计报告,具有详细的性能分析、每个外部元件的功耗、输入电流和系统效率。
最后,离线设计的完整电路原理图可以被呈现、修改并与其他设计人员共享。
图4 最终设计的工作值报告,具有详细的功耗分析
结论
LED高效照明系统的改装解决方案必须满足现有的建筑条件要求。用LED直接替换白炽灯或卤素灯系统时,需要将其连接到三端双向可控硅调光器。改装方案必须简单可行,不能牺牲性能。
(转载)



