我们在该实例中用到的触摸屏为GP37W2-BG41-24V ( 5.7 英寸,单色蓝白LCD ) ;PLC采用台湾 Fatek 公司 FB 系列 PLC 的一款,其型号为 FBe-28MC ( 28点,16 点IN/12 点OUT ) 。
1、工艺流程
净水系统,由于其组成设备多,水的各种指标严格,如纯度、PH值、电导率等。HMI与PLC通讯引用在净水系统,很好的满足了工艺要求,改变了传统复杂的按钮控制方式。如下图示,净水系统的流程框图如下。

该净水系统用到了许多水泵和阀门控制,当然还有许多传感器和检测器。这些检测设备获得的信号,通过电缆传送到PLC,PLC再对信号进行处理。PLC通过通讯电缆,将信息传送给HMI GP ,这样在HMI(人机界面)上得到显示,方便操作技术人员进行相应的操作。
由于各个水箱的供水设备都是水泵,那么我们需要注意,水泵这种特殊的设备,不适宜频繁启动,否则容易损坏,降低使用寿命,甚至直接损坏。所以,我们需要对这种频繁启动采取避免措施。鉴于传感器只能对限位做出立即动作,即达到限位就有信号,保持通的状态;低于限位就没有信号,保持断的
一、净水工艺控制要求
根据附图Ⅰ,我们可以大概的了解净水系统整个的系统控制要求和流程。对于一个工程,其详细的现场工艺控制要求非常重要,它是PLC程序编写的准则和现场调试的校验标准。
净水工艺控制要求:
⑴、原水箱通过外接设备供水,当原水箱液位检测为低的时候,原水泵停止运行;当原水箱液位检测为中的时候,原水泵运行;原水箱液位检测为高的时候,外接设备停止供水。
⑵、原水泵与加絮凝剂供给泵联动。
⑶、原水泵在开始运行的同时,浓水阀打开,开始排放浓水,2分钟后,一级高压泵自动启动,浓水阀自动关闭,停止排放。
⑷、PSL1压力差开关低压时,5秒钟后,一级高压泵停止运行。PSL2压力差开关高压时,一级高压泵立刻停止运行。
⑸、当原水泵停止运行的时候,一级高压泵停止运行。
⑹、中间水箱液位检测为高时,一级高压泵停止运行;中间水箱液位检测为中时,一级高压泵启动运行。
⑺、加阻垢剂计量泵与一级高压泵联动。
⑻、加NaOH计量泵与二级高压泵联动。
⑼、中间水箱液位检测为中时,二级高压泵启动运行;中间水箱液位检测为低时,二级高压泵停止运行。
⑽、纯水箱液位检测为高时,二级高压泵停止运行;纯水箱液位检测为中时,二级高压泵启动运行。
⑾、纯水箱液位检测为低时,纯水泵停止运行;纯水箱液位检测为中时,纯水泵启动运行。
⑿、纯水的电导率检测高时,纯水电磁阀门关闭,纯水回流电磁阀门开启;纯水电导率检测为低时,纯水电磁阀门开启,纯水回流电磁阀门关闭。
⒀、纯水泵与杀菌器联动。
⒁、清洗泵为手动状态运行。
⒂、系统有手动/自动两种工作运行状态。
⒃、停机控制为手动控制,当按下停机按钮,系统在5秒后自动停止。
根据净水系统工艺控制要求,我们编写PLC程序,进行试验室测试,然后安装到净水设备上,进行现场调试。(PLC
原程序参附程序Ⅰ)
二、PLC FBe-28MC I / O 点设置及中间存储器、定时器设置
根据净水系统工艺控制要求,针对PLC FBe-28MC 的主机电气规格,我们对PLC的I / O
点进行设置,并且将用到的中间存储器和定时器进行设置。
在下表中,给出了PLC的I / O点对应的控制电气信号或设备;并对中间存储器、定时器进行选择设置。
PLC FBe-28MC I / O(表 三)
注:16 点的输入,X 7, X 14, X 15没有接输入信号;Y 12没有接输出信号。
主要PLC FBe-28MC M、T(表 四)

三、GP37W2画面程序编写
Digital
公司GP系列可编程序触摸屏的画面设计及编成软件,在购买产品的时候可以获得。该软件为GP-PRO/PB3 for Windows (支持Windows 98 / Me / 2000 / XP 系统),目前最新的版本为 Version 7.01。(本文附件中包括了净水系统的PLC程序)在选择系统组成后,我们需要对系统进行编程,这里讲到的是对可编程序触摸屏的编程。既然是用触摸屏的触摸方式来控制该净水系统,我们需要做出画面,并设置按钮来,在手动控制环境下,按钮对应控制PLC中的中间存储器,从而达到控制PLC的目的。同样,在自动运行环境下为了把系统的各个电气设备的工作状态显示出来,以便现场控制技术人员采取对应的措施继续控制,我们需要做出报警画面,通过它来显示系统各个电气设备的工作状态,许多个指示灯,它们是功过监视PLC对应信号来显示的。

HMI 画面的制作和GP程序的编写,我们都可以用GP-PRO / PB3 for Windows软件来完成,其具体的操作和相应的规则,可以参考书籍Pro-face 操作应用基础、Pro-face 高级应用手册和the Manual of GP-PRO / PB3 for Windows ,仔细学习一下,你就可以很轻松的完成HMI画面的制作和GP程序的编写。
根据项目规则及净水系统工艺控制要求,并考虑调研得到的现场操作控制的需要,我们在对多套方案做出分析后,选择了本套方案,它满足控制的简单化,并易于现场技术员的控制。画面由五幅画面组成:主画面、控制选择画面、手动输入控制画面、自动控制状态显示画面和控制流程图画面。它们彼此间可以切换,并可以返回上一级画面,操作简单,且可以满足工厂现场控制需要。
如下图示,我们举出两幅画面例子,一幅为主画面,另一幅为手动输入控制画面。

在这里简要介绍一下画面的工作,当按

这种按按钮来控制电气设备,是通过控制PLC的中间存储器来实现的,而其颜色的显示则是通过监视PLC相应输出信号的状态实现的。如图示,在按下二级高压泵按钮时,弹出一个窗口Bit Switch Setting ,可以看到Operation Bit Address ,显示的是M 105中间存储器地址,它即是表四中列出的M 105,二级高压泵手动输入控制按钮。Bit Invert 是指控制位可以通过触摸的方式来实现置位和复位双重控制。
我们编写好的GP画面和程序最后需要的就是通过专用电缆GPW-CB02,通过PC上的串口和GP上的TOOL口,用RS232C通讯方式下载到GP上,这样GP的程序就算完成了。当然,我们可以通过使用仿真的方式,来查看画面的切换及程序的运行是否正确,为现场调试减少工作量。
四、PLC FBe-28MC 程序的编写
FATEK FB系列PLC 之一FBe-28MC PLC 程序的编写可以用对应的FP-07程序书写器来编写。但我们选用了用PC ( Personal Computer )来进行编写。FATEK FB系列PLC的专用编程软件为 WinProladder Version 1.06
(English) (支持 Windows 98 \ Me \ 2000 \ XP操作系统),该软件在购买FB系列PLC时,可以从公司获得。(本文附件中包括了净水系统的PLC程序)。
该软件操作简单,采用梯形图(LED)编程方式。学习过电气工厂控制,具备一定的编程经验的技术员都能很快掌握。同时,我们也可以参考《永宏可编程序控制器FB系列-使用手册Ⅰ硬件篇&基础功能篇》,《永宏可编程式控制器FB系列-使用手册Ⅱ高级功能篇》该软件编程方便,传输下载程序都是很简单的。值得注意的事项是,我们在对编写好的梯形图程序,下载到PLC上的时候,我们需要对通讯参数进行设置。如下表所示:

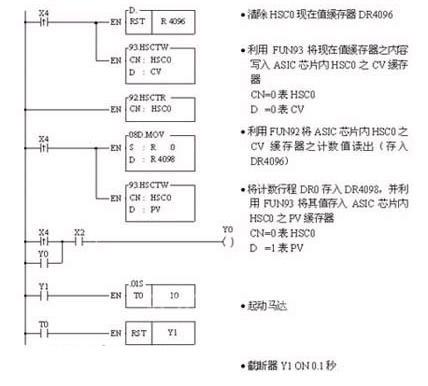
在这里我们举个例子来进行说明,利用高速计数器作等长度截断控制。
工程结构:

从系统结构很容易看出,X 2 是一个检测输入信号,它是相当于一个运行常闭开关,即当可以检测到来料的时候,X 2输入信号存在,整个系统才可以开始工作;当无法检测到来料的时候,X 2 输入信号不存在,整个系统停止工作。X 4 是一个启动开关,开启系统作用,一旦X 4输入信号存在,则系统开始自动运行。
主程序:

我们根据该系统工艺控制要求,为该净水系统编写程序。前面已经给出了该系统 I / O点的设置,并且给出了中间存储器、计时器的设置选择。在附表Ⅳ中,我们给出了该系统的整个梯形图程序,供参考。
PLC程序编写好以后,我们就可以通过下载电缆,将PC上的程序下载到PLC上。到这一步,我们就完成了系统的软件部分。现在,我们可以通过GP-PLC通讯电缆,来实现系统的控制试验,最后则安装到机械设备上,进行现场调试。
系统安装好以后,在后期的维护中,我们如果需要对GP程序或PLC程序进行更改,我们只需使用相应的下载电缆对GP或PLC上的程序进行下载到PC上,然后做出更改,仿真后,再重新下载到GP或PLC上,进行调试,试运行,直到符合要求即可。我们可以认识到该系统的后期维护非常的方便,使用效果很好。
结论
该应用实例已经在工业生产中投入实施,效益良好,可以预见将有很大的发展空间。
(转载)



