1 系统需求概述
对220kV及以上电压等级双断路器接线方式输电线路,要求配置全线速动主保护以及完备的后备保护,线路保护为双重化配置。
断路器保护按断路器配置,实现断路器失灵保护和自动重合闸功能;每个断路器配置一个操作箱,完成保护的跳合闸操作。
对于3/2接线,当出线带刀闸时,需配置短引线保护(当出线配有CT,且线路保护采用线路CT时,则短引线保护改为T区保护);
当线路较长,为防止过电压,线路两侧需配置过电压保护装置;
需配置远方故障启动装置,提高远方起动远跳的可靠性。
每个断路器配置一个操作箱,完成保护的跳合闸操作
2 推荐技术方案
2.1 典型技术方案配置
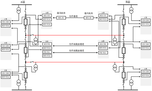
针对双断路器接线方式输电线路的要求,推荐如图 2‑1图所示的典型技术方案,该方案以3/2接线方式为例,角形接线方式与3/2接线方式类似,请参考该技术方案。

图 2‑1 双断路器接线方式输电线路技术方案
注:
具体配置:
两套线路保护双重化:一套为RCS-931,实现光纤纵差保护,另一套为RCS-902,实现纵联距离保护;
配置FOX-41A通讯装置,实现两侧接点命令量传输功能;
配置RCS-925A保护装置实现过电压保护及故障起动功能;
对于3/2接线,当出线带刀闸时,配置RCS-922A短引线保护,防止线路退出时短引线无保护的情况;
对每个断路器配置一套RCS-921A断路器失灵保护及自动重合闸装置,实现断路器失灵保护和自动重合闸功能;
对每个断路器配置一个操作箱CZX-22R1,完成线路及辅助保护的跳合闸出口;
注意事项:
对于双重化的两套线路主保护,一般有四种可选配置方式:
光纤差动+纵联距离:RCS-931+RCS-902
光纤差动+纵联方向:RCS-931+RCS-901
纵联距离+纵联方向:RCS-901+RCS-902
光纤差动+光纤差动:RCS-931+RCS-931
其中,光纤通道支持专用光纤或复用PCM设备(64Kbit/s,2048Kbit/s,单通道/双通道)
根据单回线、同杆并架双回线、串补电容线路、单通道、双通道等系统情况可具体选择不同的保护型号。
2.2 典型方案技术特点
保护双重化配置,交流采样回路、直流电源回路两套保护相互独立,任意一套保护或回路损坏不影响另一套保护及其相关回路,方案可靠性高;
保护装置主后一体化,配置简单,减少了二次回路,方案简单可靠;
两套保护装置的主保护采用不同原理,一套采用纵联差动,另一套采用纵联距离,两种原理互为冗余,构成完善的线路主保护;
开关辅助保护与线路保护分别配置,功能划分明确,合理分配于线路保护和辅助保护中,配置简洁,功能安全可靠;
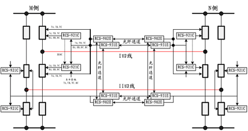
2.3 同塔双回线按相顺序自适应重合闸技术方案
该方案中断路器保护RCS-921C与同塔双回线路保护RCS931E、902E配合使用完成同塔双回线自适应重合闸功能的具体配置如下:

图 2‑2 同塔双回线按相顺序自适应重合闸技术方案
技术方案思想:
为了降低重合于出口严重永久故障及跨线故障对系统的冲击,重要的同塔双回线路建议采用按相顺序重合方式。
重合闸按线路配置,按相顺序重合闸逻辑判别及延时在线路保护中完成,线路保护充分利用线路保护已有故障信息,进行重合闸逻辑判别,满足重合闸功能后,线路保护发出分相重合指令。
断路器保护根据线路保护的指令以及断路器操作机构的工况完成按相顺序重合闸出口功能,按相重合顺序按正相序排列(A→B→C→A),两套线路保护均可配置重合闸装置。
技术方案特点:
重合闸功能合理分配在线路保护和断路器保护中,充分利用线路保护的信息实现无严重故障判别和分相顺序重合策略,由断路器保护根据本身的状态和相邻开关的配合关系实现重合出口;
采用只跳故障相的方式,即本线两相故障时只跳两相,而非三跳,使得故障期间最大限度地保持系统两端的联系,有最多的可以起动重合闸的机会,恢复双回线正常运行的可能;
将两回线的重合闸看作一个整体,采用分相顺序合闸,两回线路同时只有一相重合,避免了重合于永久性多相故障对系统造成的冲击;
重合方案中首次采用无严重永久故障判据,进一步降低了重合于永久故障对系统的冲击,后合侧在对侧合于故障后不再重合。
因此,本方案最大限度地维持了故障期间系统间的联系,在避免了对系统严重冲击的前提下,大大增加了重合的机会和重合成功的几率,具有国内外其他方案所无法比拟的优越性。
3 实现方案
失灵保护、操作箱按断路器装设,各设备单元的保护采用近后备原则双重化配置。双重化配置的保护应理解为两套保护装置完整、独立,安装在各自的柜内,包括线路纵联保护的通道(含光纤、微波、载波等通道及加工设备及其供电电源等),远方跳闸和就地判别装置亦应遵循相互独立的原则按双重化配置;其中每套保护装置均应包含完整的、一体化的主、后备保护,共享CT、PT及出口等二次资源,在双重化保证可靠性的前提下,使回路得到充分的简化。
线路保护配置方案
线路保护柜一: PRC02A-57
内含: RCS-902A 超高压线路成套保护装置
RCS-925A 远跳过电压保护装置
FOX-41A 光纤通信接口装置
PRT 打印机
线路保护柜二: PRC31A-54
内含: RCS-931A 超高压线路成套保护装置
RCS-925A 远跳过电压保护装置

图 3‑1 线路保护组屏配置方案图
断路器保护配置方案
断路器保护柜一: PRC21A-01
内含:RCS-921A 断路器保护重合闸装置
CZX-22R2 分相操作箱
PRT 打印机
断路器保护柜二: PRC21A-01
内含:RCS-921A 断路器保护重合闸装置
CZX-22R2 分相操作箱
PRT 打印机
断路器保护柜三: PRC21A-01
内含: RCS-921A 断路器保护重合闸装置
CZX-22R2 分相操作箱
PRT 打印机
图 3‑2 断路器保护组屏配屏方案图
说明:边开关与中开关保护配置相同。当出现线路隔离刀时增加短引线保护,需要增加RCS-922A四台;可以两两放入边断路器保护屏,也可以独立组屏。
(转载)



