日光灯管在日常生活中有广泛的应用,超市、学校、办公市、地铁等等,但凡能见得着的公共场所,都能见到日光灯的大量使用!LED日光灯的省电节能性能,经过长时间的大量宣传,大家均已非常认可,但花高价买回的LED日光灯管,现在很多都是走到了一个同廉价节能灯相同的处境:节能而不节钱!而且是大量的浪费钱,如何让LED使用寿命及亮度达到让使用都满意的标准,是一个有相当意义的题目!LED日光灯管要保持长寿命及高亮度,要解决的问题是:电源、LED光源、散热、安全四大关键技术。
一、电源
电源首要的要求是效率高,效率高的产品,发热就低则稳定性就必然高。通常在电源部分有用隔离及非隔离两种方案,隔离的体积偏大,效率较低,在使用中,安装方面都会产生很多问题,不如非隔离产品的市场前景大,在此我们主要讨论非隔离的驱动方案。
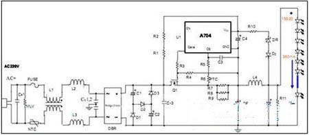
非隔离的使用的LED日光灯电源,以台湾广鹏科技公司的A704WFT为例,A704WFT的MOS管外挂,其基本线路如图1所示:

基本线路图
电源特性:
1、市电供电(85~265V),外置MOS,功率不受限制;
2、低功耗,效率高,功率因数高;
3、具负载开路和短路保护、输出过压保护功能,电流纹波特性好,输出电流近似DC直流,无灯闪现象,负载能力高,能驱动高达600mA的电流;
4、客户已做出15W的标准电路,效率88%,功率因数0.91,可以通过CE认证,包括EN55015的EMI测试,照明灯具25W以下C类谐波标准,EFT的1000V脉冲群测试,ESD的2000V静电测试。15串应用可以输出端低电压控制,无需使用传统大颗电容器,可很好控制电流的输出谐波;
5、A704的LED日光应用方案比较成熟可靠,我们可提供LED日光灯可过EMC测试的PCB线路及BOM表参考,提高客户设计开发产品的速度!
二、LED光源
采用台湾琉明斯的专利结构的LED灯珠,其芯片放置于接脚上,热能过银脚直接将芯片节点所产生的热带出来,同传统的直插产品,及传统的贴片产品在散热方面有质的不同,芯片的节点温度不会产生累积,从而保证了光源灯珠的良好使用性,保证光源灯珠的长寿命,低光衰。
传统贴片产品,虽能通过芯片的金线联接正负极,同时也是让芯片产生的热能过金线连接至银脚,热与电的传导均是由金钱传导的,热的积累时间长了会直接影响LED日光灯管的寿命。
传统的贴片产品热传导路线及方式如下图2:

而琉明斯的LED传导路线及方式如下图3:

三、散热
将红外线辐射散热引入并应用于日光灯管,是提高灯管使用寿命的重要手段。在散热考虑中,我们将LED光源灯珠的散热及电源的散热分开来,互不干扰,从而保证散热的合理性。
热传导的途径有三种,对流、传导及辐射。在封闭的环境中,对流及传导实现的可能较小,而通过辐射将热散发出来,是日光灯管考虑的重点。以下是我们做的LED日光灯管的测试数据,在LED银脚焊点外测出的温度才58度。
测试报告结果

以上数据为输入功率为:11.2瓦,光通量在:890LM时的测试报告。最高管内温度为40.213度,这样的温度让电源的电容器能长时间从容的工作,从而保证了电源的长寿命使用!
四、安全
安全,这里主要说PC阻燃塑胶管,因为红外线散热能穿透PC管,则我们设计考虑LED灯使用时,能更多的考虑其安全性,用全塑的物理绝缘方式,即使在使用非隔离的电源也能绝对的保证使用的安全性。
LED日光灯的发展已有相当长的时间了,从节能的效果来看,它的未来应用面是相当广阔的,除了节能,其安全、长寿命的使用是我们更应该关注的!
安全!在LED日光灯的的设计中是第一要素,使用PC阻燃材料的日光灯,在解决了安全问题后,如何提高寿命,上面的各项目提出的解决之道希望给众多LED日光灯管厂家提供更多的思考方式!
(转载)



