1 隔离技术的简介及应用场合
在许多应用中,数据链路之间需要(甚至是必要的)非直接的(导电)电连接,从而在提供数据的同时避免来自系统某一部分的危险电压(或电流)对其另一部分造成破坏。造成这种破坏性失效的可能是电源质量低劣、接地故障、雷击和浪涌等各种故障。此外,通信节点的间距可能相当大,常常由不同接地区域的AC插座来给这些节点供电,这些接地区域之间的电位差(可能含有DC偏压、50 Hz的AC谐波和各种瞬态噪声分量)也会造成破坏。
在工程实际使用中,经常发生通过电缆逻辑接地或屏蔽将这些地线连接在一起的情况,可能形成接地环路,且电流将流入该电缆。接地环路电流会对通信产生严重影响(包括数据恶化、EMI过大、元件损坏),当电位差足够大时,人体就有遭受电击的可能。为了避免上述破坏,可引入非直接的(导电)电连接(称作“隔离”)。进行隔离是为了消除噪声并且防止电流在两通信端之间流动。隔离电路具有相对于其他电路元件极高的阻抗,从而“切断”了由电路路径形成的环路;断开环路后,噪声电压将出现在隔离层上而非接收机或其他敏感组件上。隔离原理如图1所示。

一般在两种情况下会采用隔离技术:①有可能存在损坏设备或危害人员的潜在电流浪涌,如医疗上的应用、电机控制、交通户外设备等方面;②存在不同电位的接地回路的互连。这两种情况都是采用隔离来避免电流通过,而允许两点之间有数据或功率传送。隔离普遍应用于包含高压、高速或高精度的通信、长距离通信的场合,常见的有工业输入/输出系统、接口方面、总线、电源、电机控制、仪器仪表等。
2 隔离技术的分类
当前有3种通常的隔离技术:光电隔离、变压器隔离(电感隔离)、电容隔离。此外,还有ADI公司的一项专利隔离技术,即磁耦(iCoupler)隔离技术。其中,光电隔离、电容隔离、磁耦隔离都属于数字隔离,而电感隔离通常仅用于电源或模拟隔离器,而非数字隔离器件。
光耦合技术是在透明绝缘隔离层(例如空气间隙)上的光传输,完成了电一光电的转换,从而起到输入、输出隔离的作用。光耦合技术的主要优点是,光对外部电子或磁场内在的抗干扰性强,而且光耦合技术允许使用恒定信息传输。光耦合器的不足之处主要体现在速度限制、功耗以及LED老化上。
变压器隔离使用变压器线圈来使传输信息通过隔离层,隔离前端的电流变化通过线圈引起隔离另一侧的电流变化。Ac信号(例如以太网)的隔离非常适合于变压器耦合。变压器隔离的优点是速度高,而且可以给隔离端供电;缺点是易受外部磁场(噪声)的干扰且变压器的体积比较大。
电容耦合使用不断变化的电场来通过隔离层实现信息传输。电容器极板之间的材料是电介质绝缘体,即隔离层。电容隔离层的优势是效率高,无论在体积、能量转换还是在抗磁场干扰方面均如此。与变压器不同的是,电容耦合的缺点在于无差分信号,并且噪声与信号共用同一条传输通道。这就要求信号频率应远高于可能出现的噪声频率,以便使隔离层电容对信号呈现低阻抗,而对噪声呈现高阻抗。如同电感耦合一样,电容耦合也存在带宽限制。磁耦隔离技术是ADI公司的一项专利隔离技术,它是一种基于芯片尺寸的变压器,而非传统的基于光电耦合器所采用的发光二极管(LED)与光敏三极管结合。采用iCoupler技术的数字隔离器利用平面磁场专利隔离技术,并采用iCoupler变压器专利技术集成变压器驱动和接收电路,同时不再需要驱动LED的外部电路,具有低功耗、高集成度等特点。
3 隔离技术的具体应用
3.1 隔离技术在RS485/RS422中的应用
RS485/RS422 作为强健的接口标准,采用双绞线电缆连接并具有宽共模电压范围内差分信号传输的低噪声耦合特性,允许在高达10 Mbps的信号传输速率下进行数据交换。尽管该标准已被广泛接受,但是它在实际应用中的一些具体问题并没有得到深入的认识,甚至存在着种种误区(比如接地、隔离及瞬态保护并没有在实际使用中得到正确的应用),以至于影响到整个系统的性能。在实际应用中,RS485/RS422通信大多采用图2所示的3种方式。

对于图2(a)的设计,远程数据连接通常存在很大的地电位差(GDP),该电位差到了发送器的输出上就成了共模噪声。如果这种噪声过大,就可能超过接收器的输入共模噪声容限,从而造成器件损坏。图2(b)中的设计方法对高阻型共模干扰有效,由于干扰源内阻大,短接后不会形成很大的接地环路电流,对于通信不会有很大影响。但当共模干扰源内阻较低时,会在接地线上形成较大的环路电流,耦合到数据线中成为共模噪声,影响正常通信。图2(c)实际上是在接地线上加限流电阻限制干扰电流,但大地接地回路的存在使数据链路对回路中其他地方产生的噪声非常敏感。
总的来说,图2(c)的方案比前两种合适,但建立长距离数据链路的最可靠的方法是通过数字隔离方案来隔断接地回路,其单节点设计如图3所示。

采用图3所示方法时,总线收发器的信号线和电源线与本地信号和电源是相互隔离的。该设计有2个关键:
①其隔离器件可以选用ADI公司iCoupler产品的ADuM141x,也可以选用TI公司的IO72xx数字隔离器。其中IO72xx是数字电容性隔离工艺应用的数字隔离器,接收数字输入并产生干净的数字输出,同时防止源自输入参考地的噪声电流及过电压的干扰。
②该类隔离器件都具有双电源、地,分别接系统内部电源、地和通信接口芯片的电源、地,同时双电源、地通过隔离型DC-DC变换器进行隔离。或者使用ADI 公司采用iCoupler技术的DC-DC隔离电源转换器isoPower系列的ADuM524x来实现隔离部分和隔离型DC-DC部分的集成简化方案,但需要注意的是ADuM5241的隔离电源的驱动能力可能不够。
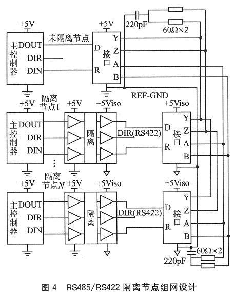
图4给出的是多个隔离型.RS485/RS422收发器组网的详细连接。总线节点以菊花链或总线拓扑方式联网,总线上每台设备的工作地是不相连的,每个节点都必须通过很短的线头连接到主线缆。RS485/RS422尽管是差分传输,但对RS485网络来讲一条低阻的信号地还是必不可少的。一条低阻的信号地将两个接口的工作地连接起来,使共模干扰电压被短路,这条信号地可以是额外的一对非屏蔽双绞线或者是屏蔽双绞线的屏蔽层。注意,无论怎么连接千万不能形成工作地回路,否则将会形成很大的环路电流。特别要注意的是,如果使用了专门的低阻的信号地,再使用屏蔽层保护,就必须屏蔽层单端接某个节点的收发器的地,否则就会形成地回路。另外还要注意,所有收发器中除了一个以外其他均通过隔离连接到总线,图4中唯一一个未隔离的收发器为整个总线接口提供单一地参考,噪声环境下往往用2个RC低通滤波器替代120 Ω终端电阻,以增强对共模噪声的滤波。2个滤波器的电阻值应相等(最好采用精密电阻),以确保2个滤波器具有相同的滚降频率。

3.2 隔离技术在CAN总线中的应用
CAN(控制区域网)属于串行通信总线,适用于强健的实时控制应用,因此在工业、交通、控制、测量领域有极广泛的应用。如果单个CAN-bus节点设计不当,就会导致总线通信不良,甚至因为收发器电路而破坏整个CAN网络的稳定性。尤其CAN总线的工作场合经常十分恶劣,在第1节中提及的任何不利因素均有可能出现在CAN-bus中,所以CAN-bus接地、隔离及瞬态保护是十分必要的。
在以往的设计中,一般可以采用2个高速光耦(6N137)实现电气上的隔离,1个电源隔离模块(+5 V转+5 V)实现电源上的隔离,还需要计算电阻值的大小以搭建出合理的收发器隔离电路。需要注意的是,仅有高速光电耦合器,却没有电源上的隔离,此时的隔离将失去意义。由于这种方式存在着体积偏大、成本偏高的缺点,建议采用电容耦合技术或磁耦隔离技术。隔离型CAN-bus节点一般是由CAN控制器、CAN收发器、数字隔离器件组成,具体节点设计类似图3所示。但需要注意的是,隔离措施是加在CAN控制器与CAN收发器之间的,同时需要在CAN-bus总线上加总线保护器件。
CAN-bus的隔离原理与RS485/RS422相似,节点设计原理也相同,只是电器规定上有所不同。隔离器件可以选用ADI公司iCoupler产品,隔离电压为2 500 VRMS;也可以选用TI公司的1072xx数字隔离器,隔离电压为4 000 V RMS。但是都需要隔离型DC-DC变换器来实现总线收发器的信号线和电源线与本地信号和电源的相互隔离。如果选用ADI公司的集成隔离电源(如 ADuM524x),则需要考虑电源的驱动能力。如果需要更加简化电路设计,可以选用广州致远电子有限公司的CTM系列模块,该系列是集电源隔离、电气隔离、CAN收发器、CAN总线保护于一体的隔离CAN收发器模块,同时也要考虑T系列的节点驱动问题。
所有符合CAN2.O规范的节点可以连接在一起,构成一个直线拓扑结构的CAN-bus网络,在网络的两个终端各需要安装一个120 Ω的终端电阻。如果选用屏蔽电缆线可以将屏蔽层单点接大地(不能形成环路),也可以将屏蔽层通过耐高压的电阻、电容单点接数字隔离器件的地引脚。
3.3 隔离技术在信号传感器中的应用
许多硬件设计任务主要围绕如下方面展开:数/模转换器(DAC)、模/数转换器(ADC)、输入和输出信号调理、输入/输出模块的电气连线、控制器之间以及模块之间的隔离问题。各种传感器产生的数字信号都传送到一个中央控制器,进行处理和分析。为了保证用户接口端电压的安全性,同时防止瞬态尖峰的传输,需要实现电流隔离。对于传感器信号隔离,传统的模拟隔离方案(如隔离放大器AD202)成本太高,可以采用数字隔离方案——AMP→ADC→Digital Isolate→MCU降低成本,如图5所示。

数字隔离器用来将系统现场的ADC、DAC和信号调理电路与数字端的微处理器隔离开来。其中,需要隔离型DC-DC变换器来实现微处理器的信号线和电源线与ADC/DAC的信号和电源的相互隔离。隔离器件可选用ADI公司的iCoupler产品或TI公司的IO72xx数字隔离器。在满足应用需要的前提下,可以选用ADI公司集成3 750 V电压隔离的ADC(AD7400)来减轻设计负担。
在完全隔离的系统中,从系统端向现场端提供隔离的电源是另一个要面对的挑战,而在这方面也涌现了新的解决方案。传统上,将电源从隔离的一端传递到另一端所用的技术包括使用单独的、尺寸较大的、昂贵的DC-DC变换器,或者设计及接口均较困难的分立器件。目前,一种更好的方法是采用完整的、全部集成化的隔离解决方案。这种方案可以通过微变压器实现跨越隔离点的信号和电源传输,其供电能力达50 mw。例如isoPower系列产品ADuM524x可以提供高达2 500 V的信号和电源隔离度,不仅避免了采用分立的隔离电源,而且降低了隔离系统的总成本,减小了电路板面积,缩短了设计时间。
4 瞬态保护
在实际工程使用中,使用了上述数字隔离方案的系统可靠性有了极大的提高,能消除噪声并且防止电流在两通信端之间流动,防止瞬态尖峰在系统内部的破坏性传播。但是尽管数字隔离器件以内的电路系统没有损坏,可是接口电路在有强烈的浪涌能量出现时,甚至可以看到收发器爆裂、线路板焦糊的现象,虽然不至于影响整个系统的安全性,但也造成极大的不便。
出现该现象的原因:虽然隔离“切断”了由电路路径形成的环路,噪声电压只出现在隔离层上而非接收机或其他敏感组件上,但是接口电路必须要经过强烈能量的考验。图4提到的接地措施只对低频率的共模干扰有保护作用,而对于频率很高的瞬态干扰就无能为力了,因为引线电感的作用对高频瞬态干扰来讲接地线实际等同于开路。这样的瞬态干扰可能会有成百上千伏的电压但持续时间很短,在切换大功率感性负载(电机、变压器、继电器),闪电等过程中都会产生幅度很高的瞬态干扰,如果不加以适当防护就会损坏接口。
对于这种瞬态干扰,可以采取瞬态抑制方法加以防护。实际应用中采用两级防护措施:使用3个90 V陶瓷放电管(3RM090L-8)(可承受10/700 μs,10/700μs为通信线路中感应出的雷击电压波形,表示从零值上升至峰值的时间为10 ms,下降至峰值一半的时间为700μs,8 000V雷击测试)进行共模防护、差模防护,此时过电压被大大削弱到500 V左右;再经过PTC(可以采用100~200mA、耐压250 V以上的自恢复保险丝K250-120U)或10Ω左右的电阻限流。TVS瞬态抑制二极管的选择可以根据芯片的工作电压与耐压决定,一般略高于芯片最高工作电压,RS485芯片可以选择P6KE15CA,RS232芯片可以选择P6KE18CA。
结 语
由于本单位的交通户外设备大多数工作于恶劣环境,在雷雨多发期间或由于施工不当(管线分类或接地不合适)经常造成通信的可靠性下降,在采取本文设计的隔离、接地方案后,可靠性有了极大的提高。该方案适合任何需要隔离保护的嵌入式系统设计,因为任何高可靠性的插拔型接口都需要有隔离保护。
(转载)



