摘 要:
以艾默生CT EV3100电梯专用变频器为例介绍距离控制技术在电梯控制系统中的应用。结合距离控制技术及电梯逻辑控制的基本原理,确定了期间选型,进行了选择和相关参数设置,并分析了系统应用过程中的实际问题。
关键词:距离控制 电梯 控制系统
[中图分类号] TP273 [文献标识码] B 文章编号1561-0330(2009)12-0000-00
1 引言
现代生活、生产和建筑的蓬勃发展,大大推进了电梯技术的发展,从而对电梯控制系统提出了越来越高的要求。
可编程序控制器(PLC)与变频(VVVF)调速技术相结合的电梯控制系统,以其运行可靠、使用维修方便、抗干扰性强、调速性能优等特点被中小型电梯厂家广泛采用。此类系统对电梯运行曲线的控制大多采用速度端子组合的多段速控制方式输出固定的电梯运行曲线,电梯平层之前均有慢速爬行的过程。
国际电梯业巨头多采用自行研发的电梯专用控制器,采用距离控制的直接停靠方式。而PLC因其自身编程指令及程序扫描时间的限制,很难编制距离控制的程序。艾默生CT推出的EV3100电梯专用变频器,不仅具备通用变频器的调速功能及普通的电梯专用功能。独有的层高数据寄存器,通过参数设置即可实现距离控制。
2 距离控制的基本原理
传统的给定减速距离的控制方式的运行曲线如图1所示[1],x轴为电梯运行过程的时间、y轴为运行速度。当电梯接收到系统的启动信号后,系统加速到额定速度以后,匀速运行,当系统收到减速信号后开始减速,到达门区后开始爬行,至平层后停止。整个运行曲线表现为S型。

上述运行曲线是由控制系统预先设定好的,一般额定速度为1m/s的时候运行单条曲线,速度为1.5m/s的时候运行两条曲线。而由控制系统根据停车距离自动生成电梯运行曲线的控制方式一般称之为“距离控制”,其运行曲线如图2所示。

3 控制系统硬件设计
3.1控制系统组成

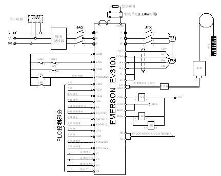
由图3可知,该系统主要由以下几部分组成:PLC、变频器、曳引机、门机等。PLC是控制系统的核心。[2]PLC根据输入的呼梯信号和目前电梯所处的位置自动确定电梯的运行方向及速度,变频器根据PLC的速度指令控制曳引电动机的转速,到达目的层后,自动平层、停车、开关门,在运行过程中输出电梯的楼层位置和运行方向,同时完成对呼梯信号的登记、保存和消除等工作。对电梯运行中的一些特殊情况(如急停、超载、冲顶、蹲底等)自动进行处理和报警。
3.2硬件选型
以一栋15层大楼为例,其电梯控制系统实际需要输入60点,输出62点。选用三菱公司的FX2N-128MR型PLC。这种机型有编程指令100多条,内置8K步RAM寄存器,并配有相应的编程软件GX Developer,不仅可以通过手持编程器对PLC编程,也可在个人PC机上进行编程[3]。在电梯运行过程中,可通过程序内部辅助继电器的状态监控电梯运行状态,现场调试十分方便。
变频器选用艾默生CT的EV3100电梯专用变频器。除了矢量控制、转差补偿和负载转矩自适应等功能,还具有抱闸控制及检测、电梯超速检测等电梯专用功能。为实现闭环矢量控制、提高系统的动态性能和实现零速抱闸控制,在曳引电动机轴端加装旋转编码器。该编码器信号不仅作为曳引电动机的速度反馈,利用EV3100变频器的分频功能,还可实现对电梯的数字位移控制。系统硬件电路如图4所示。[4]

图4 系统硬件电路
4 距离控制运行原理
(1)变频器在接收到控制器发来的运行命令(FWD)和设定楼层指令(FLE, F1~F6)时,输出接触器吸合指令(CR);
(2)变频器检测到接触器吸合(CSM)后,再经过延时,打开变频器,输出释放抱闸的命令(BR),和变频器运行中信号(Y2);
(3)经过抱闸打开延时时间T2后,抱闸完全打开,变频器开始按S曲线加速运行;
(4)电梯运行过程中可以不断响应其它设定楼层指令(FLE,F1~F6),变频器会根据能否正常减速停车来选择最优楼层停靠;
(5)到达曲线减速点后,变频器开始减速停车。进入平层一定距离(F4.07平层距离调整)后,速度减为0,经延时后,变频器输出抱闸关闭命令(BR),同时输出电梯停车信号(Y1),要求控制器切除运行命令(FWD);
(6)控制器接收到电梯停止信号后,经时间延时切除运行命令(FWD),变频器封锁PWM后输出停机状态信号(Y2);
(7)停机状态(Y2)有效后,经时间延时,输出电流为0,变频器输出释放接触器命令(CR),至此一次运行过程结束。
5 结束语
实践证明,在EV3100电梯专用变频器的基础上开发的采用距离控制技术的控制系统已被某电梯公司批量采用,系统稳定、可靠运行,对中小规模的电梯制造厂开发通用性的电梯控制产品也有借鉴价值。
参考文献
[1] 顾德仁,徐惠钢,郭文华.基于PLC的电梯高精度位置控制的实现.《微机算机信息》.2007年第5期P61-62.
[2] 顾德仁,卢战秋.基于PLC的家用液压电梯控制系统.《中国电梯》.2007年第7期P54-56.
[3] 三菱FX系列可编程控制器使用手册.三菱电机公司,1998.2.
[4] EV3100系列电梯专用变频器用户手册.艾默生CT,2005.3.
作者简介
顾德仁 男,工程师,现就职于苏州远志科技有限公司
(转载)



