摘 要:根据纺织摆频的特性,结合CT公司的Commander SK变频器所具备的独特的功能,对Commander SK变频驱动器在纺织摆频控制上的应用进行了研究,并找到一种简单可靠的摆频控制解决方案。
关键词:变频器 摆频控制 Commander SK
Abstract: According to the characteristic of spinning swing frequency, and combined to the particular function of inverter Commander SK Emerson CT technology company, which used in the control of spinning swing frequency is studied, there is a simple and reliable scheme which can well solve the swing frequency control.
Keywords: Inverters Swing frequency control Commander SK
中图法分类号:TM921 [文献标识码] B 文章编号1561-0330(2009)12-0000-00
1纺织的摆频特性
为了使纱锭没有鼓包、平整如一,必须在槽筒电动机上增加摆频功能。这是因为纱锭成型过程是由两个独立的运动叠加而成的:一个恒速旋转运动,一个往复运动。通过两个运动的叠加,纱线在低筒表面形成的菱形网状运动轨迹。如果两个运动都是匀速运动,则势必在纱线相交处形成鼓包。如欲打乱每层的交点,将往复运动的速度时时变化,即增加摆频功能,则这一问题就能得到圆满解决。
在变频器的功能设置中,摆频则是专为纺织行业纱锭成型工艺而专门设计的应用软件。其主要手段是将变频器的输出频率按类似三角波的形式时时变化。为了适应各种不同的工艺条件,如纱线粗细、纸筒形状、槽筒轨迹等的不同,可在软件中增加一些特殊的调整参数。
2 SK驱动器使用的实际例子
本例使用的是CT公司的Commander SK驱动器,Commander SK驱动器加上一个Logic Stick就可以使用Sypt Lite 软件进行编程控制而不需要外部的控制器,结构简单,响应速度快,从而节约了使用成本,相比较与外加控制器,取得更好的控制效果。

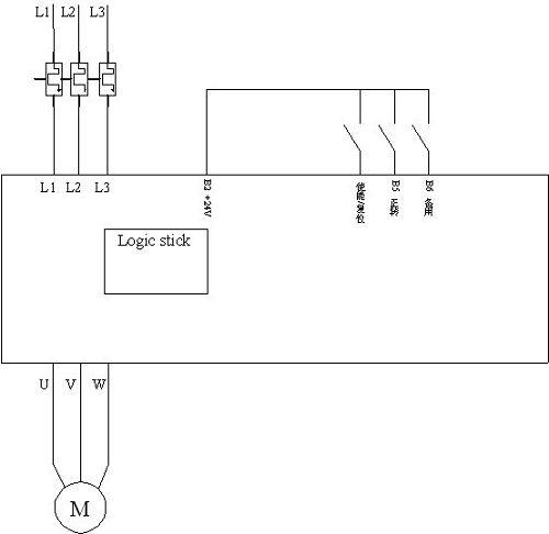
图1 Commander SK变频驱动器在摆频控制应用中的原理图
根据所要求的波形如图2可以看出,此波形是一个周期性的波形,在一个完整周期内存在四个拐点频率a、b、c、d,在一个周期内只需设定好此四个点的频率,那么就会形成一个完整的波形。

图2 目标波形
首先,在驱动器开始运行时我们需要给定一个频率a,即摆频的最低频率,在驱动器输出频率达到a时,在此频率给定上加一个硬速度给定b-a,就会形成ab段波形;当驱动器输出频率达到b时,将给定频率设为c,那么就会通过设定好的斜坡时间输出频率逐渐由b逐渐增加到c,形成bc段波形;当输出频率达到c时,将此时的硬速度给定由b-a减为0,此时的给定频率为d, 那么就会形成cd段波形;当输出频率小于等于d时将给定频率重新设为a,那么就会通过设定好的斜坡时间输出频率逐渐由d逐渐减小到a,形成da1段波形。如此就形成一个完整周期的波形。当输出频率小于等于a时,在此频率给定上加一个硬速度给定b-a,如此重复,就会形成连续的波形。在此波形中bc和da1段的斜率可以通过设定相应的加减速时间来改变,使用CT的CT-Scope软件监测到实际波形如图3所示。

图3 改善后的实际波形
其它的变频器如果要做摆频控制,一般需要增加控制器等设备,这样就增加了投入,而相应的系统也要复杂。而使用了Commander SK驱动器后,不需要另外增加控制器,只是增加一个选件Logic stick,写好控制程序后下载到驱动器中即可,所增加的投入相当小。在外部通过按钮等给驱动器一个Enable信号和一个运行信号就可以控制驱动器的运行了。我们知道,一个系统如果越复杂,节点越多,那么这个系统的故障点就越多,越容易产生故障。该方案系统原理简单,所需的元器件少,线路结构简单。这样就减少了很多的故障点,减少了故障发生的几率可能性,提高了设备的稳定性和运行效率。
由于程序在驱动器中运行,所有的数据均是在驱动器中交换存储,不需要与外部控制器进行数据交换,运行速度就会快很多,这样在一定程度上提高了驱动器的响应速度,使控制变得更精确。由于程序是在驱动器中,程序中的各个拐点的频率均可以通过相应的驱动器参数来设置,包括三角波的上升和下降的斜率也可以通过改变驱动器的加减速时间来改变,程序截图如图2.4。这样针对不同的纤维材料和不同的纱锭大小,用户只需根据需要设定对应的应用参数就可以实现不同的应用,而不用增加额外的投入。

图4 程序截图
针对纱线易断的特点,有必要在应用程序中增加断线保护。当检测到纱锭上的线断了,这时应该让驱动器停止,处理断线。Commander SK驱动器自带有可编程输入端子,可通过将断线检测传感器的信号输入到可编程输入端子,驱动器读取该信号,将该信号写入控制程序。一旦检测到断线,控制程序控制驱动器停止输出,并在驱动器面板上显示一个故障代码,表示断线,需要处理。另外,Commander SK驱动器自带一个RS485通讯接口,可以与上位机等监控设备连接,轻松实现对设备的远程监控。
3结论
总的来说,使用Commander SK变频驱动器在摆频控制中应用,使得系统变得简单易维护,操作简单灵活,故障率低,大大提高了设备的使用效率,而且投入相对较少,完全可取代原机械摆频机构,大大减化了设备结构,不失为一种优良的解决方案。
作者简介
王庆华(1979-) 男,大学本科,任职于艾默生CT市场营销应用技术部。
张启芳 上海市电力公司教育培训中心
参考文献
[1] 郑明俊,余正荣.变频器扩展摆频设定功能的探讨[J].广东化纤.1997年01期.
[2] 王浩.台达变频器在纺织加弹机上的应用.
[3] 加弹假捻机上变频器摆频功能的应用.中国自动化网.2007.
[4] 刘可模.摆频变频器的节能运行[J].化纤与纺织技术.1989年01期.
[5] G7变频器在纺织中的应用.中国自动化.2008
(转载)



