项目介绍
钢铁冶金企业能源管理系统(Energy Management System)作为企业信息化系统的一个重要组成部分,通过对能源数据进行采集、加工、分析、处理,使其与生产调度系统密切结合,完成生产与能源的协调管理。EMS对能源设备、能源实绩、能源计划、能源平衡、能源预测等方面发挥着重要作用。
涟源钢铁集团位于湖南省娄底市,现已成为中南地区重要的板材生产基地,拥有从炼焦、烧结、冶炼到轧钢等一整套全流程工艺装备。产品用户遍布全国大部分省、市、自治区及东南亚、欧洲、美国等国家和地区。涟源钢铁于2009年开始启动EMS项目,以期合理利用资源、节约能源,最大限度地降低生产成本,降低对环境的污染。
系统需求
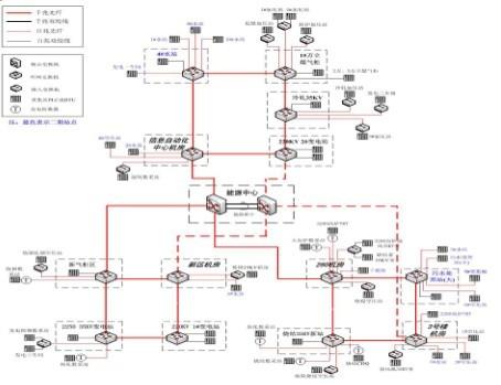
•涟钢能源管理信息系统通讯网络架构:
- 共分为三个工业级千兆环网网络
- 每个千兆环网网络采用汇接交换机与核心层交换机相连
- 组网方式采用星型方式连接
•能源管理中心核心交换机与汇接中心交换机的连接需采用冗余连接模式,以保证数据传输的稳定。
•各个汇接层分环网网络可通过路由与主干网相连,实现各个汇接环网之间的数据共享及通信。
•能源收集子站交换机向上就近连入汇接中心交换机,向下连接能源采集点接入设备。
Moxa解决方案
在涟钢EMS系统中,Moxa推荐使用EDS-828模块化千兆冗余三层交换机作为汇接层交换机。由于EDS-828工业千兆交换机可以提供四个千兆端口,除了两个千兆端口构建环网外,另两个千兆端口分别连接能源中心核心交换机以及能源搜集子站交换机,有效保证了系统的整体千兆通讯性能。
EMS系统采用了冗余的概念,提升了数据传输的稳定性。EDS-828的两个端口可以组建一个千兆冗余环网,支持Turbo Ring,且自愈时间<20ms。此外,其中两台EDS-828的千兆端口分别连接到不同的核心交换机上,其中一条连接设置为主连接链路,另一条设置为备用连接链路。数据交换一般从主连接链路进行,当主连接链路发生故障或连接主连接链路的交换设备发生故障的情况下,数据交换会自动切换到备用链路。
在能源收集子站的交换机,用户采用了Moxa EDS-508A网管型工业以太网交换机,具备8个10/100BaseT(X)端口,可以向上就近与汇接中心交换机EDS-828相连,向下与现场各个能源采集设备的网口相连。
对于网络通讯而言,Moxa的两款交换机均支持Turbo Ring快速冗余技术,能够在20毫秒内实现主路径和备份路径的切换,这一业界最快的环网冗余性能保证了系统线路的可靠性。此外,现场工程师不但能够采用Web方式管理、配置EDS-828/EDS-508A系列交换机,而且可以通过以SNMP OPC Server软件集成的网络监视软件实时监控网络的每个端口的状态。Moxa交换机具有强大的网络管理能力,可通过E-mail、Relay和OPC data等三种方式发送故障报警信息,SNMP Trap还可有效捕捉故障点,确保工程师可以随时关注并了解现场情况。
系统配置图

为什么选择Moxa?
•EDS-828千兆工业交换机的两个千兆端口可以用于组建千兆冗余环网,其他的千兆端口用于连接核心交换机,建立冗余路径
•EDS-508A网管型交换机可以连接EDS-828以及其他数据采集设备,确保网络和数据传输的稳定
•Moxa交换机均支持Turbo Ring,冗余时间小于20ms
•Moxa交换机无风扇和低功耗的设计有力保证了设备运行可靠、稳定,其MTBF均达20年以上
• EDS-828和EDS-508A交换机可通过E-mail、Relay、OPC data等三种方式发送故障报警信息,SNMP Trap还可有效捕捉故障点
•工程师不但能够采用Web方式管理、配置EDS-510A/518A系列交换机,而且可以通过以SNMP OPC Server软件集成的网络监视软件实时监控网络的每个端口的状态
[DividePage:NextPage]
应用产品介绍

EDS-828 (link: )
•三层交换机,支持静态路由和RIP V1/V2
•4个千兆端口,24个快速以太网端口(光纤/RJ45)
•支持Gigabit Turbo Ring,RSTP/STP(IEEE802.1W/D),用于以太网冗余
•支持QoS,IGMP snooping/GMRP,VLAN,LACP,SNMP V1/V2c/V3,RMON
•支持IEEE802.1X和https/SSL,增强网络安全性

EDS-508A (link: )
•8个10/100BaseT(X)端口
•支持Turbo Ring(自愈时间< 20 ms)
•支持QoS,IGMP snooping/GMRP,VLAN,LACP,SNMP V1/V2c/V3,RMON
•异常状况可以通过用户定制的e-mail进行报警
•基于Web的友好管理和配置方式
关于Moxa
您可以在Moxa企业网站中,找到所有Moxa工业自动化连网产品的相关信息,包括嵌入式工业计算机、工业以太网络交换机、串行设备连网服务器、多串口卡、嵌入式设备服务器及远程I/O服务器等,也可以通过电子邮件,或拨打电话021-52589955,直接与Moxa联系。
四零四科技的logo是Moxa Group的注册商标。本文内提到之所有其它商标为各该拥有人之财产。
(转载)



