背景
一种新的策略: 尾矿再加工
从以往来看,由于要求粉碎、研磨和冶金处理, 选矿工艺效率低下,有些有价值的金属物质会残留在余渣中。 但最近, 改进的开采技术和不断增长的黄金价格已经打开了市场机遇,使许多矿业公司收购老的矿场、并在尾矿上使用冶金技术来得到残余的黄金。
南非的Mintail矿业有限公司目前重点研究,评估和处理位于Witwatersrand的成千上亿吨的含金的尾矿。在该地区,据专家称,已开产的金矿占全世界开采量的40%。黄金回收利用的方法从来没有100%的有效,因此自动化和控制技术在提高冶金制作工艺上正起着重要的作用。在Opto控制系统集成商的帮助下,每月该地区都能在尾矿中收集到大量的有价值的金属。同时,通过这种处理, 公司正在减少土地的消耗和有碍观瞻的垃圾场来积极改善环境。

Opto 控制公司是一个已经超过10年的,且在工业自动化,远程监控,及数据采集与应用方面的硬件及软件的供应商和集成商。专业于解决使用Opto 22 的部件和系统, Opto 控制涉足广泛的项目和工业解决方案,包括过程控制和安全,印刷生产监控,及工厂自动化。公司总裁Mike Harrison和过程控制及编程工程师Adam Carless率领一个小组,为Mintails’ Mogale Sands Plant (“Mogale Gold.”)的尾矿处理构建自动化系统。这个系统与现场设备及仪器仪表进行通讯,监测,控制和采集数据, 同时也管理一些机械和化学的处理,从而从尾矿中分离出黄金 。Opto 控制系统的重要组成部分包括Opto 22基于机架式的独立可编程自动化控制(PAC)和处于各地区金矿的尾矿库处理厂现场的I/O站。
Harrison解释说“起初,这些控制器将通过光纤电缆进入网络,但是Mintails管理层最后决定为Mikro Tik设计一套无线解决方案,以此避免挖掘地沟及铺设电缆。”
MikroTik的平台特征包括基于Linux的操作系统、全方位天线、和802.11(a/b/g/n)在工业频率范围、科学及医用频段(ISM)内的无线通信能力。系统也具备网络划分力,数据传输速度可达350Mbps,传输范围轻松的覆盖了Mogale站点与控制器间的平均距离(约150米)。
尾矿处理
尾矿处理先从从矿井泵水送至尾矿堆放场,那里作冲洗及制造泥浆。
Opto 控制系统管控泵每小时抽取约600立方米的水,控制器将数据传输到数字输出模块,用于启停水泵、以及改变管道内的阀门驱动器状态;而输入模块采集流量反馈情况、水位开关、和差分压力传感器的数字,以保证水泵正常工作。
Harrison说:“我们也用电磁流量计检测与监控流量,模拟输入模块得到从流量计反馈的数据”,“这些流量计没有运动机件(故障率性低且适用于抽取脏水)。
多数I/O模块是8、16、32通道的高密度模块,可显著节省成本并节省机架的空间。然而在一些案例中,Harrison决定实用Opto 22 I/O产品较早期的G4系列,它的每个模块都可导通更高额定电流(达3安培),事实证明对于驱动大型任务的电动机及水泵,这是个更好的选择,就像在Mogale金矿区一样。
当水被抽取上来,大型喷水口喷射水,所形成的泥浆重回矿井。泥浆通过一系列的筛选,过滤掉残屑及其他矿物。

用于制造泥浆的大型水泵
[DividePage:NextPage]
炭浸法与洗脱
“溶浸”指的是冶金提取,它是种化学处理,通过边溶解边从固体变为液体的转移中分离尾矿。接着,融化的金子转变成浓缩的固态。在吸收并融化金子成为活性炭后处理被完成。这种炭的形式非常易于渗透(一克炭的表面积可以达到小型停车场大小),这使它更适合吸收金子。
在洗脱阶段,通过腐蚀性物质及氰化物的化学混合去除金子表面的炭。通过操作人员的指令,Opto Controls系统打开了必要的阀门,启动一系列进水泵,开始输送水,腐蚀性物质(氢氧化钠)及氰化钠进入洗脱罐。启动大型柴油燃烧机,氰化物解决方案是通过热量交换不断循环,温度控制在80-90°C,这套解决方案为洗脱罐提供原料。Opto Controls系统在这些过程中占据重要的角色。
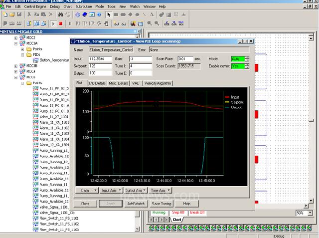
Harrison解释道:“在这个工程中有多种设备及许多类型的仪器,我们的系统连接到监测器和(或者)控制器,几乎包括所有的这些东西:提供腐蚀性物质及氰化物原料供给泵的电动机、压力指示器、存储罐温度探针、空气阀、流量计”。变速器(VSD)是特别重要的环节,它是调控泵的电动机。为了确保设备运行在最佳状态,保持适当流量,Carless已设立了许多PID回路。

人机界面屏幕详细介绍了尾矿再加工洗脱过程

工程师Adam Carless设计在Mogale金矿过程编程中处理PID调节的温度和流量
分布式架构
显而易见,PID回路控制无需Opto 22控制器控制其运算,但是可远程控制众多分散于Mogale的多机架式I/O。PID不断进行着运算,并做适当调整,从而分担控制器的一些功能到分布式架构的I/O,这将有众多好处。最重要的是,显著减少了整个系统运行的故障率,因为即使主PAC控制器故障,独立的I/O处理器将不中断地继续工作。
“对于Mogale金矿,这意味着如果一个中央控制器因某种原因掉线了,所有从PID控制的流程将继续工作,像泥浆溢出等潜在事故将被有效避免”,Carless解释道。PID控制在Mogale金矿的氰化物相关的工程中担当重任。
氰化物
在炭浆浸出与洗脱过程中,如何避免转化与释放氰化氢液体成为氰气是关键的,它是有剧毒的。氰化物通过获得自由质子转化为气态。因此,在通过Mogale金矿工程中, 通过外加碱性物质,确保氰化物质子低浓度,如添加生石灰(氧化钙),可确保PH值超10.5。
“氰化物是极其危险的,我们必须设计一些特定的工程,在无人操作下全自动运作”,Carless说道。
氰化物分析仪及PH传感器与模拟输入模块相连接,它提供连续的数据采集,PID回路控制计算出所需的化学量,增加适量的石灰。为了确保安全,如果PH值低于10,氰化物将不再增加,洗脱也将自动暂停直到问题被纠正。
Opto Control系统也控制燃烧炉和用作腐蚀性物质/氰化物洗脱加热的温度监控仪,与泵一同通过CIL提取炭浆及泥浆,并计算补料。液位探头通过模拟输入模块连接到控制器进行数据通讯,当计量满了,炭浆输送会自动停止。

Opto 控制系统放置于如图的大型储油罐边上
炭浆接着从料斗输送到脱洗罐。这一步的起停是手动的,但Harrison说最终目标是使这个过程完全实现自动化(其他大部分工艺都是人工)。
洗脱时,腐蚀性物质/氰化物洗脱金子表层,使它容易提取。用电解的方法使金子分离。该解决方案先是被测试,目的是为下一炉运作所需的腐蚀性物质及氰化物的容量作参考。氧气帮助清洁洗脱管道,残余的液体被送回洗脱罐。固体炭浆接着通过流动的水流运送到可计量的加料斗中。随着洗脱管道水流尽了,就准备下一炉运作了。
PAC Display 是人机界面开发工具, 是PAC Control配套软件。 Mintails 管理层考虑到使用Invensys’ Wonderware,它是在矿业及其他过程工业中最广泛使用的HMI套件之一。然而,事实上,在Wonderware的使用许可权上的花费是非常昂贵的,幸运的是,PAC Display HMI套件已被认定包含所有所需功能,而且花费便宜得多。
最终,在Rand的Mintails金矿挖掘行动共处理了3.22亿吨的表面残渣。在公司的日常记录中,Mogale沙处理厂(Mogale一号金矿)2009财政年度的共产170万吨,金产量为571公斤(18,365盎司)
环境效益
历史上,尤其是遍及南非及Rand地区,矿业对环境造成了不义的影响,在这方面Mogale项目具有纠正、弥补这种负面影响的额外优势,Mogale金矿尾矿堆除了不雅观,更是尘埃和水污染的源头。也是潜在的易泄漏流入地下水的污染物,有可能影响陆地水资源的质量。Mintails移除这些尾矿堆将减少尘埃,也可降低对地表及地下水的污染。通过清洗,Mintails有效地为遍及西兰德的土地发展提供帮助。
Mogale二号金矿
二号金矿项目场地临近一号金矿,几乎已全部完工,工厂设施最近刚生产出首块金条。一旦可实现运营,估计Mogale二号金矿每月将需要分离35万顿尾矿。

关于Opto 22
(转载)



