摘要
介绍一款基于8位单片机ATmega128为主控芯片,具有16路输出的ARTU-J16型遥控单元的设计原理,以及该产品主要技术指标与应用案例。
关键字:ATmega128芯片;遥控单元;ARTU-J16型
引言
在电力及工业自动化控制系统中,断路器的分合、电机的启停,电磁阀的开闭等,有众多的执行机构需要进行远程控制,在以往的系统设计中常使用多个PLC或带有通讯和开关量输出功能的现场仪表组成一个远程自动控制系统,但高昂的成本和繁琐的系统结构给自动化设计、应用带来困扰。
本文介绍一款具有16路遥控接点输出的ARTU-J16,该装置通过RS485总线与上位机相连,作为远程继电器输出模块,用于接收计算机指令,执行系统的遥控操作或自动控制,继电器输出共16路,装置拥有1600组操作事件记录,带GPS校时功能,在外部电源掉电后可以保证SOE事件记录一个月内不丢失,相对以往控制方式,本设计在简化控制网络结构的同时,提供了一种低成本,高可靠性的替代方案。
电路设计原理
ARTU-J16遥控单元硬件主要包括主CPU芯片、拨码开关设定输入、实时时钟、双路RS485通讯、SOE事件记录存储、看门狗控制、继电器控制及输出、供电电源模块等8部分组成(见图1)。

图1 电路结构
1 主控CPU
ARTU-J16型16路遥控执行单元设计采用ATMEL公司的ATmega128,单芯片实现双路RS485通讯、数据处理、事件记录存取,显示和16路继电器常开接点的输出状态控制。ATmega128是ATMEL公司推出的一款8位RISC结构高速低功耗单片机,在16M时钟频率时系统性能可达16MIPS,内带128k的FlashROM、4k的EEPROM、4k系统SRAM;可扩展64k外部存储器;两路UART通讯口。同时该芯片拥有JTAG在线编程口,方便用户调试,降低了开发成本,53个可编程I/O口可以挂接足够多的外围设备。
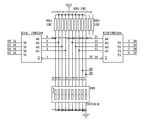
2 拨码开关设定输入
拨码开关提供用户一个简化的人机接口,用于设定RS485通讯中的地址、波特率、数据格式等设定功能,拨码开关(SW1)的10位数据口都接10k电阻上拉到Vcc,电路使用一个74HC244(IC5)数据缓冲器,把拨码开关的状态传送到8位数据总线,剩余两根数据线则直接接到CPU的I/O端口(见图2)。

图2 拨码开关设定输入
3 实时时钟
实时时钟芯片RX-8025A(IC4)提供给系统SOE事件的时间记录点,该芯片拥有400kHz 串行 总线接口,内置频率为32.768 kHz 的石英振荡器,提供宽温、高稳定性的实时时间数据。
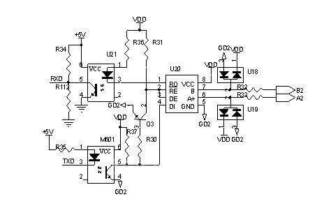
4 通讯方式
通讯方式采用双路RS485方式,调试及设定和上位机通讯部分在物理上分成两路,互不干扰,有效防止可能存在的误操作(见图3)。

图3 双路RS485通讯电路
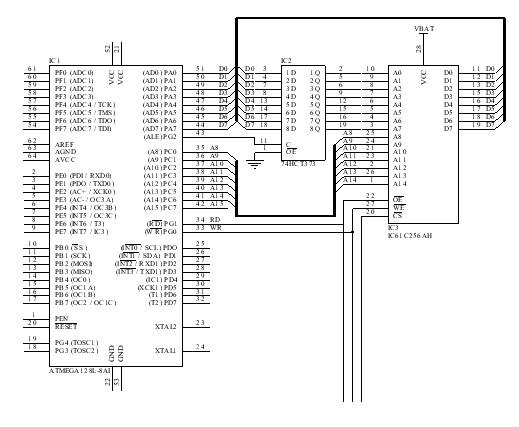
5 SOE事件记录存储
SOE事件记录存储器使用32k低功耗SRAM(IC3)IC61C256AH和后备电源形成一个断电不丢失的数据存储单元,使用数据锁存器74HC373(IC2)和CPU的PC端口组成15位数据地址对IC3进行数据存储操作(见图4)。

图4 事件记录存储电路
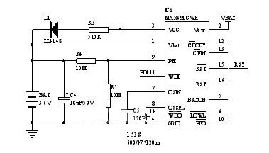
6 看门狗控制
掉电自动保存部分使用MAX691CWE(IC8)作为电源管理,在系统有辅助供电的情况下保证IC3由主电源Vcc供电,当主电源掉电时则自动切换到后备电池供电方式。同时此芯片还兼有看门狗功能,在系统死机的极端情况下及时复位CPU使系统快速恢复至受控状态(见图5)。

图5 看门狗电路
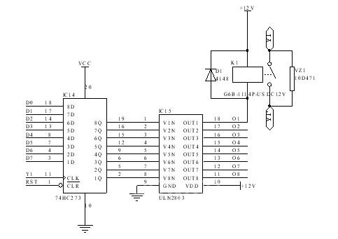
7 继电器控制及输出
继电器控制输出使用一个74HC273(IC14)锁存需要输出的8路继电器输出状态,再经由ULN2803(IC15)驱动对应的继电器(K1只是16路中的一路),二极管D1可以旁路继电器K1在断开的瞬间所产生的反向电流,而并接在K1输出接点上的压敏电阻VZ1则可以吸收关断后级感性负载所产生的反向电动势,有效延长输出继电器触点的寿命(见图6)。

图6 继电器控制及输出
8 电源部分
电源模块采用PI公司的开关电源芯片,输入范围为AC/DC 80-270V,电源共有3路输出,分别给CPU,继电器驱动、通讯等部分电路提供电源。
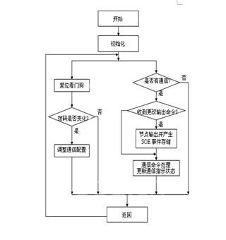
软件设计

软件设计流程见图7
产品结构特点及技术指标
ARTU-J16采用DIN35mm导轨安装。前端带通信指示和信号运行通道指示2组指示灯,通信有两路RS485接口,一路用于通用参数的设置及调试,另一路用于和上位机通讯。产品顶端设有拨码开关窗口,可通过拨码开关设置产品通讯地址和波特率。产品符合JB/T10388-2002《带总线通信功能的智能测控节点产品通用技术条件》、GB/T7261-2000《继电器及装置基本试验方法》和GB/T13729-2002《远动终端设备》标准。
|
性能 |
指 标 |
|
输出回路 |
16路继电器输出(脉冲或保持方式) |
|
输出容量 |
AC 5A/220V或DC 5A/30V
|
|
总线方式 |
二线制半双工RS485(ModBus—RTU)建议采用三芯屏蔽线 |
|
总线容量 |
≤32 |
|
操控准确率 |
100% |
|
事件顺序记录(SOE)容量 |
1600组 |
|
外壳防护等级 |
IP20 |
|
电源 |
DC24V或AC/DC200V |
|
电源功耗 |
<5W |
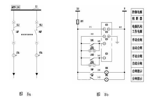
应用案例
以某配电系统为例,1台ARTU-J16控制8路低压馈线,CM1断路器配电动机操作机构,一次方案见图8(a),控制方式见图8(b)。启停按钮现场手动控制各回路断路器的合、分闸,遥控单元通过通讯接口集中控制8路断路器的工作状态,实现断路器就地与远程两地控制的工作模式。

结束语
ARTU-J16遥控单元于2007年12月在国家继电保护及自动化设备质量监督检验中心测试,符合相关标准要求。该产品已在某油田供水供电公司、苏州某税务大厦、内蒙某煤矿等工程配电监控系统中得到应用,降低了投资成本,产生了较好的社会和经济效益。
参考文献
[1]上海安科瑞电气有限公司.ARTU四遥单元安装使用说明书,200807版.
[2]任致远,周中.电力电测数字仪表原理与应用指南,中国电力出版社,2007.
作者简介
刘文凯,男,高级工程师,研究方向为建筑电气设计;
李敏,男,高级工程师,研究方向为建筑电气设计;
蔡磊,男,研发工程师,研究领域为工控产品的设计和开发。
(转载)



