|
概述
随着技术的进步,由可编程序控制器(简称PLC)组成的自动控制系统在很多行业和领域都得到了广泛的应用,制冷空调行业也不例外。PLC和工业人机界面(HMI)被大量地 用于冷水机组上,例如在吸收式冷水机组上,OMRON的 C200Hα、CS1、CJ1 系列 PLC就以 其优异的性能(运算功能、网络通讯功能、开放的容易使用的通讯协议等)获得了企业和 用户的赞同而得到了广泛的使用。它的网络功能让企业能在自己的服务中心足不出户就可 以监视在全球各地的用户所使用的机组的运行全部状态和数据,帮助客户解决运行中碰到 的问题,提醒客户维护和保养机器,以及帮客户重新恢复机组的控制程序和设定机组运行 参数等等。这大大提高了服务的质量和效率,也为企业节省了大量的开支。但是由于成本 的原因,这些系列的PLC 无法在其他冷水机组如风冷冷水机组、水冷螺杆机、活塞机等产 品上取得应用,为此OMRON 推出了另一款机型CPM2AH,这种机器扩充能力强,性能价格比高,非常适合在水冷和风冷冷水机组中使用。 控制系统的配置方案 CPM2AH 系列PLC 是一款在小机壳内汇聚了先进的功能和优异的表现的产品。其基本单 元有 20、30、40、60 点四种,包含了数字量输入和高速脉冲输入、继电器输出功能,根据 系统开发的需要,可以增加扩展模块,扩展的模块包括开关量输入输出模块,Pt100 温度 输入模块(TS101/TS102),电流电压输入模块(AD041)和模拟量输出模块(DA041)。在通 讯功能上可以: (1)通过Host link 连接到计算机系统; (2)通过1:1 Link 与OMRON其他系列的PLC进行通讯; (3)通过Compobus/S 和Device Net进行远程模块扩展,从而实现集散型控制。 这些功能可以很好地满足机组的控制要求。满足水冷和风冷冷水机组配置要求的控制系统构成见下表:

表一:各类冷水机组所需要的系统配置
述配置表为一般通用型配置,其中风冷机组中,由于涉及到压力测量,所以模拟量 输入采用电流/电压型输入模块;对于水冷冷水机组,一般考虑 2路温度输入,如果需要增 加温度测点,可以将TS101模块换成TS102 模块,这样可以将温度输入点增加到4路。每套PLC的CPU单元上有两个通讯接口,一个供与触摸屏进行连接,另外一个可以连接到远 程计算机实现远程监控。 由于OMRON的PLC产品通用性很强,很多公司的触摸屏都可以和它通讯连接,因此可 以根据价格、功能和技术特点来选择相应的触摸屏产品与 PLC 配套使用。对于其他有特殊要求,或设计中需要增加模拟量和数字量的情况,还可以酌情增加其 他相应的扩充模块以满足要求。
[DividePage:NextPage]
控制系统功能 控制系统的功能包括:设备运转控制,运行参数监视,能量自动调节,故障报警记录 和系统参数设定等功能。 1.设备运转控制 可以以三种形式启动机组,本地启动、远程信号启动、定时启动, 具体为:(1)在远程信号和定时信号都屏蔽的情况下以本地方式启停(2)在定时屏蔽、远 程信号允许的情况下以远程方式启停(3)定时允许的情况下以定时方式启停。在系统无全 局故障情况下,以任何一种方式启动后,辅机设备先开启,然后开启主机。当机组中有多 台压缩机时,控制系统将根据压缩机运转的时间来确定开启的压缩机编号,以使得机组中 各台压缩机保持相对平均的运行时间。停机也有三种形式,与机组的启动方式相对应。停机时,先将压缩机卸载,然后停止 行。但无论在何种启动的模式下,本地停机均拥有最高的操作优先权。 2.运行参数监视 控制系统可以监视机组运行过程中的运行参数和设备运行状态,显 示各重要参数的变化趋势曲线。如冷水出口温度、压缩机的负载情况等。 3.能量自动调节 在机组辅机运转正常,主机启动完成后即进入能量调节过程。可以 通过选择冷水入口温度控制或冷水出口温度控制来决定机组是根据入口温度还是出口温度 来实现控制。 在入口温度控制或出口温度控制下,比较实际温度和设定温度值,决定机组的上下 载。实际温度值大于设定温度值时,机组上载;小于设定温度值时,机组下载。可以根据 两者间的温差值来决定上下载的周期长短,温差大则上载或下载周期短,温差小则上载或 下载周期相应增长,温差在0.5℃之间可以停止上下载。 4.故障报警记录 控制系统可以对下列情况进行报警和记录。如果是风冷冷水机组控 制系统,则没有冷却水和冷却塔风机的相应报警功能,但会增加融霜和制热运行的故障报 警。冷水泵故障:冷水泵启动,经过延时时间后,如冷水泵连锁信号仍未到,冷水泵故 障报警。断流故障:冷水泵或冷却水泵都启动后,水流延时时间到后,水流开关信号未到, 水断流报警。防冻开关:防冻延时时间到,防冻开关信号未到,防冻报警。 冷水低温报警:延时时间后,如冷水出口温度小于3℃,冷水低温报警。 外部连锁故障:延时时间后,用户外部连锁未到,外部连锁故障。 压缩机过载:延时时间后,热保信号未到,压机热过载报警。 高压报警:延时时间后,高压保护未到,压机高压报警。 低压报警:延时时间后,低压保护未到,压机低压报警。 油压报警:延时时间后,油压保护未到,压机油压报警。 传感器故障:延时时间后,如传感器显示温度值大于200℃,传感器故障报警。 冷却水泵故障:冷却水泵启动,延时时间后,冷却水泵连锁未到,冷却水泵故障报警。 冷却塔风机过流:风机启动,延时时间后,过流保护信号未到,风机过流报警。有任何一故障发生,开关量故障输出,系统声光报警。故障排除后,需手动复位。 5.系统参数设定 控制系统可以对下列参数进行设定: 温度修正值,修正传感器采集的实际温度值,默认下修正值为0;水流开关延时时间(默认为 3 秒,最小为0.5 秒); 低压延时时间(默认为5 秒,最小0.5 秒); 油压延时时间(默认为50秒,最小0.5 秒); 关机延时时间(默认为120 秒);压缩机最少运行时间(默认为120 秒); 允许压缩机启动的停机延时时间(默认为480 秒,最小为300 秒); 冷却塔风机开温度(默认为28℃,最小25℃,最大30℃); 冷却塔风机关温度(默认为23℃,最小20℃,最大25℃); 冷水入口温度(默认为12℃,最小为10℃); 冷水出口温度(默认为7℃,最小为 5℃)。 对风冷热泵机组还有强制除霜运行时间,除霜起始条件和结束条件,制热运行参数等。此外系统还可以修改控制器内置时钟,从而有效地通过定时功能实现控制,可以通过设定开关机时间,自动定时开启和关闭机组。可以通过分别设定一周每天的开关 机时间,经过与内置的时钟比较自动运行机组。 技术特点 OMRON小型CPM2AH 系列PLC 具有优异的性能价格比,所组成的控制系统具有如下技术 特点: 1.稳定的性能CPM2AH系列PLC外型小巧结构紧凑,OMRON公司长期积累的生产控制经 验和严格的技术标准保证了其可靠稳定的性能,即使在恶劣的工业环境下仍然能正常运行。 更经过高低温的考验,使得该PLC可以适用在特殊的场合。 2.模拟量功能CPM2AH使用专用的TS101/TS102温度控制模块,直接连接PT100温度传 感器,提升温度测量的精度和可靠性。 3.通讯功能增强CPM2AH 提供内置的RS232C端口和RS422端口。OMRON完全开放的通讯 协议可以方便的实现上位机远程监控功能,用户可以随心所欲自己定制开发通讯监控系统。 4.高速的程序执行速度 更快的程序指令执行速度,使得控制过程精确无误。 5.很强的扩充能力 模拟量可以增加到12路;系统支持Device Net协议,具有强大的 扩充能力,通过远程端子,可以扩充到256点,方便组成集散控制系统。
[DividePage:NextPage]
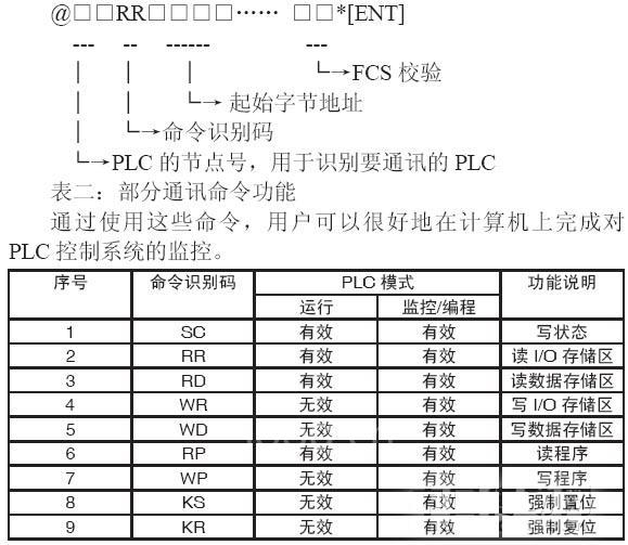
计算机监控 CPM2AH系统可以提供RS232 和RS422 通讯接口,用户计算机可以根据实际情况直接与PLC相联,构筑自己的计算机监控系统,也可以通过调制解调器实现远程监控。在通讯协 议上,OMRON的PLC产品采用统一开放的通讯协议,便于用户开发自己的监控软件。通讯 协议主要有运行状态控制,存储区读写等功能。通讯协议格式为:

结束语 本套控制系统从 2005 年初推出后,得到了很多用户的认可。目前已经开始在部分用户 投入使用,使用情况表明,本系统运行稳定可靠。尤其是其开放的通讯协议,使得用户可 以定制自己的计算机监控系统,这就为用户管理机组的运行提供了方便,受到了用户的好评。 |