切纸机械是印刷和包装行业最常用的设备之一。切纸机完成的最基本动作是把待裁切的材料送到指定位置,然后进行裁切。其控制的核心是一个单轴定位控制。我公司引进欧洲一家公司的两台切纸设备,其推进定位系统的实现是利用单片机控制的。控制过程是这样的,当接收编码器的脉冲信号达到设定值后,单片机系统输出信号,断开进给电机的接触器,同时电磁离合制动器的离合分离,刹车起作用以消除推进系统的惯性,从而实现精确定位。由于设备的单片机控制系统老化,造成定位不准,切纸动作紊乱,不能正常生产。但此控制系统是早期产品,没有合适配件可替换,只能采取改造这一途径。目前国内进行切纸设备进给定位系统改造主要有两种方式,一是利用单片机结合变频器实现,一是利用单片机结合伺服系统实现,不过此两种改造方案成本都在两万元以上。并且单片机系统是由专业开发公司设计,技术保守,一旦出现故障只能交还原公司维修或更换,维修周期长且成本高,不利于改造后设备的维护和使用。我们结合自己设备的特点提出了新的改造方案,就是用PLC的高速计数器功能结合变频器的多段速功能实现定位控制,并利用HMI(人机界面HumanMachineInterface)进行裁切参数设定和完成一些手动动作。
2 改造的可行性分析
现在的大多PLC都具有高速计数器功能,不需增加特殊功能单元就可以处理频率高达几十或上百KHz的脉冲信号,而切纸机对进给系统的精度和响应速度要求不是很高。可以通过对切纸机进给系统相关参数的计算,合理的选用编码器,让脉冲频率即能在PLC处理的范围内又可以满足进给的精度要求。在进给过程中,让PLC对所接收的脉冲数与设定数值进行比较,根据比较结果驱动相应的输出点对变频器进行输出频率的控制,实现接近设定值时进给速度变慢,从而减小系统惯性,达到精确定位的目的。另外当今变频器技术取得了长足的发展,使电机在低速时的转矩大幅度提升,从而也保证了进给定位时低速推进的可行性。
3 主要控制部件的选取
3.1 PLC的选取
设备需要的输入输出信号如下:
x0脉冲输入
x1脉冲输入
x2前限位
x3后限位 y3 前进!
x4前减速位 y4 后退
x5电机运转信号 y5 高速
x6刀上位 y6 中速
x7滑刀保护 y7 低速
x10压纸器上位 y10
x11光电保护 y11
x12小车后位 y12 进给离合
x13双手下刀按钮 y13 压板下
x14停止按钮 y14 刀离合
x15连杆保护 y15 电机禁启动
x16刀回复到位
针对这些必需的输入点数,选用了FX1s-30MR的PLC,因为选用了人机界面,其它一些手动动作,如前进、后退、换刀等都通过人机界面实现,不需占用PLC输入点,从而为选用低价位的FX1s系列PLC成为可能,因为FX1s系列PLC输入点最多只有16点。另外此系列PLC的高速计数器具有处理频率高达60千赫的脉冲的能力,足可以满足切纸机对精度的要求。
3.2 编码器的选取
编码器的选取要符合两个方面,一是PLC接收的最高脉冲频率,二是进给的精度。我们选用的是编码器分辨率是500P/R(每转每相输出500个脉冲)的。通过验正可以知道此分辨率可以满足上面两个条件。验证所需的参数:电机最高转速是1500转/分(25转/秒)、进给丝杆的导程是10mm/转。验证如下:
本系统脉冲最高频率=25转/秒×500个/转×2(A/B两相)=25KHz
理论进给分辨率=10mm/500=0.02mm
同时由上面的数据知道进给系统每走1mm编码器发出50(此数据很重要,在PLC程序的数据处理中要用到)个脉冲信号。由于此工程中对编码器的A/B 相脉冲进行了分别计数,使用了两个高速计数器,且在程序中应用了高速定位指令,则此PLC可处理的最高脉冲频率为30千赫,因此满足了第一个条件;我们的切纸机的载切精度要求是0.2mm,可知理论精度完全满足此要求。
3.3 变频器和HMI的选取
这两个部件我们都选用了三菱公司的产品,分别是FR-E540-0.75K-CH和F920GOT-BBD-K-C。
4 F920GOT-BBD-K-C的特点:
F920GOT是带按键型的HMI,它的使用和编程非常简单方便。它具有以下特点:1)可以方便的实现和PLC的数据交换;2)通过本身自带的6个功能按键开关,可以控制PLC内部的软继电器,从而可以减少PLC输入点的使用;3)具有两个通讯口,一个RS232C(用于和个人电脑通讯)和一个 RS422(用于和PLC通讯),利用电脑和F920GOT相连后不仅可以对HMI进行程序的读取和上传,还可以直接对PLC的程序进行上传下载、调整和监控。
5 PLC和HMI程序的编写
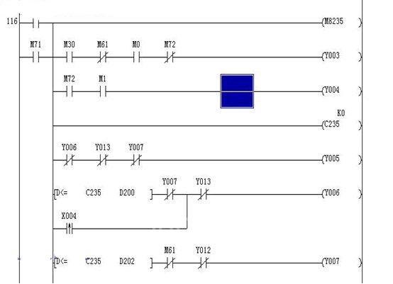
此工程中程序的难点主要在于数据的处理上。在切纸机工作过程中除手动让进给定位机构前进后退外,还要实现等分裁切功能和指定具体位置定位功能,并且 HMI上还要即时显示定位机构的当前位置。我们为了简化程序中的计算,采用了两个高速计数器C235和C236。C236通过计算前进后退的脉冲数,再进行换算后用于显示进给机构的当前位置;C235用于进行精确定位。定位过程是这样的,每次进给机构需要定位工作时,通过计算把需要的脉冲数送到C235,不论进给机构前进还是后退C235进行减计数,同时对C235中的数值进行比较,根据比较结果驱动相应的输出点对变频器进行输出频率的控制,实现接近设定值时进给速度变慢,从而达到精确定位。因为任何系统都有惯性和时间上的迟滞,所以变频器停止输出的时间并不是C235中的计数值减小到0时,而是让 C235和一个数据寄存器D130比较,当C235中的值减小到D130中的设定值时PLC控制变频器停止输出。D130的值可通过人机界面进行修改和设定,在调试时通过修改这个值,以达到定位准确的目的。显示定位机构当前位置的程序见下图1,

图1显示定位机构当前位置程序段
[DividePage:NextPage]
实现定位控制的程序段见下图2。

图2定位程序段
还有一个问题是参数设定时的小数点位问题,实际工作中在设定位置时要精确到0.1mm。这个问题在一些单片机系统中常会遇到,常见的处理办法是加大一个数量级,就是设定数据时,在人机界面上用1代替0.1mm,10代替1mm。不过我们在处理此问题时通过HMI中对数据的设置和PLC的程序编写达到了所见即所得的效果。HMI中主要是对数值的格式要设定好。HMI中的设置画面见下图。

图3HMI中数据设置画面
比如我要等分裁切10.5mm的纸,就可以在HMI上设定为10.5,而不是像我公司其它设备上要设为105,但PLC的寄存器D128的内容是105而不是10.5,这样在计算需要的脉冲数时就要用下面一条命令:
MULD128K5D10(此命令中尽管编程时D11不出现但实际上寄存器D11被占用,不能再应用于其它地方,否则会出现问题。)
而不是用:
MULD128K50D10
编程中其它应注意的问题。一是双线圈问题。本工程中利用条件跳转和步进指令避免了双线圈问题。二是误信号问题。编码器是一种比较精密的光电产品,受振动时不可避免的会出现误信号,而切纸机在执行裁切动作时会造成很大振动,如果忽视这个现象,定位精度和执行机构当前位置的显示都会不准确。本工程中处理方法参见上面例子程序图1,只有Y3、Y4接通,即只有进给机构前进和后退时才让C236进行计数,这样就屏蔽了裁切时震动造成的误信号。
6 变频器的参数设置
此工程中需设定的变频器的主要参数见下。
参数 号名称设定值
0 转矩提升 8%(低速时电机转矩不足时可提高此数字)
43 速设定(高速) 30Hz
53 速设定(中速) 10Hz
63 速设定(低速) 2Hz
7 加速时间 0.5s
8 减速时间 0.5s
24 多段速设定(4速)50Hz
79 操作模式 2(只执行外部操作)
在调试过程中为了达到定位速度和精度的完美结合,应对三段速设定值,加减速时间和HMI中D130、D200和D202的数值进行相应调整。
7 结论
通过上述的改造过程,完全恢复了我们切纸机的功能,试用三个月以来运行非常稳定。由这个应用实例可以看出结合PLC的高速计数器功能,合理的进行应用,在一定场合可以取代高成本的定位控制系统,实现控制系统最优的性价比。也迎合了我国当前提出的建设节约型社会的宗旨。
(转载)



