关键词:高压变频器 节能
Abstract: This text has introduced the application of the domestic high voltage inverter in the dust removal air blower of sintering plant Jinan Iron and Steel Corporation. The running result indicates that the adoption of high voltage inverter in the dust removal air blower is successful and the effect of saving energy is distinct.
Key words: High voltage inverter Saving energy
1.引言
济钢始建于1958年,是国内十大钢厂之一,是全国最大的中厚板生产出口龙头企业,产品出口比例、中厚板的产量、成本、市场占有率、出口量等多项指标位居全国前列。济钢烧结厂拥有4台烧结机,年产烧结矿580万吨。所有原料、成品都经由皮带运输机传送,在运送过程中会产生大量粉尘,这些粉尘会造成环境污染,根据国家法规,需要除尘处理。
济钢烧结厂的配料电除尘器负责对熔剂破碎系统和配料室的熔剂区的扬尘点进行除尘。由于熔剂破碎系统属于间歇工作制,配料除尘系统每天大约有70% 的时间粉尘浓度高,需要的除尘风量大,另有30%的时间粉尘相对较少,不需要很大的风量。但是现有的系统采取调节风机入口的风门来进行调节风量,风机电机始终满载运行,这样就造成了不必要的能源浪费。
随着市场经济的不断加剧,节能降耗成为企业提高产品市场占有率、竞争力的有效手段之一。而高压大功率变频调速技术的日益成熟,使得该项技术广泛应用于冶金、石油、化工、电力、水泥、给排水、制药、造纸、污水处理等各个行业。济钢烧结厂正是在这种形势下,对配料除尘系统进行高压变频技术研究改造,经多方考察比较,最终选用山东新风光电子科技发展有限公司生产的高压变频调速系统,对配料除尘风机进行调速节能改造。
2.设备概况
济钢烧结厂配料除尘风机电机为沈阳电机股份有限公司生产的200KW高压异步电机,机组的主要参数如下:
除尘风机参数
型号 Y4-73
风量 145000m3/h
风压 4000Pa
电机参数
电机型号 YKK3554-6
额定功率 200KW
额定电压 6000V
额定电流 24A
额定转速 985rpm
3.高压变频调速系统
改造采用山东新风光电子科技发展有限公司生产的风光牌JD-BP37-240F功率单元串联多电平高压大功率变频器,以下是对风光牌JD-BP37-240F高压变频器的一些介绍。
3.1风光牌JD-BP37-240F高压变频器主要性能指标
变频器功率 240KW
额定输出电流 32A
输入频率 50HZ±5HZ
额定输入电压 6KV
允许电压波动 ±20%
输入功率因数 ≥0.98
输出频率范围 0~50HZ
输出电压范围 0~6KV
频率分辨率 0.01HZ
加速时间 可由用户生产工艺设定
减速时间 可由用户生产工艺设定
变频器效率 ≥96%
过载能力 100%连续 160%连续1min 220%允许1.5S
防护等级 IP20
3.2 JD-BP37-240F高压变频调速器主要技术性能
3.2.1 高——高电压源型变频器,直接6KV输入,直接6KV输出,无须任何输出变压器或滤波器,适配于普通高压电动机,对电机、电缆绝缘无损害。
3.2.2 输入功率因数高,电流谐波小,无须功率因数补偿、谐波抑制装置。
3.2.3 单元电路模块化设计,维护简单,互换性好。
3.2.4 输出阶梯正弦PWM波形。
3.2.5 高压主回路与控制器之间为光纤连接,强弱电隔离,安全可靠。
3.2.6 完善的故障检测,精确的故障保护及准确的定位显示和报警。
3.2.7 内置PLC,易于改变控制逻辑关系,可灵活选择现场控制/远程控制,适应现场多变需求。
3.2.8 采用载波移相控制技术,大大抑制了输出电压的谐波成分,保证输出波形是完美正弦波。
3.2.9 控制电源与高压电相互独立,无高压可以检测变频器输出,便于现场调试以及培训操作人员,便于维护。
3.2.10 采用准优化SPWM调制技术,电压利用率高。
3.2.11 功率单元经24小时高温老化、150%负载试验,可靠性高。
3.2.12 中文Windows 操作界面,彩色液晶触摸屏操作。用户操作监控系统界面十分友好和完善,系统包括上位机(商用PC机)、下位机(工控机)、单片机。其中单片机给用户提供一个4位LED数码显示屏和一个12键的小键盘操作平台,可对变频器进行全部操作,包括参数设置和各种运行指令。工控机用触摸屏和通用键盘给用户提供操作平台,其功能更齐全,包括参数设定、功能设定、运行操作、运行数据打印、故障查询等等。上位机(商用PC机)放在总控室,可对多台变频器进行遥测、遥控。若只有一台变频器,上位机可省,或让客户自定。
3.2.13 可接收和输出多路工业标准信号。
3.2.14 可打印输出运行报表。
3.3高压变频调速系统
风光牌JD-BP37-240F高压变频调速系统采用直接“高-高”变换方式,属电压源型,采用功率单元多电平串联方式,以新型西门子IGBT为主控器件,全数字化控制,彩色液晶触摸屏控制,以高可靠性、易操作、高性能为设计目标的优质变频调速器。它对电网谐波污染小,输入电流谐波畸变小于1%,直接满足IEEE519-1992的谐波抑制标准,输入功率因数高,不必采用输入谐波滤波器和功率因数补偿装置;输出波形质量好,不存在谐波引起的电机附加发热和转矩脉动、噪音、输出dv/dt、共模电压等问题,不必加输出滤波器,就可以使用普通的异步电机
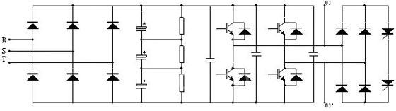
风光高压变频器,采用若干个低压逆变器功率单元串联的方式实现直接高压输出,所用的6kv高压变频器,变压器有18组付边绕组,分为6个功率单元∕相,三相共18个单元,采用36脉冲整流,输入端的谐波成分远低于国标规定 ,高压变频器系统结构如图1所示,单元电路的主电路如图2所示,旁路支路采用可控硅模块。

图1 高压变频器系统结构图

图2 单元电路主电路
3.4系统功能
(1)单元旁路功能
当某个功率模块发生故障时自动旁路运行,变频装置不停机,但需降额使用,即在每个功率单元输出端之间并联旁路电路,当功率单元故障时,封锁对应功率单元IGBT的触发信号,然后让旁路SCR导通,保证电机电流通过,仍形成通路。为保证三相输出电压对称,在旁路故障功率单元的同时,另外两相对应的两个功率单元也同时旁路。
(2)保护功能
变频装置有过电压、欠电压、过电流、缺相、变频器过载、变频器过热、电机过载等保护功能。
① 过流保护。电机电流的160%,允许1min, 超过则立即保护。
② 过载保护。电机电流的120%,每10min允许1min(反时限特性),超过则保护。
③ 单元过压保护。检测每个单元的直流母线电压,如果超过设定的数值,则变频器进行过压保护。
④ 单元欠压保护。检测每个单元的直流母线电压,如果低于设定的数值,则变频器进行欠压保护。
⑤ 变频器过热保护。输入侧整流变压器和功率单元放置温度检测元件,一旦超过温度极限阀值,则变频器进行过热保护。
⑥ 缺相保护。缺相分输入侧缺相和输出侧缺相两种。有相应检测回路,缺相后则进行相应保护。
[DividePage:NextPage]
3.5常见问题的处理
风光牌JD-BP37-240F高压变频器具有高度的智能化水平和完善的故障检测电路,并能对所有故障提供精确的定位,在工控机界面上作出明确的指示。用户可以根据工控机显示的故障信息,分别采取相应的处理措施。
为保证设备的可靠性,使设备最大程度不间断运行。系统发生下列故障时,按照一般故障处理:变压器轻度过热,柜门连锁故障,单元柜风机故障,工控机故障。对于一般故障的发生,系统不作记忆处理。系统运行时如果发生这类故障,变频器并不停机保护,只是发出报警信息。在停机状态下,如果存在这类故障,用户还能进行启动等操作。
系统发生下列故障时,按照重故障处理。单元重故障,变压器严重过热,以上重故障发生后,系统作记忆处理。故障一旦发生,系统报警并自动跳闸停机 。只有故障彻底排除后,才能重新开机。
4.系统改造方案
济钢烧结厂配料除尘风机电机的改造方案主回路如下图3所示:

图3控制方案接线图
K0 用户原高压开关
K1、K2和K3 变频器旁路开关柜高压隔离开关
BPQ JD-BP37-240F高压变频器
M 高压电动机
变频器控制配料除尘风机为一拖一控制,旁路开关柜用于工/变频切换。K1,K2和K3为三个高压隔离开关,要求K2和K3不能同时闭合,在机械上实现互锁。K3断开,K1和K2闭合,风机变频运行;K1和K2断开,K3闭合,风机工频运行。
5.项目实施情况
2005年5月6日,济钢与山东新风光电子科技发展有限公司正式签定变频器的供货合同和技术协议。
2005年6月3日,变频器运抵烧结厂库房。
2005年8月21日至25日,变频器本体安装。
2005年8月26日,变频器空载调试。
2005年8月27日至28日,变频器带载运行调试。
2005年8月29日至9月3日,变频器试运行。
2005年9月9日,变频器正式交接,我公司出据验收报告。
6.现场运行情况
与原系统比较,引进山东新风光电子科技发展有限公司生产的高压变频器有以下优点:
(1)运行稳定,安全可靠。变频器自正式投运以来,连续无故障运行,只需定期对变频器除尘处理,不用停机,保证了生产的连续性。
(2)可根据生产现场的实际粉尘浓度,通过变频器调节风机转速,达到除尘又节能的目的。
(3)减少了维护费用。由于对电机实现真正的软启动,软停止,所以对电机、风机、挡板等各种设备以及电网的启动冲击大大减少,减少了设备的维护,延长了设备的使用寿命,大大降低了维护成本。
(4)减轻了值班人员的劳动强度。原配料除尘系统有多个可操作阀门,在工频运行时,为了调节风量和满足工艺要求,需经常调节阀门,现场值班人员的操作繁琐;变频改造后,所有阀门始终处于打开位置,需要调节风量时,只需在值班室调节变频器远控箱的运行频率即可,大大减少了现场人员的工作量,提高了工作效率。
(5)变频器具有多项保护功能,十分完善。与原来旧系统相比较,变频器具有过流、短路、过压、欠压、缺相、温升保护等多项保护功能,更精确地保护了电机。
(6)节能效果显著,大大降低了除尘电耗。为了对除尘系统变频改造后的效果进行评价,在系统投入正常运行后对设备实际使用和节电情况进行了测定和数据分析。变频改造前后工况相同,随机抽取一个正常工作日,将系统切换工频运行采用阀门调节风量,网侧计量耗电量,然后将系统切换变频运行,计量耗电量,具体数据如下表:

7.结束语
总之,山东新风光电子科技发展有限公司生产的JD-BP37-240F高压变频器在我公司烧结厂配料除尘风机上的改造是成功的,它不仅满足了配料除尘系统生产工艺的要求,节能效果显著,而且性能稳定,运行可靠。在能源越来越紧张的今天,相信风光高压变频器,在更多的行业,会有更好的表现。
(转载)



