1 引言
我公司动力车间有1#、2#、3#高压循环水泵,正常运行时“二用一备”,3台电机均为直接工频启动,启动电流大,既影响设备寿命又对电网产生较大冲击。昼夜循环水温度变化较大,对循环水量要做出相应的调节。但原设备工频定速运行时,只能靠调节阀门的开度来调节循环水量的大小,通过人为改变管网的阻力,增加管网损耗来调节水量,造成相当大的一部分能量浪费在阀门上,致使电费居高不下。使用阀门调节流量,不仅不能够经济运行,而且增加了工人的工作量,调节不及时还会造成管网压力过高或过低,流量过大或过小,影响生产工艺及设备的安全运行。为了降低生产经济成本,提高工艺精度及工作效率,迫切需要对其中1台循环水泵进行调速节能降耗改造。
经多次调研、考察,综合比较目前市场上的调速设备,最终决定采用北京利德华福电气技术有限公司生产的harsvert-a06/050直接高-高型变频器对其中1台(3#)循环水泵进行节能改造。利用压力变送器采集循环水主管道压力自动控制变频器输出频率,保持循环水主管道恒压。
2 harsvert-a高压变频调速系统的技术方案
高压变频调速系统的工作原理如下。
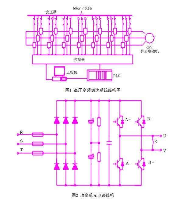
高压变频装置采用多电平串联技术,6kv系统结构如图1所示,整套系统由移相变压器、功率单元和控制器组成。6kv系列有21个功率单元,每7个功率单元串联构成一相。每个功率单元结构上完全一致,可以互换,其电路结构见图2所示,为基本的交-直-交单相逆变电路,整流侧为二极管三相全桥,通过对igbt逆变桥进行正弦pwm控制,可得到如图3所示的波形。


输入侧由移相变压器给每个单元供电,移相变压器的副边绕组分为三组,构成42脉冲整流方式;这种多级移相叠加的整流方式可以大大改善网侧的电流波形,使其负载下的网侧功率因数接近1。另外,由于变压器副边绕组的独立性,使每个功率单元的主回路相对独立,类似常规低压变频器。
输出侧由每个单元的u、v输出端子相互串接而成星型接法给电机供电,通过对每个单元的pwm波形进行重组,可得到如图4所示的阶梯pwm波形。这种波形正弦度好,dv/dt小,可减少对电缆和电机的绝缘损坏,无须输出滤波器就可以使输出电缆长度很长,电机不需要降额使用,可直接用于旧设备的改造;同时,电机的谐波损耗大大减少,消除了由此引起的机械振动,减小了轴承和叶片的机械应力。

当某一个单元出现故障时,可将此单元模块旁路,退出系统而不影响其他单元的运行。变频器可持续降额运行,如此可减少很多场合下停机造成的损失,避免了由于一个大功率高压开关器件的故障而导致整机故障、停机的产生,从而保证了变频器的可靠性。利德华福的产品最多可允许2-3个单元模块的旁路。
[DividePage:NextPage]
3 一次主回路方案
通过咨询,我们决定采用一拖一手动旁路方案:主回路由负荷开关qf、3个高压隔离开关qs1、qs2和qs3及高压变频器组成,如图5所示。其中要求qs2和qs3不能同时闭合,在机械上实现互锁。高压隔离开关qs1、qs2、sq3加装电磁锁,电磁锁的操作电源使用qf的辅助触点闭锁。只有当qf断开时,qs1、qs2、sq3的电磁锁才能得电,可以正常操作。在变频运行时,qs1和qs2闭合,qs3断开,变频器得电启动后,电机处于变频运行状态;工频运行时,qs3闭合,qs1和qs2断开,qf闭合后,电机实现工频直接启动,恢复改造前的运行状态。

4 节能计算
4.1 水泵变频调速的节能原理
根据流体力学原理:
当采用变频调速时,可以按需要升降电机转速,改变水泵的性能曲线,使水泵的额定参数满足工艺要求,根据水泵的相似定律,变速前后水量、水压、功率与转速之间关系为:
q1/q2=n1/n2
h1/h2=(n1/n2)2
p1/p2=(n1/n2)3
式中:q1、h1、p1—风机在n1转速时的水量、水压、功率;
q2、h2、p2—风机在n2转速时相似工况条件下的水量、水压、功率。
假如转速降低一半,即:n2/n1=1/2,则p2/p1=1/8,可见降低转速能大大降低轴功率,以达到节能的目的。
3#循环水泵功率为450kw,年运行时间8000h,水泵流量q和压力h在采用阀门调节流量时,近似满足如下关系:
h=a-(a-1)q2
其中a为水泵出口封闭时的出口压力,约为140%。
4.2 实际运行的节电计算
(1) 恒压设定。
参考循环水装置工艺要求,得出“压力”是保证循环水工艺的充分条件,即压力达到0.45mpa,才能保证循环水温度要求。泵出口压力过低则无法克服水的势能,无法将循环水送至冷却塔;压力过高则泵出水量增大,经冷却循环水的效率不高。因此决定采用“恒压”闭环控制方法,调整变频装置给定频率,找到工艺所需的压力最低临界点,使其既满足工艺所需压力,又能保证循环水需求量,使进出冷却塔的温差△t稳定在8℃~16℃之间。
(2)3#循环水泵变频运行记录(11月10日),见表1。

(3)统计汇总,见表2。

65结束语
实践证明:harsvert-a06/050型高压变频器在循环水泵上的应用是成功的。使用高压变频器后,节能效果明显;出入口阀门全开,减少了阀门能耗损失;实现了电机的软启动,延长了电机的使用寿命;内置plc通过采集现场的水压数据(4~20ma信号),根据其设定值和实际值的变化情况,自动调节变频器输出频率,控制水泵转速,实现恒压供水,大大提高了脱硫工艺的自动化水平,具有良好的使用价值。
(转载)



