1 引言
石油电驱动钻机是近年来发展非常快的钻井专用装备,广泛应用于国内外各大油田的开发。进入20世纪90年代,石油钻机的控制系统已由模拟式控制技术逐步转化为数字式控制技术,由继电器控制模式逐步转化为总线智能控制模式,并继续朝着智能化控制方向发展和改进。由于profibus-dp现场总线技术比较成熟,可靠性高,模块化功能强大,组态灵活方便,故障率低,现场维护方便,现已广泛应用于电驱动钻机系统中。
本文将从石油钻机井场情况进行分析,介绍在石油钻机电传动系统中profibus-dp现场总线的应用情况,并以一套普通zj40d钻机电传动系统为例,介绍了profibus-dp现场总线的具体应用。
2 profibus-dp通信
随着计算机控制技术的日新月异,工业控制结构正发生着巨大的变化。profibus是目前国际上通用的现场总线标准之一,已被纳入现场总线的国际标准iec 61158和欧洲标准en 50170,并于2006年批准发布中国国家标准gb/t 20540-2006 profibus规范。profibus是一种用于工厂自动化车间级监控和现场设备层数据通信与控制的现场总线技术,可实现现场设备层到车间级监控的分散式数字控制和现场通信网络,从而为实现工厂综合自动化和现场设备智能化提供了可行的解决方案。它以其独特的技术特点、严格的认证规范、开放的标准、众多厂商的支持和不断发展的应用行规,profibus是一种国际化、开放式、不依赖于设备生产商的现场总线标准,广泛适用于制造业自动化、流程工业自动化和楼宇、交通电力等其他领域自动化。
profibus是siemens公司提出的一种适用于所有现场应用的开放式工业控制现场总线标准。profibus由三部分组成,即profibus-dp(分布式外围设备)、profibus-pa(过程自动化)和profibus-fms(现场总线报文规范)。在profibus现场总线中,profibus-dp(简称dp协议)的应用最广。dp协议是一种高速低成本通信,主要用于plc与分布式i/o和现场设备的高速数据通信。profibus-dp用于基础控制层的高速数据传送,主站周期地读取从站的输入信息,并周期地向从站发送输出信息。profibus-dp的基本特性为:在一个有着32个站点的分布系统中,profibus-dp对所有站点传送512bps输入和512bps输出,在传输速率为12mbps时,总线循环时间仅为1ms;经过扩展的profibus-dp诊断能对故障快速定位。诊断信息在总线上传输并由主站采集。诊断信息分3级:本站诊断操作、模块诊断操作和通过诊断操作;rs-485制式双绞线,双线电缆或光缆,波特率从9.6kbit/s到12mbit/s;总线存取支持单主或多主系统。各主站间令牌传递,主站与从站间为主-从传送;线形、星形、环形以及可选的光纤双环形冗余拓扑结构。profibus-dp的上述特点使其在工业电气自动化领域占据了重要的地位。
3 石油钻机电气传动系统
石油天然气勘探与开发用钻机是由动力机、传动机与多工作机组成的成套性联合机组,属于重型机械装备。它主要包括旋转钻进系统、钻井液循环系统、钻具起升系统、动力机组、传动和控制系统、底座和其他辅助设备等。其中,转盘、绞车和泥浆泵是钻机最主要的三大部件。
[DividePage:NextPage]
3.1 钻机电控功能
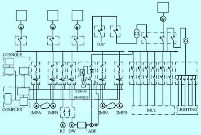
本文以一套普通zj40d钻机电传动系统为例,介绍profibus-dp现场总线的具体应用。电驱动钻机电传动系统结构如图1所示。zj40d钻机电传动系统主要完成以下功能:
对绞车电机,完成单台电机的正、反转控制及调速功能;对转盘电机,完成单台电机的正、反转控制、调速及扭矩限制功能;对泥浆泵电机,完成每台电机的启、停及调速功能;自动送钻电机,完成电机的正、反转控制及调速功能;完成以上电机的风机、油泵及其它辅助电机的启、停联锁控制;完成大钩位置的显示以及防止上碰、下砸的功能;完成部分钻井参数的读取及显示。

图1 zj40d电气传动系统 3.2 钻机电控组成
zj40d石油电驱动钻机电传动系统主要由以下部分组成:
(1) 1个simense s7-300 plc;
(2) 6个simense 6ra70直流调速器,分别控制1mpa、1mpb、2mpa、2mpb、rt、dw,一对一控制;
(3) 1个simense 6se71变频柜,用于控制abf;
(4) 2个mp370触摸屏,分别安装于综合柜门板和司钻台面板;
(5) 1个司钻台,包括et200远程模块。
(6) 5个mcc(电机控制中心)控制柜。
[DividePage:NextPage]
电传动系统中的直流调速器、变频柜、触摸屏、plc以及远程模块,采用最少的硬件连接,依靠profibus-dp协议进行通信。硬件组态和软件编程工作在step7软件中实现。系统硬件组态如图2所示。

图2 zj40d组态图
首先在step7中组态一个s7-300站,其中集成dp口选择为主站模式。然后,在profibus-dp的硬件列表中,按照实际器件型号,选择对应的硬件从站型号,拖拽到dp主站总线上,每一台硬件从站设备都需要设定好单独的profibus-dp地址。需要注意的是,触摸屏mp370的组态过程需要在protool软件里完成。这样,电传动系统的硬件组态过程就完成了。
4 dp协议应用设计
4.1 通信编程与参数设置
系统硬件组态完成后,基于profibus-dp的plc与各外围设备之间的数据传输是整个电传动系统的控制关键。由于基于profibus-dp的plc与各设备进行数据传输的方式是基本一致的,所以下文以plc与abf6se71变频柜之间的数据传输为例对profibus-dp通信进行介绍。
硬件组态后的abf通信区地址如图3所示,地址区i576-595共10个字,分别对应pzd1--pzd10共10个传输控制数据。其中,pzd1为abf控制字1,pzd2为abf主给定,pzd3为abf控制字2。这样,西门子s7-300 plc通过profibus-dp总线对6se71控制字的16位分别进行置位、复位,同时也对6se71施加了给定,这样就可实现6se71变频柜对所连接变频电机的各项控制。

图3 abf通信区
[DividePage:NextPage]
具体传输时,使用系统功能sfc15,将数据写入profibus-dp从站。在step7里编程如图4所示,便将数据表中的四个待传字传送到6se71变频器对应的地址单元i576—583。依此方式,继续向6se71变频器传送余下的6个字。

图4 通信传输程序
同样,plc也可以将6se71变频柜的状态字或运行数据读入plc,以供plc内部程序处理需要。具体读取时,使用系统功能sfc14,将数据从profibus-dp从站读入plc。在step7里编程如图5所示,便将6se71变频柜地址为q576-583的四个字读入到plc中的数据表中。

图5 通信读取程序
要使6se71变频柜能够用plc通过profibus-dp进行控制,也需要对变频器的参数进行设置。主要参数设置有:
p918=12;(6se71从站地址)
p554.001=3100,
.002=22;(起动)
p443.001=3002,
.002=544;(主给定)
p566.001=3107,
.002=10;(复位)
p734.001=32;(状态字1)
.002=151;(实际速度)
.003=33;(状态字2)
依照以上设定方式,逐一对各直流调速柜进行设定后,进行系统联调,电传动系统能够按照设定要求可靠工作。
4.2 现场总线抗干扰对策
在大型的设备运行调试过程中, 减少干扰是最基本的,这是全数字控制系统的一个重要问题。抗干扰设计是传动系统的重点综合性问题,本设计中也存在这样的问题,如果处理不好会造成各种各样的现场问题。目前,大多数情况下还是依据经验的积累来选择抗干扰措施。在设计中,可以考虑以下一些措施[5]:
(1) 交流进线过电压吸收装置:可在发电机出线、房体进线处安装电涌保护器spd或者阻容吸收装置。
(2) 动力屏蔽:系统中直流输出与变频输出均具有极强的瞬变电压干扰能力,含有较多的高次谐波,因此全部的动力输出均考虑采用屏蔽电缆,可以有效地抑制动力输出对控制信号的干扰。
(3) 控制屏蔽:全部控制电缆也采用屏蔽电缆,屏蔽层两头接地,可以防止强干扰进入控制回路。
(4) 分开布线:电控房内外都实施动力与控制分开布线,电缆槽考虑设有动力与控制隔离槽,特别注意通信电缆应单独铺设。房外布线时要注意这一点。
(5) 接地措施:系统采用tn-s接地方式,零线与地线分离,房内设置接地母线,电机侧也要没置接地装置,并保证可靠接地。
(6) 控制电源隔离:独立的供电模块提供稳定的直流24v和直流10v电源,以确保控制电源的稳定和不受干扰。
(7) 信号隔离:进入变频柜和直流调速柜的开关量信号和进入plc总线系统的外部开关量信号经过中间继电器的转换与隔离,可以防止强干扰直接窜入。
5 结束语
实验证明,基于profibus-dp的zj40d钻机电传动系统能够可靠工作,各部分均能按照设计要求工作,并具有profibus-dp和bypass两种控制方式,保证钻井过程可靠进行。基于profibus-dp的石油钻机电传动系统,不仅可以提高钻井工艺的自动化水平,最大限度地提高生产效率,还可提高了钻井系统的一体化程度。正是由于profibus-dp现场总线的应用,可以方便地与现场的工业设备进行连接,并且安装、调试、维护、更换都很方便。
(转载)



