引言
软起动器是新型的电机起动设备,它采用大功率晶闸管作主回路开关元件,通过改变晶闸管的导通角来实现电动机电压的平稳升降和无触点通断。起动电流可根据负载和工况任意设定,与传统的直接起动、星-三角起动、自耦减压起动相比,软起动器可以减小起动电流对电网的冲击。
1 导语
在供水系统中,笼型交流异步电动机是应用最广泛的电气设备。传统的电机起动设备如星-三角起动器、自耦减压起动器等都是有级起动,它存在着明显的缺点,如在起动过程中存在着起动电流对电网和负载的冲击,降低了负载的可靠性及使用寿命;特别是在起停车过程中,会产生巨大的“水锤”效应,使供水管网、水泵遭到损坏。随着我国基本建设的不断发展及供水设备的大量应用,传统的电机起动设备亟待改进。软起动器将是传统起动设备的绝好替代品。
2 软起动器
软起动器是新型的电机起动设备,它采用大功率晶闸管作主回路开关元件,通过改变晶闸管的导通角来实现电动机电压的平稳升降和无触点通断。起动电流可根据负载和工况任意设定,与传统的直接起动、星-三角起动、自耦减压起动相比,软起动器可以减小起动电流对电网的冲击。
由于泵类负载的起动转矩是随着转速的增加而增加,而软起动器也使起动电流逐渐增加,从而使泵类负载的机械特性与软起动器供电特性相吻合,减小了起动电流对泵类负载的冲击,提高了泵类负载的可靠性,延长了其使用寿命。同时,软起动器具有过载、断相、三相不平衡、过电压、欠电压等保护功能,不需加装任何保护元件。特别是天津诺尔哈顿电器制造有限公司生产的内置旁路型在线运行软起动器,在其内部设置了一个专用接触器与可控硅并联,减少了旁路型软起动器的外部联接接触器及保护元器件,使软起动器形成一个整体,减少了成套设备的复杂线路,使控制设备更简洁,使用更方便。
3 软起动器的起动方式及停车方式
3.1 软起动器的起动方式主要有以下几种:
(1)斜坡恒流起动方式
斜坡恒流起动方式如图1所示:

这种起动方式是在电动机起动的初始阶段起动电流逐渐增加,当电流达到预先所设定的电流值后保持恒定,直至起动完毕。这种方式主要用在轻载起动。在起动过程中,电流上升变化的速率可以根据电动机负载进行调整和设定。电流上升速率大,则起动转矩大,起动时间短。此种起动方式的缺点是在起动时难以知道起动压降,不能充分利用压降空间,损失起动力矩,对电动机不利。
(2)斜坡升压起动方式
斜坡升压起动方式如图2所示:

这种起动方式最简单,不具备电流闭环控制,仅调整晶闸管的导通角,使之与时间成一定函数关系增加。这种方式主要用在重载起动。优点是起动转矩特性抛物线型上升对拖动系统有利,起动平滑,柔性好,对拖动系统有更好的保护,延长拖动系统的使用寿命。其缺点是,由于不限流,在电机起动过程中,有时会产生较大的冲击电流使晶闸管损坏,对电网影响较大(天津诺尔哈顿电器制造有限公司生产的软起动器在电压斜坡起动方式下对电流的限定值是额定电流的4.5倍)。
[DividePage:NextPage]
(3)突跳加电压斜波起动方式
突跳加电压斜波起动方式如图3所示:

突跳加电压斜坡(又称转矩加突跳控制)起动是在斜坡升压起动方式的基础上加一个电压突跳(又称转矩突跳),它是在静惯量较大时用电压斜坡起动比较困难的场所,如风机负载。该起动方法,在一般负载中较少应用,适用于重载并需克服较大静摩擦的起动场合。
3.2 软起动器的停车方式:
软起动器的停车方式主要有软停车和自由停车两种。
在供水系统中,传统的起动装置因突然停车和起动会产生巨大的“水锤”效应,使管道,甚至水泵遭到损坏。为减少和防止“水锤”效应,需要电机逐渐停机,即软停车,采用软起动器能满足这一要求。软起动器的软停车特性消除了由于自由停车带来的拖动系统反惯性冲击,是需要软停车设备的最佳控制装置。
4 软起动器在供水系统中的应用实例
4.1 设备情况
河北文丰钢铁有限公司除尘加压泵组供水系统有2台160kw水泵,一备一用,原来采用的起动设备是自藕式减压起动设备,所以水泵在起动时,对电网的冲击很厉害,同时,冲击转矩和“水锤”效应使得电机和水泵的寿命大大降低、电气元件的故障率很高,给供水管网也带来了危害。通过技术改造,选用了天津诺尔哈顿电器制造有限公司生产的tjnr1系列160kw内置旁路型在线运行软起动器作为起动设备后,收到了良好的效果:
(1)良好地改善了电动机起动给电网及传动机械带来的冲击,使得电机起动平滑,柔性好,提高了传动机械的使用寿命;
(2)通过使用软起动器的软起动和软停车功能,减少和防止了供水系统中的“水锤”效应,降低了电气控制设备的成本和故障率;
(3)因本软起动器的内置方式,使得控制线路比旁路方式相比,控制线路更简单,使用更方便,大大节省了成套设备的空间;
(4)特别是本软起动器的微功耗设计,使得产品的电损耗和发热量极低。通过现场测试,当软起动器运行达到热平衡时,测得室内的空气温度在摄氏30℃时,其软起动器产品的表体温度只有摄氏40℃。
4.2 技术说明
下面就以上述供水系统中采用一用一备控制方式的实例来加以说明:
(1)软起动器的主控制图
软起动器的主控制图如图4所示。

(2)软起动器的参数设定如下:
电动机额定电流:314a;
起动方式:斜坡升压起动方式;
软起动时间:12s;
软停车时间:6s;
起动间隔时间:120s;
最大工作电流:100%ie;
起动限制电流:350%ie;
软停限制电流:80%ie;
编程输出起点:开始起动。
[DividePage:NextPage]
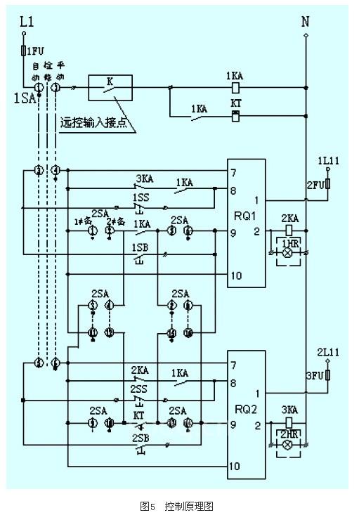
(3)控制原理图
控制原理图如图5所示。

(4)方案说明
本方案为两台软起动器拖动两台电机一用一备,当一路控制回路出现故障时,另一路将自动投切进去,保证供水系统的连续运行。
该方案柜体安装在供水站现场,柜体上设控制按钮,远控带运行信号灯;每台软起动器的智能键盘均在柜体上增设一个,能显示电机的运行电流,同时能修改软起动器的各项参数。
4.4 控制说明
其中rq为tjnr1系列内置旁路型在线运行软起动器,ka为中间继电器,1sa为选择自动投切还是手动投切的转换开关,2sa为选择备用回路的转换开关,k为远控输入接点,kt为时间继电器,sb为接通按钮,ss为断开按钮,hr为运行指示灯。1、2为软起动器的编程输出端子,7、8、9、10为软起动器的外控起停控制端子。
(1)自动转换
将软起动器编程输出设置为起动时闭合,即当软起动器起动时,编程输出端子1、2闭合。
1sa打到自动转换位置,2sa选择2#回路作为备用回路,当远程控制接点k闭合时,按通1ka,起动1#软起动器,使1#水泵工作,同时通过kt延时继电器延时后使2#软起动器作好投切准备。在1#软起动器起动时,输出端子1、2闭合,通过2ka切断2#软起动器的起动回路,形成互锁。
当回路1发生故障时,1#软起动器停车,断开2ka线圈,使2ka的常闭点闭合,起动2#软起动器。反之亦然。
(2)手动转换
当一台水泵工作不能满足供水要求时,可通过选择手动切换方式,将1sa转换开关打到手动转换位置,通过手动的起动按钮和停止按钮分别控制两台软起动器的起动和停车,以满足大量供水的需要。
5 结束语
通过上面控制方案的实施及软起动器的应用,大大改善了原来自耦减压起动方式给电网、传动机械带来的冲击,延长了传动机械的寿命,减少和消除了供水系统中的“水锤”效应,特别是内置旁路型在线运行软起动器较之其他同类产品有着体积小、重量轻、造价低、控制功能强大及控制线路简单等诸多优点,是目前阶段最先进的软起动器,也最有实际应用价值和极高的性价比。
(转载)



