引言
由于受电力电子器件电压容量的限制,传统的两电平变频器通常采用“高-低-高”方式经变压器降压和升压来获得高压大功率,或采用多个小容量逆变单元经多绕组变压器多重化来实现,这使得系统效率和可靠性下降。因而,人们希望实现直接的高压逆变技术。
1 简介
级联多电平逆变器是由若干个基本逆变单元(例如h桥逆变器)通过串联连接而形成的单相或三相逆变器。每一个逆变单元可以输出方波或阶梯波,通过输出波形的叠加合成,形成更多电平台阶的阶梯波,以逼近逆变器的正弦输出电压。这种电路的特点:随着逆变器级联数目的增加,输出电压的电平数增加,从而使得输出电压或电流波形的谐波含量减小;由于多个逆变单元串联完成整个逆变任务,虽然整体输出开关频率变高,但各个逆变单元功率器件的开关频率并不高,因此与非级联电路相比功率器件承受的电压应力减小,在高压应用中无需均压电路,同时可避免大的dv/dt所导致的电机负载绝缘等问题;当各串联或并联连接的级联单元中有一个单元故障时,可通过把此单元短接而退出工作,其它单元仍然能够正常工作,保证系统正常运行。使模块化逆变器产品的封装,生产和制造成为可能,扩展容易。近年来,由于级联多电平逆变器的上述优点,在中高压调速领域、不停电电源、交流柔性输电系统(facts)等应用中引起了电力电子行业的极大关注,成为中高压能量变换的首选方案。因此级联多电平逆变器的拓扑结构及其控制策略的研究将极有意义。本文在阅读国内外文献的基础上,对级联多电平逆变器的主电路拓扑结构及其控制方法进行汇总,以期对级联多电平逆变器的研究提供参考。
2 级联多电平逆变电路的拓扑结构
多电平逆变器实现的结构一般主要有:二极管箝位型(diode-clampedinverter)、飞跨电容箝位型(flying-capacitorinverter)、具有独立直流电源的级联型(cascaded-inverters with separate dcsources)、具有多绕组变压器输出的多重化型等等。
2.1基本的多电平逆变电路
(1) 全桥逆变电路
全桥逆变器的主电路图见图1。由于控制方式的不同,它可以有很多种工作方式,常用的工作方式为:

两电平:s1(d1)和s4(d4)导通,而s2和s3关断,uab=vdc;反之,s2(d2)和s3(d3)导通,而s1和s4关断,uab=-vdc;三电平:s1(d1)和s4(d4)导通,uab=vdc;s2和s3导通,uab=-vdc;s1(d1)和s2(d2)导通或s3(d3)和s4(d4)导通,uab=0。
对图1进行改进就可以得到5电平单相桥式逆变电路[17],如图2所示。和图1相比,多了一个电容,使负载输出的电平数为5:vdc,-vdc,0,+vdc/2,-vdc/2。s5截止时其工作同单相全桥逆变电路,可输出三电平;s5和s4(d4)导通时,uab=vdc/2; s5和s2(d2)导通时,uab=-vdc/2。

[DividePage:NextPage]
(2) 二极管箝位多电平逆变电路
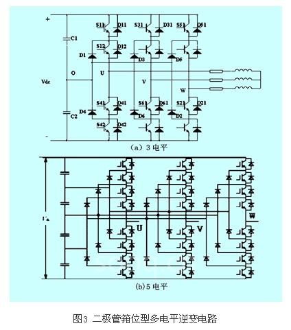
1977年德国学者holtz首次提出了利用开关管来辅助中点箝位的三电平逆变器主电路,1980年日本的a·nabae等人对其进行了发展,提出了二极管箝位式逆变电路。图3(a)为二极管箝位逆变电路,它具有2个电容,能输出3电平的相电压。

u相工作情况与输出相电压的电平
s11和s12(或d11和d12)通,s41和s42断,uo间电位差为vdc/2;
s41和s42(或d41和d42)通,s11和s12断,uo间电位差为-vdc/2;
s12和s41导通,s11和s42关断时,uo间电位差为0;
s12和s41不能同时导通;
u》0时,s12和d1导通;
u《0时,s41和d4导通。
bhagwat和stefanovic在1983年进一步将三电平推广到多电平的结构。二极管箝位式多电平变换电路的特点是采用多个二极管对相应的开关器件进行箝位,同时利用不同的开关组合输出所需的不同电平。对于n电平电路,直流侧需n-1个电容,能输出n电平的相电压,线电压为(2n-1)电平,图3(b)为二极管箝位式5电平变换电路拓扑结构。显然输出电平越多,其输出电压和输出电流的总谐波畸变率越小。二极管箝位结构的显著优点:就是利用二极管箝位解决了功率器件串联的均压问题,适于高电压场合。
缺点
虽然开关器件被箝位在vdc/(n-1)电压上,但是二极管却要承受不同倍数的vdc/(n-1)反向耐压;如果使二极管的反向耐压与开关器件相同,则需要多管串联,当串联数目很大时,增加了实际系统实现的难度;当逆变器传输有功功率时,由于各个电容的充电时间不同,将形成不平衡的电容电压。
(3) 飞跨电容箝位型逆变电路
1992年,t·a·maynard和h·foch提出了如图4(a)所示结构的飞跨电容箝位型逆变电路,其特点是用箝位电容代替图3中所述的箝位二极管,直流侧电容不变,其工作原理与二极管箝位型逆变器相似。若要输出更多的电平,须按照图4(b)所示层叠接法进行扩展。因此也称为多单元层叠型逆变器(imbricatedcell multilevelinverter)[19]。同样n电平逆变器可输出n电平相电压,(2n-1)电平的线电压。飞跨电容箝位型逆变器相对于二极管箝位型逆变器的优点是:

[DividePage:NextPage]
在电压合成方面,开关状态的选择具有更大的灵活性;由于电容的引进,可通过在同一电平上不同开关的组合,使直流侧电容电压保持均衡;可以控制有功功率和无功功率的流量,因此可用于高压直流输电。
缺点是:逆变器每个桥臂需要的电容数量随输出电平数增加而增加,再加上直流侧的大量电容使得系统成本高且封装困难;其次控制方法非常复杂,实现起来很困难;并且还存在电容的电压不平衡问题。
2.2 级联多电平逆变电路
具有独立直流电源的级联型逆变器是将前述多个逆变单元串联起来,使逆变器输出电压的电平数增加,从而使得输出波形的谐波含量减小,开关所承受的电压应力减小。这种结构的特点就是易于进行模块化设计,扩展容易;主要缺点是每个单元需要隔离的直流电源。
(1) 基本的级联逆变电路
基本的级联逆变电路就是具有独立直流电源的级联型逆变器。其中每个单元的直流电源可以相同也可以不同,但逆变单元拓扑结构是同一类型。如果串联连接的逆变桥中,至少有一个独立直流电源的电压与其它桥不同,就称这种多电平逆变器为非对称的,否则为对称[12][13][14](vdc1=vdc2=vdc3),如图5(a)所示。非对称的逆变器一般比对称型输出的电平数多(相同结构和级数情况下)。

(2) 混合级联逆变电路
为了输出更多的电平,减少隔离电源数量,每个单元电路结构可以不完全相同,串联单元本身还可以是一个多电平逆变器,如二极管箝位型逆变器,或飞跨电容箝位型逆变器。这种由不同结构单元串联而成的逆变器称为混联型逆变器,如图5(b)所示。如果需要三相,则可以用三组这样的混联单元按照图5(a)所示连接方法相连。实际中,由于级联多电平主要用于高压大功率,为了充分发挥不同类型器件的优点(高压和高频),同一组(相)相串联的不同的逆变单元中常常使用不同的器件,这种连接方式也称为混联,如图6所示,igbt和igct的混联型逆变单元,igbt工作于相对较高的频率,较低的电压;而igct工作于相对较高的电压,较低的频率。

除了上述的联结方式以外,还有由一个三相三电平二极管箝位逆变器或飞跨电容型逆变器和三个单相h桥逆变器串联形成的三相级联逆变器[33][49]。这种电路结构简单,控制也易于实现,实际中已有使用。图7为单-三相混合级联逆变电路图。

[DividePage:NextPage]
(3) 减少独立电源数的级联多电平逆变电路[18]
由前述可以看出,级联多电平电路显示了其巨大的优越性,特别是模块化的输出为系统带来很多方便。但是,在具有独立直流电源的级联多电平逆变电路中,其所需独立直流电源数很大,且随着输出电平数及逆变器相数的增加而增加。如果每一个直流电源都需要被控制的话,就使整个系统的控制变得很复杂。因此文献[18]提出了一种合成电路的思想,以期减少直流电源数量。
图8(a)为推荐的三相级联逆变主电路,它只有三个独立直流电源,每相根据各开关的不同组合可以产生+2vdc、-2vdc、+vdc或-vdc电平的电压。图中fbc为基本的h桥逆变单元。为了避免各直流电源短路,增加了一组合成电路(synthesizingcircuit)。合成电路基本模式如图8(b)所示,具体实现由图8(c)所示的两种方法完成,s1和s2为双向开关。

3 级联多电平逆变器控制策略
3.1三角载波移相pwm法(triangular carrier phase shifting pwm method pspwm)
三角载波移相pwm法是一种专门用于级联多电平逆变器的pwm方法。每个逆变单元的调制信号均由一个三角载波和一个正弦调制波比较产生,所有模块的正弦调制波一样,而三角载波依次相移一个角度,从而使得各单元模块产生的spwm波在相位上相互错开,最终各模块串联叠加后输出的pwm波频率提高了很多倍,可大大减小滤波电感的体积。
如对于m个逆变单元串联的逆变电路,假设三角载波的频率为正弦调制波的k倍,则相邻载波之间的相移为2π/mk,相应的输出等效载波频率为mk。很多文章对输出的谐波幅值及频率与相位之间的关系进行了详细分析[25][42]。验证了上述结论。图9为3个逆变单元串联的pspwm调制原理。
该法适合于单相系统。

3.2 谐波消去法(harmonic elimination methog)[5][7][11][21][24][33][55]
(1) 优化阶梯波宽度法(step modulation pwm)
它是基于合成理论,将串联连接的多个逆变单元输出的矩形波进行合成、叠加,成为接近于正弦波的阶梯波,根据要消去的谐波项,通过优化选择各逆变单元器件的导通和截止的时刻(也就是各单元输出方波的宽度),从而达到消去特定谐波的目的。
如图10(a)所示为三级串联的多电平逆变器,v1、v2和v3是三个逆变单元输出的电压,最上面的波形为合成以后的阶梯波形,通过合理选择θ1、θ2和θ3来优化阶梯波。文献[11][24]对此优化算法进行了详细分析。

[DividePage:NextPage]
(2) 特定谐波消去法(selective harmonic elimination pwm shepwm)
特定谐波消去法也是基于合成理论,在上述优化阶梯波宽度法的基础上改进而来。优化阶梯波宽度法的开关角必须满足0<θ1,θ2,…,θk<π/2,否则该方法不存在,因此其调制范围通常较窄。而特定谐波消去法提高了该法的调制范围。其基本思想是:由k(k为串联连接的逆变单元数)对脉冲波合成的输出,可将其调制范围分为k个区间,在不同的区间采用不同的波形叠加方式。
实际上特定谐波消去法就是每个逆变单元在控制上增加更多的自由度,如对三级串联的逆变电路三级分别增加自由度变量:α1、α2和α3;β1、β2、β3和β4;γ1、γ2、γ3、γ4和γ5,如图10(b)所示,通过调整这11个参数以消除更多的谐波。但是,很明显,它是以提高开关频率做代价的,算法比优化阶梯波宽度复杂很多[21][55]。
(3) 虚拟级的脉宽调制法[21](virtual stage pulse-width modulation techniquevspwm)
上面两种方法的开关频率都是基波频率,能消除的谐波个数受逆变器电平级数的限制。为了消除更多次数的谐波,提出了一种更一般的波形叠加方法[21]。由k个直流电压相等的h桥构成的逆变器,其输出可以由p个正脉冲和q个负脉冲合成(p-q=k),如图11所示。通过选择正、负脉冲的个数,消除更多的谐波。该法不受逆变器电平数的限制,但开关频率也提高。

其实,无论采用上述谐波消去法中的何种方法,都必须求解一组超越方程以确定开关角等。同时采用数值法求解时,存在解的存在及唯一性问题。
3.3 子谐波pwm法(subharmonic pwm)[8][22][25][34]
对于n个逆变单元串联的逆变器,每相控制可采用n个具有相同频率(fc)和峰值(ac)的三角载波与一个频率和幅值分别为fm和am的正弦调制波相比较,为了使n个三角载波所占的区域是连续的,它们在空间上是紧密相连且整个载波集对称分布于零参考的正负两侧。在正弦波与三角波相交的时刻,如果调制波的幅值大于某个三角波的幅值,则开通相应的开关器件,反之,如果调制波的幅值小于某个三角波的幅值则关断该器件。该方法的原理如图12(a)所示。显然,最上层和最下层的逆变单元器件的开关次数多,因此,为了平衡开关数,可以采用不同波段变频的策略[8],如图12(b)所示。

根据三角载波的相位的不同,shpwm可分为三种典型的情况[25][39]。
(1) pd法
所有载波具有相同相位(pd法):谐波主要集中在载波频率处,该处的谐波幅值较大,从而使相电压畸变较大;其它的谐波分量主要是以载波整数倍频率为中心的边带谐波,幅值较小。在三相系统的输出线电压中,由于各个三角载波同相位,因此载波处的谐波相互抵消,使线电压的thd降的较低;因此对于三相系统,如果载波比为3的倍数时,pd法线电压谐波最小(三次谐波被消去)。
(2) pod型
所有位于零基准以上的载波同相位,所有位于零基准以下的载波具有相反相位(pod型):在相电压和线电压中,都没有载波谐波,但均存在以载波整数倍频率为中心的边带谐波,且其幅值大于pd型系统中的相应幅值,所以,该方法最终得到的相电压和线电压的相对较高。
(3) apod型
所有载波自上而下,交替反相和同相(apod型):其频谱分布与pod型系统很类似,所有谐波基本都位于以载波整数倍频率为中心的边带上,唯一的区别就是,pod型中的谐波能量主要集中在载波频率两侧边带中,而apod型系统中谐波分布更加均匀。显然,在apod型系统中,由于相应谐波在三相系统中,不仅不能相互抵消,有的甚至相互叠加,导致线电压的thd反而大于相电压的thd。
因此,在三相系统中pd型系统是最优的。对于单相逆变器,apod配置电压谐波最小。
实际中,由于在混联电路中,不同逆变单元中采用的器件不一样,为了充分利用器件的开关特性,因此调制波不变,而载波的频率可以设置的不一样,大功率器件采用较低频率的载波,较小功率的器件采用较高频率的载波,如图12(b)所示。这样既充分利用了器件,又提高了输出波形质量。
[DividePage:NextPage]
3.3 开关频率优化pwm法(switch frequency optimal—sfopwm)[8]
开关频率优化pwm法与shpwm法类似,这种方法,它们的载波要求相同,但sfopwm的正弦调制波中注入了零序分量,使调制比增大。对于一个三相系统,这个零序分量是三相正弦波瞬态最大最小值的平均值。所以sfopwm法的调制波是通常的三相正弦波减去零序分量后所得到的波形,零序分量和三相调制波的计算公式如下:
vzero=(max(va,vb,vc)+min(va,vb,vc))/2
va*=va-vzero
vb*=vb-vzero
vc*=vc-vzero
该方法只适用于三相系统,因为注入的零序分量在单相系统统中无法相互抵消,从而在输出波形中存在三次谐波,如图13所示。也有人把开关频率优化pwm法和三角波移相pwm法结合产生新的ps-sfopwm法,该法特点:在相同的开关频率下,等效开关频率提高了很多倍,因而谐波大大减小,电压调制比提高了1.15倍。

3.4 直接脉宽调制法[47][49]
根据三相参考电压直接确定在一个控制周期内的开关函数,并计算各个开关函数的作用时间,最后合成逆变器的pwm脉冲输出。
特点:不需定义载波信号和空间电压矢量,与前几种方法相比,算法简单,数字实现容易,占机内存小,在原理上体现了pwm的伏秒平均等效原则。这种方法适合于各种电平,电平数的增加并不增加算法的复杂性和计算量,且不受拓扑结构的限制。
3.5 多电平最优空间电压矢量法[50]
不管多电平的电平数为多少,首先借助于电平圆整的方法,将成百上千的待选矢量限制在接近于参考矢量的8个矢量,然后将这8个矢量与参考矢量逐一对比,最接近的参考矢量既为最优空间矢量,从而得到三相最优电平输出。
该法特点:微机执行的时间与电平数无关。当电压较高时,电平数较多有较大优势,开关频率低,线电压总谐波含量低,优于多载波pwm法。
3.6 混合pwm法[23][37][53]
本方法主要针对非对称混联逆变电路。为了实现输出电压波形的连续调幅,需要对多电平电路进行pwm控制。同时为了降低脉冲阶跃幅度带来的电磁干扰,连续调幅时产生的脉冲不超过1v。图14为23型3级h桥非对称混联逆变电路(三个级联单元的直流电压比为1:2:4)的混合pwm调制方法示意图。首先对电压为2v和4v单元按图14(a)中的iii、iv波形进行驱动,然后将i中正弦调制波和iii、iv波形相减,得到1v单元的调制波ii。再用ii和三角载波进行调制,形成1v单元的pwm驱动波形,如图14(b)所示。显然,该法只对1v单元进行了pwm调制,因此在选择器件时,就可以在2v和4v单元使用低频大功率器件,如igct;而在1v的pwm单元采用高频小功率器件。
文章同时对该法的扩展进行了研究,为了降低脉冲阶跃带来的电磁干扰及消除高次谐波,提出了“1+33”或“2+33”等混联逆变电路实现方案。

4 级联多电平逆变器的其他问题
4.1 级联多电平逆变器的功率平衡[6][10][28][31][45][46][51]
在多桥串联的级联对称逆变器中,从长期运行的角度看,各逆变单元的功率平衡,将影响装置的可靠性。为使各逆变单元工作应力平衡,需要对其相应的脉冲循环进行研究。以下研究假设串联逆变单元数为k。
(1) 循环变换阶梯调制法[8][45][51](step modulation)
它就是传统的等周期循环法。在相邻的k个控制周期中,对一相各串联单元的控制脉冲进行轮换,以保证各单元功率平衡。其输出脉冲在一个控制周期中总是中心对称如图15(a)所示,h1、h2和h3代表三个串联h桥。图15(b)所示为k=3时传统等周期循环法的工作示意图及一个完整的循环周期(三个周期)的开关次数。显然采用这种方式,功率器件的开关次数多。

[DividePage:NextPage]
(2) 旋转变换阶梯调制法[8][45][51](rotating commutation of steps)
也称错位等周期循环法。它通过改变各串联逆变单元的控制脉冲和循环次序使得在两个控制周期切换时,所有功率器件不动作,大大减少开关次数。其输出脉冲在一个控制周期中或者从控制周期的起点开始,或者在控制周期的终点结束。如图16所示,其中k=3。显然这种方法既平衡了功率,又减少了开关次数,降低了器件的开关损耗,很适用于大功率应用。有些文章在此基础上进行深入研究,提出了最小化管子的开关时刻的方法来优化输出波形,以及限制直流电容上的电压脉动[6]。与传统算法相比,这种算法自由度少,控制效果好。除了上述方法外,还有等基波周期循环法、半基波周期循环法等,但它们的开关次数都很多,损耗大。

4.2 主从逆变单元的功率分配[10][31]
有些学者为非对称混联多电平逆变电路提出了主从逆变单元的概念。主逆变单元(master)就是串联连接的逆变器中,直流电压最高的单元,它承担级联逆变器大多数的功率,通常由gto、igct完成,同时通过dc/dc双向功率电源向从逆变单元(slave)供电。其它的逆变单元称为从逆变单元,直流电压较低,只负责完成自己的逆变任务。图17所示为(a)(b)(c)(d)分别为4级连接81电平的逆变器主电路、输出波形、功率分配情况及dc/dc双向功率电源。

4.3 级联多电平逆变器的共模电压的抑制[9][36][43]
逆变器的共模电压是指负载中性点与逆变器输出的等值中性点之间的电压。在交流调速中,pwm逆变电路或级联型逆变电路在实际应用中都会产生共模电压。共模电压在功率器件的高速开关期间会产生充放电电流。此电流通过电机内部的寄生电容产生流入地线的漏电流。漏电流过大将对电源产生电磁干扰,还会使电机轴承过早毁坏,从而影响系统运行的可靠性。因此,减小和消除共模电压的研究将极有意义。
文献[9][36]对在各种不同的控制方法下,级联型逆变电路共模电压的产生机理、大小进行比较,提出了采用电压胞异相调制和注入三次谐波等方法,消除共模电压,同时并不降低直流电压利用率。文献[43]提出了一种新颖的用于消除pwm逆变器输出共模电压的有源滤波器。该滤波器由一个单相逆变五绕组共模变压器组成,可以产生与pwm逆变器输出的电压幅值相等,相位相反的共模电压,通过五绕组共模变压器叠加到逆变器的输出,从而有效消除电机的共模电压。
5 结束语
级联多电平逆变电路由于其特有的优越性,在电气工程领域里的应用越来越广泛,特别是在高压领域里。本文从拓扑结构、控制方法和功率分配等角度对现有的文章内容进行归纳总结。除了上述内容外,还有大量的文章从逆变电源对交流电网的影响入手,通过改善整流电路及逆变电路控制方法[12][13][14],或者是采用具有能量再生能力的单元(主要针对电机负载)[1][2][3],从系统的角度提高变频装置输出及输入侧的功率因数;还有大量的文章对级联变频系统的装配方法(包括器件位置、母线排结构大小等等)对高压高频系统的影响进行了详细分析和优化[4][20],为级联逆变器的产品化奠定基础。综上,为了实现“绿色电力电子装置”,级联逆变电路的研究工作有待进一步深入。
(转载)



