引言
通过对冲渣泵系统的变频调速的技术改造,我厂使用了成都佳灵电气制造有限公司制造的IGBT直接串联高压变频器,经过较长时间的运行检验,证明该产品性能可靠、功能齐全、技术先进,说明国内自主开发的高压变频器在技术上已经处于世界先进水平。
1 简介
广东省韶关钢铁集团有限公司(以下简称韶钢)位于韶关市南郊,占地面积8.32平方千米。韶钢是中国500家最大工业企业和国家512家重点企业之一,世界100家大型钢铁企业排行第95位,具有年产钢160万吨以上能力。炼铁厂是韶钢的一个主体生产厂,负责公司所需铁水和铁块冶炼。炼铁厂现有6座高炉,总炉容2405m3,年产生铁230万吨。
高炉冶炼铁水过程中产生大量的熔渣,通常是用大流量的中压水将其降温并冲散,同时输送到水渣池回收,作为炼铁生产的副产品。高炉生产是不间断的,一般情况下每天出铁15次,在高炉出铁前、后各放一次渣,两次出渣时间约30分钟,在此时间内要求水冲渣系统的水泵满负荷工作,其余时间水泵只需保持约30%水流量防止管道堵塞即可。我厂4#-高炉使用ZGB-300型冲渣泵,机组有关数据如下:

原系统运行时,起动前管道进出水阀门关闭,起动后阀门开度约90%,机组全速运行,电网电压6300V,电机运行电流33A,功率因数81.6%,耗电功率294kW。不需冲渣水时通过调节阀门在30%来调节水流量(此时电机电流25A),耗电功率214kW,一方面导致大量的节能损失,另一方面频繁操作阀门,致使其使用寿命大大降低,增加了停产更换阀门的时间,为此我厂决定对4#高炉冲渣泵进行改造。
2 系统方案选择
在选择调速方案时,我们曾从节省投资出发考虑过使用调速型液力偶合器,但由于需将原机组的混凝土基础全部打掉重新捣制,工作量大、施工周期长,将影响正常生产,为此决定采用高压变频调速器。
面对当今国内外的众多高压变频产品,2001年初,我们组织专业人员对国内外高电压、大功率的变频器这一新技术进行了全面慎重的考察论证,最后决定采用国产高电压、大功率变频调速装置,原因如下:
1、目前国产高压大功率变频器已具备和国外产品相抗衡的技术水平;
2、更符合中国国情,如:变频器性能更适合国内电网状况、全中文操作界面等;
3、产品备件采购方便;
4、售后服务及时、周到 ;
6、性价比高于国外同类产品。
通过招标形式,我公司选用了国内实力雄厚的成都佳灵电气制造有限公司生产的JCS——6kV/400kW IGBT直接串联高压变频器。
[DividePage:NextPage]
3 佳灵IGBT直接串联高压变频器原理及特点
目前,低压变频调速技术已比较成熟,但在高压变频调速技术方面,由于变频器的核心功率器件耐压有限,所以高压变频器并不象低压变频器一样具有简单统一的拓扑结构,从而产生了当今各种各样的结构。
佳灵高压变频器由于解决了IGBT直接串联这一世界性难题,使其具有和低压变频器一样简单的结构。该产品成功融入IGBT直接串联技术、正弦波技术、抗共模电压技术和直接速度控制(DSC)技术,使得产品具有与其它形式(单元串联多重化、中心点箝位三电平等)产品无法比拟的优越性,该产品已被列为“国家重点技术创新项目”。

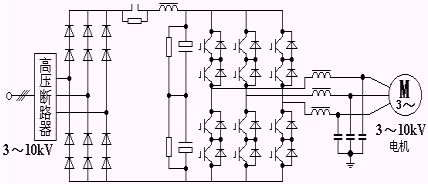
图1 IGBT直接串联高压变频器原理图
图1可以看出:该系统由电网高压直接经高压断路器进入变频器,经过高压二极管全桥整流、
直流平波电抗器和电容滤波,再经逆变器逆变,加上正弦波滤波器,简单易行地实现高压变频输出,直接供给高压电动机。其优点在于:
1、 整个系统没有输入输出变压器,体积小重量轻,仅为其他品牌体积的1/2,减少了基建投资,解
2、 决了我厂基建空间不足的实际情况。
3、 由于该变频器结构简单,无变压器,所以故障点大大减少,整个系统效率高,额定负载效率98%以上。
3、采用正弦波技术,大大提高输出波形质量,输出电压谐波含量小于3%,特有的共模技术使整个系统的共模电压及输出du/dt值完全符合MGI的标准,消除了电机振动现象,减小了轴承和叶片的机械应力,不需更换我厂原有的旧电机,无需降容使用。
4、 采用用直接速度控制技术(DSC),响应速度高于其它同类产品,转矩脉动小,低速仍能保持平
5、 滑静音运行。
6、 可实现工频旁路,检修方便,而且具有完善的系统保护功能。
[DividePage:NextPage]
4 改造方案
由电机转速公式可知 : n=60f ×(1-s) /p
其中:s- 转差率
n- 转子实际转数(r/min)
f -电流频率
p-电机的极对数
可见,只要改变电机的频率f,就可以实现电机的转速调节,高电压大功率变频器通过控制IGBT(绝缘栅双极型电力场效应管)的导通和关断,使输出频率连续可调。而且是随着频率的变化,输出电流、电压、功率都将发生变化,即负荷大时转速大,输出功率大,负荷小时转速小,输出功率也小。
由流体力学可知:
Q′=Q(n′/n)
H′=H(n′/n)2
P′=P(n′/n)3
当泵机低于额定转速时节电为
E=〔1-(n′/n)3〕×P×T(kWh)
式中:n-额定转速
n′- 实际转速
P- 额定转速时电机功率
T-工作时间
可见,通过变频改造,冲渣泵流量Q、压力H及轴功率P都将发生较大的改变,不但节能而且大大提高了设备运行性能。
以上公式为我厂提供了充分理论依据,我厂根据冲渣泵的实际特性对其进行了具体改造,冲渣泵在冲渣时工作在49.5Hz,在不冲渣时工作在25Hz,考虑到工艺对调速精度要求不是很高,本系统只采用开环控制并在高炉值班室操作,需冲渣时给调节系统一个“1”的信号,电机高速运行,不需冲渣时将此信号取消,电机低速运行,取得了很好的节能效果。
5 改造后的系统实际运行状况
变频器到厂后,我厂技术人员同成都佳灵电气制造有限公司派出的技术人员一道,经过几天的安装,一次性调试成功。于2001年11月28日开始正式运行,现已累计运行18个月,经过反复多种测试各运行参数一直正常,变频器质量性能良好,安全可靠,各项指标均达到了设计要求:
1、谐波抑制效果良好。电压谐波含量小于3%,符合IEEE519-1992和GB/T14549-93标准。
2、各种保护功能完善。过流、过压、欠压、故障保护等功能可靠,并且考虑了外部电网的防雷击等多环节保护功能。
3、各种指示功能完备。具有输入、输出电流和电压、运行频率、故障显示、运行状态指示等功能。
4、操作简便。同普通的低压变频器的功能操作方式相似,功能设置和调整简单方便。
6 节能量的验证及测试方法
1、测量无变频调速时另一台机组在工频电压下运行的电压、电流、功率因数。
2、测量有变频调速时机组在49.5Hz频率电压下运行变频器输入端的电压、电流、功率因数。
3、测量有变频调速时机组在25Hz频率电压下运行变频器输入端的电压、电流、功率因数。
4、测量仪表型号为:电压互感器:JDZJ—6;电压表:16L1-V;电流互感器:LZZB—10 50/5;电流表:16L1-A;功率因数钳型表:HIOI—3266。
5、 通过上述测量参数,根据:P=1.732U×Icosф
计算得出:P50=294kW、P49.5=214kW、P25=82kW。
[DividePage:NextPage]
7 改造效益
1、节能经济效益
机组49.5Hz运行和无变频器运行相比可节省功率ΔP1=P50—P49.5=80kW
机组25Hz运行和无变频器运行相比可节省功率ΔP2=214kW—P25=132kW
年节电量:ΔW=(H1ΔP1+H2ΔP2)=365(7.5×80+132×16.5)=1013970kW.h
(注:每年按365天计,H1:冲渣时间=15×30/60=7.5小时;H2:不冲渣时间=24—7.5=16.5小时)
经济效益:ΔW电价=1013970×0.56=567823(元)(注:韶钢厂工业电价0.56元/kW.h)
2、节约维修费用:
因冲渣水含有大量的炉渣,原系统管道和阀门在含渣水的高速冲刷下,很短时间内管壁就会变薄、阀门密封损坏须重新更换,一般情况下每年需维修费用约15万元。经变频调速改造后,有一半时间内管道的水流速度降低,磨擦减少,管道和阀门的使用寿命大大延长,每年可降低维修费用约1/3,即5万元。
3、实现电机软起动功能,延长了电机寿命,大大减少了冲渣泵故障发生率。
4、提高了自动化水平,节约了大量工业用水。
由上述可知,综合经济效益每年可达60多万元,一年即可全部收回成本。
8 结论
通过对冲渣泵系统的变频调速的技术改造,我厂使用了成都佳灵电气制造有限公司制造的IGBT直接串联高压变频器,经过较长时间的运行检验,证明该产品性能可靠、功能齐全、技术先进,说明国内自主开发的高压变频器在技术上已经处于世界先进水平。由于IGBT直接串联高压变频器无输入输出变压器、体积小、性价比高、综合性能好等方面均超过了国内外其它产品,是新一代高性能高压变频产品的代表,为高压变频调速技术在我厂内其它工序的技术改造提供了一条可行的途径,在高压变频改造领域具有极大的推广价值。
(转载)



