引言
控制系统的稳定,对于中频感应加热装置的稳定运行十分重要。现场技术人员平时要积极收集设备原始设计数据或交工验收技术数据,并对系统进行技术消化与必要的测试,积累经验数据,对故障的诊断与处理有很大的指导意义。
1 简介
某钢管厂管加工前区芯棒淬火中频感应加热装置是80年代末期从德国bbc公司引进的,芯棒原设计直径:d=φ65~φ150mm,炉膛温度:750℃~1300℃。由于生产需要轧制x70、x80管线钢,芯棒的直径有时需要提高到172mm,必然提高了中频装置的负荷。该控制系统采用模拟控制,控制器件为分立元件,设备已运行二十年,控制参数劣化严重。在加热φ160mm的芯棒时,出现功率上不去,系统过电流跳电,屡次烧逆变侧晶闸管,严重影响生产的正常运行。
2 系统介绍
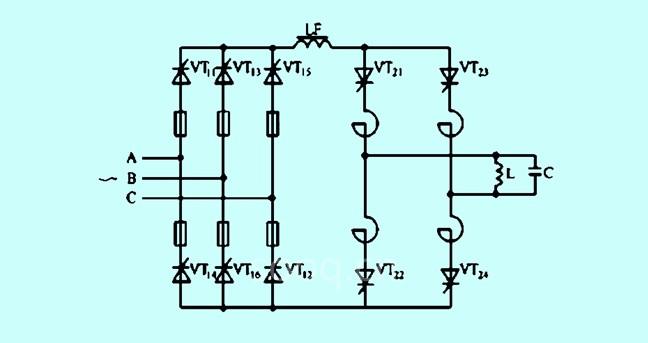
主回路包括整流变压器、整流器、直流电抗器、逆变器、电容器与感应加热线圈组成的并联负载谐振回路,见图1。整流变压器750kva,10kv/550v;采用晶闸管三相全控整流;电抗器具有平滑作用,滤去高次谐波;逆变器由单相全控桥组成,输出功率600kw,输出电压800v,电流880a,最大频率2000hz。

图1 主回路电路图
控制系统采用电压、电流双闭环控制,控制框图如图2所示。通过对中频电压的检测,来控制中频输出电压的大小,电压调节器的输出作为电流给定。通过检测三相交流进线电流来作为电流反馈,电流调节器的输出控制整流器的脉冲移相。控制系统检测中频电压、电容器支路电流,通过计算与比较,来控制逆变晶闸管的触发,保证反压时间tβ大于晶闸管关断时间tq。

图2 中频控制系统简图
[DividePage:NextPage]
3 故障处理
通过对系统进行调查,可知在加热φ160芯棒时,中频电压开始大约为250v时,输入电流冲击大,随着加热的进行,输入电流基本徘徊在600a左右。随着给定功率的增加(即给定电压的增加),输入电流增大,但输入电流不会随着加热的进行而逐步减少,芯棒加热缓慢。为什么在加热初期电流冲击大?为什么随着加热装置的运行,输入电流没有逐步减少?为什么随着给定功率的增加,加热效果不明显,而系统频繁报警过电流?
(1)针对逆变回路频繁烧晶闸管,初步怀疑主回路晶闸管不良或主回路存在接地或短路现象,导致交流输入电流大,输出功率上不去。通过对中频主回路以及线圈的绝缘进行检查,没有发现异常;对晶闸管进行检查,发现晶闸管的参数有劣化趋势。我们对逆变侧晶闸管全部进行了更换,以彻底排除主回路的异常;但再次运行中频时,现象依旧。
(2)对负载进行检查,在中频感应加热装置中,如果负载不匹配,如电容与感应线圈不匹配,也会出现输入电流大,输出功率小的现象。我们对感应线圈的感抗进行测试,没有发现异常,对并联电容进行简单检查,也没有发现异常;然后逐步切电容或投电容,启动中频装置,即进行负载阻抗的匹配试验,故障现象依旧,说明负载阻抗匹配不存在问题。
(3)在排除主回路异常后,我们对控制系统进行检查与测试。发现中频装置工作时,当中频电压开始大约为250v时,输入电流冲击大,随后稳定在600a左右,反馈电压为4.5v。系统标准设置为1000a/10v,我们调节电流反馈系数,使输入电流为600a时,电流反馈为6v。再次运行中频时,冲击电流明显下降,但功率依然上不去,加热效果差。
(4)测试中频电压与电流波形如图3所示,中频频率大约1.7khz,周期t为589μs,电流超前电压达70μs,即功率因数角大约为:70/589×360=43°。本中频装置用晶闸管的恢复时间大约在20μs,为了保证晶闸管的可靠关断,系统设置的电流超前电压大约在40μs左右。

图3 处理前中频电压、电流波形
为此,我们调整了超前角的大小,减小超前时间到40μs,如图4所示。再次启动系统时,中频电压开始大约为250v时,输入电流开始为600a左右,随着加热的进行,输入电流逐步减小到350a左右。当给定功率的增加时(即给定电压的增加),中频输出功率成比例上升;输入电流开始也增加,但随着加热的进行逐步减少;芯棒加热效果好,系统恢复正常工作。

图4 处理后的中频电压、电流波形
[DividePage:NextPage]
4 故障分析
当中频装置启动时,突加给定电压,由于电压反馈没有,电压调节器输出迅速增加。由于控制参数漂移,使得电流反馈系数减小,同样的中频电流给定使中频装置输出的瞬间电流比较大,产生冲击电流,只有当电压环超调后,输出电流才开始减小,最终由负载决定。由于中频装置中存在很大的电抗,系统调节响应慢。随着给定电压的增加,冲击电流更大;对晶闸管的冲击也大,加快晶闸管的劣化,造成晶闸管疲劳击穿。
随着元器件老化,模拟控制系统参数漂移,使得逆变器控制回路中的晶闸管触发的超前角变大(42.8°),功率因数低(0.733),即使输出同样的中频电压与中频电流,但中频装置输出的有功功率不高,加热效果差。正常情况下,在中频加热过程中,根据欧姆定律,负载参数随温度升高而变化,如中频等效阻抗增大;但当温度变化缓慢时,中频等效阻抗变化不大。当中频给定电压恒定时,尽管随着加热装置的运行,由于加热效果差,中频等效阻抗变化不大,电压反馈提高得慢,导致中频电流变化缓慢,即系统长时间工作在大电流状态,也易造成晶闸管的劣化。
通过调节定位器,增大电流反馈系数,使电流反馈600a/6v;减小了电流冲击。通过调节逆变回路晶闸管脉冲控制参数,使中频电流超前中频电压的时间为40μs,既保证了晶闸管的可靠关断,又减少了超前角(24.4°),提高了功率因数,为0.91。由于中频装置的输出有功功率提高,芯棒加热功率增大。根据欧姆定律,随着芯棒温度的升高,芯棒电阻增大,中频等效阻抗增加,在同样的中频电流下,中频电压反馈提高;当中频电压给定不变时,电压调节器的输出减少,使中频输入电流也逐步减小。随着给定功率的提高,中频电压提高,中频电流开始也提高,但随着芯棒的加热,中频电流会逐步减小,减小了晶闸管的负担。
5 结束语
控制系统的稳定,对于中频感应加热装置的稳定运行十分重要。现场技术人员平时要积极收集设备原始设计数据或交工验收技术数据,并对系统进行技术消化与必要的测试,积累经验数据,对故障的诊断与处理有很大的指导意义。
(转载)



