摘要:本文介绍了双介质吹灰器的控制原理,以及利用西门子LOGO!实现其自动化控制的过程,不仅简化了以往触摸屏、PLC的控制方式,而且提高了吹灰器吹扫的效率。
一、应用简介
1. 应用简述:双介质吹灰器主要应用于火力发电厂中,用于吹扫空气预热器受热面和烟气脱硫装置中GGH受热面的灰尘和结垢,双介质可以满足不同工况下的吹扫需要,使空气预热器和烟气脱硫装置的受热面干净、畅通,提高烟气交换效率,使空气预热器更加高效、节煤,使烟气脱硫装置脱硫效率提高,排出的烟气中二氧化硫含量减少。双介质吹灰器是火力发电厂中节能、环保装置中重要的辅助设备之一。
2. 公司介绍:湖北华兴锅炉仪表制造有限公司(湖北省第一锅炉水位表厂)位于湖北省京山县,创建于1985年,主要产品有吹灰器、物位仪表、流量装置、钢结构件、电视监控系统等五大类。中国石化物资装备公司设备资源市场成员之一,中国石油天然气集团公司一级供应网络成员企业,东方锅炉(集团)股份有限公司合格供应商。为国内大、中、小型锅炉厂、火力发电厂、石油、石化、钢厂等1500多家单位配套,出口20多个国家和地区,为我国石油、化工、电力等行业的发展作出了卓越的贡献。
二、应用说明
1. 应用功能描述

图1 双介质吹灰器外部结构

图2 双介质吹灰器内部结构
2. 工艺流程说明

图3 双介质吹灰器控制系统流程图
3. 系统需要分析:双介质吹灰器,步进步退速度及停止等待时间需要根据现场工况及使用效果来进行调整,LOGO!逻辑控制器加变频器能满足要求,同时LOGO!的I/O点能控制高压水泵及电动阀门的开关,相比其他触摸屏加PLC的控制方案,节约安装空间与生产成本,操作维护简单方便。
三、应用的设计与实现
1. 电气控制原理图说明

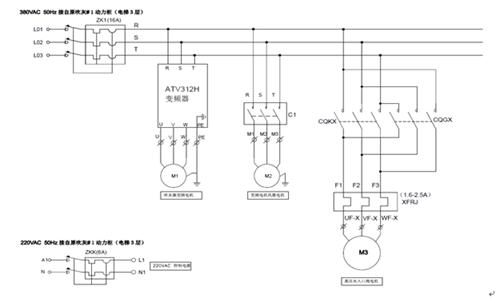
图4 动力回路控制原理图

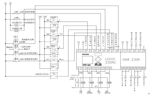
图5 控制回路及LOGO!接线图
2. I/O分配表
表1 双介质吹灰器控制箱输入信号表
I1 (LOGO! 230RC) 启动输入
I2 (LOGO! 230RC) 停止输入
I3 (LOGO! 230RC) 后退输入
I4 (LOGO! 230RC) 进到位检测
I5 (LOGO! 230RC) 退到位检测
I6 (LOGO! 230RC) 蒸汽压力开关
I7 (LOGO! 230RC) 高压水模式选择输入
I8 (LOGO! 230RC) 故障信号反馈
I9 (DM8 230RC) 高压水阀已开
I10 (DM8 230RC) 高压水阀已关
I11 (DM8 230RC) 高压水泵已运行
表2 双介质吹灰器控制箱输出信号表
Q1 (LOGO! 230RC) 变频器正转
Q2 (LOGO! 30RC) 变频器50HZ高速
Q3 (LOGO! 230RC) 变频器反转
Q4 (LOGO! 230RC) 变频器25HZ低速
Q5 (DM8 230RC) 开高压水电动阀
Q6 (DM8 230RC) 关高压水电动阀
Q7 (DM8 230RC) 高压水泵远方启动
Q8 (DM8 230RC) 高压水泵远方停止
3. LOGO! 控制程序
本设备程序采用 LOGO! 所支持的梯形图语言编写,根据工艺需求,设备运动方式分为:前进、步退、快退 三种。

图6 输出点控制程序

图7 运动方式控制(前进、步退、快退)

图8 异步脉冲发生器设置时间

图9 锁存继电器RS实现
4. 应用设备图片展示

图10 双介质吹灰器后视图

图11 防水控制箱

图12 控制箱内部图

图13 控制箱内部LOGO!安装位置图
四、应用体会
1. 西门子LOGO!产品经济、实用、编程容易上手,相比三菱、台达等小型PLC,更加简洁、可靠,液晶面板可以直接编程和修改参数,可以省去触摸屏或文本显示器,节省安装空间。
2. 双介质吹灰机需要根据现场工况及使用效果来调整不同介质的吹扫及停留时间,LOGO!本体集成的液晶面板支持参数修改功能,可以满足该需求,不仅简化了以往触摸屏、PLC的控制方式,而且提高了吹灰器吹扫的效率,大大降低了系统成本。
3. 采用LOGO!逻辑控制器开发的双介质吹灰器控制系统中,已经于2012年10月在火力发电厂恶劣的环境中运行,到目前使用效果良好,未出现过故障。
4. 本文是LOGO!逻辑控制器针对恒速步退式双介质吹灰器的应用,目前正在开发线速度后退吹扫双介质吹灰器,采用西门子LOGO!模拟量模块控制变频器,实现双介质吹灰器后退时速度呈线性递减,以适应吹扫换热元件时内圈到外圈喷嘴吹扫速度的线性变化,达到均匀吹扫,提高吹扫效率的目的。
(转载)



